传奇 → 点击这里...

HB-100Z61/62-8/16-4T-A2

动画

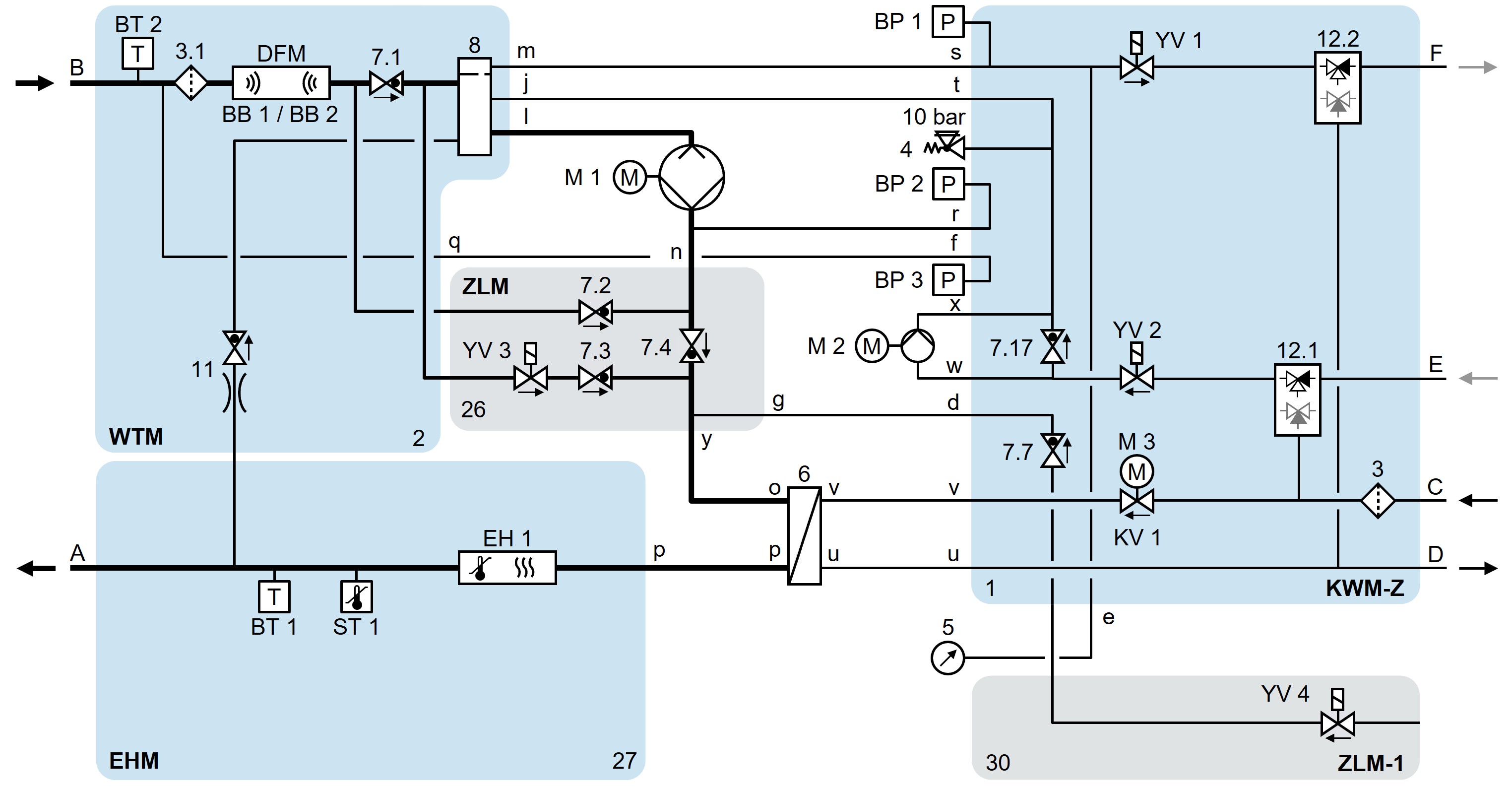
HB-100Z61/62-8/16-4T-A2-ZL

动画

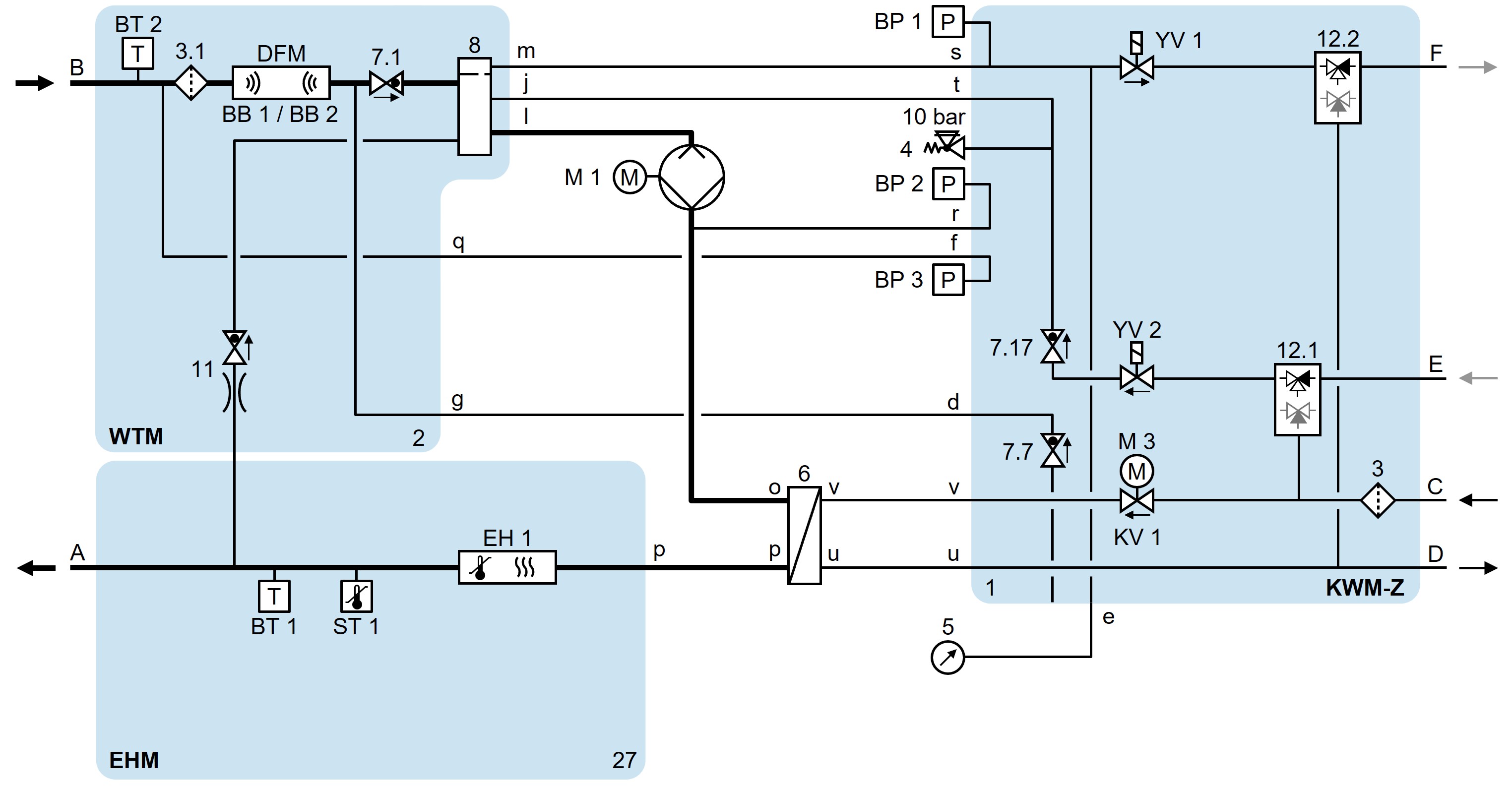
HB-100Z61/62-8/16-4T-A2-ZF

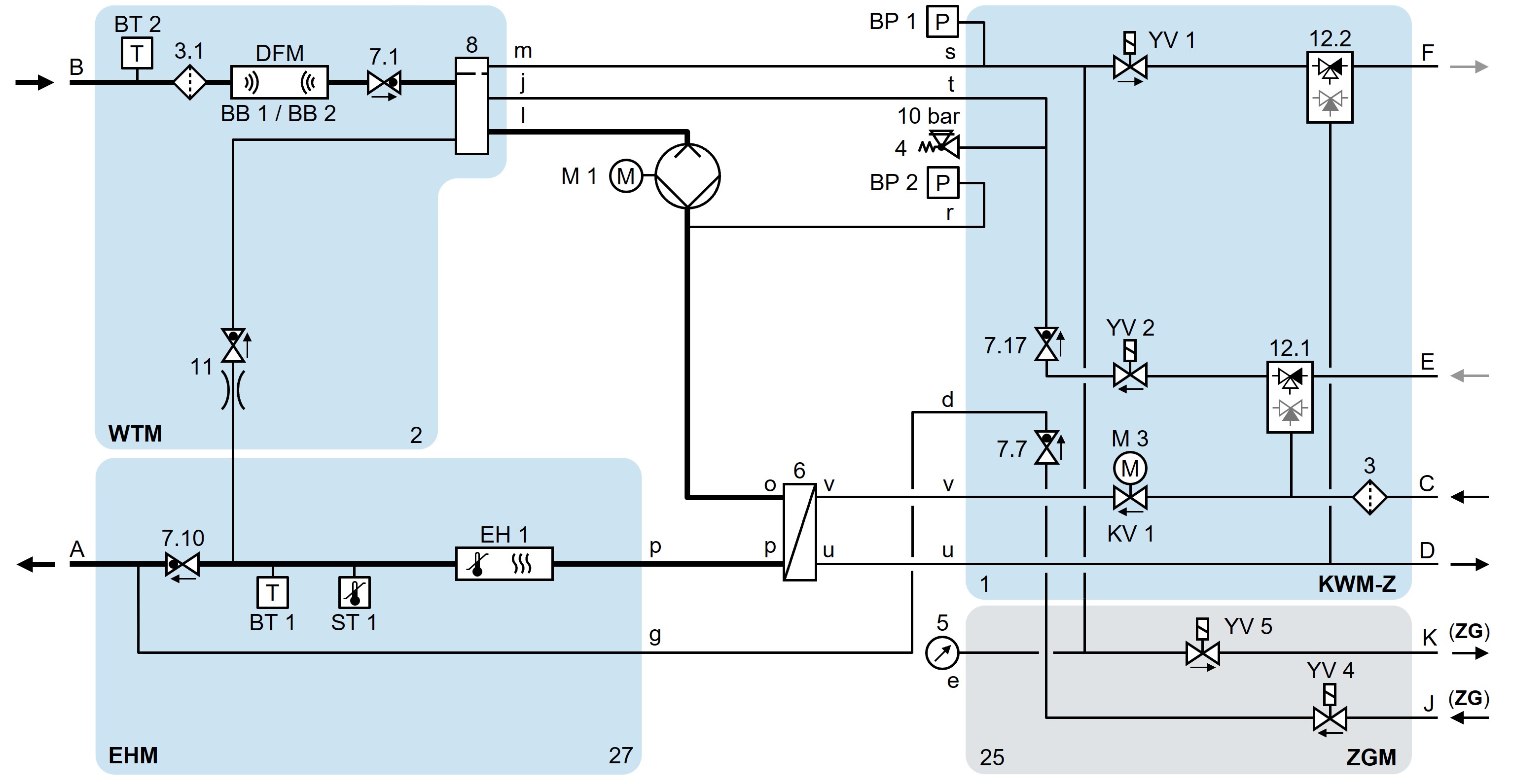
HB-100Z61/62-8/16-4T-A2-ZG

动画

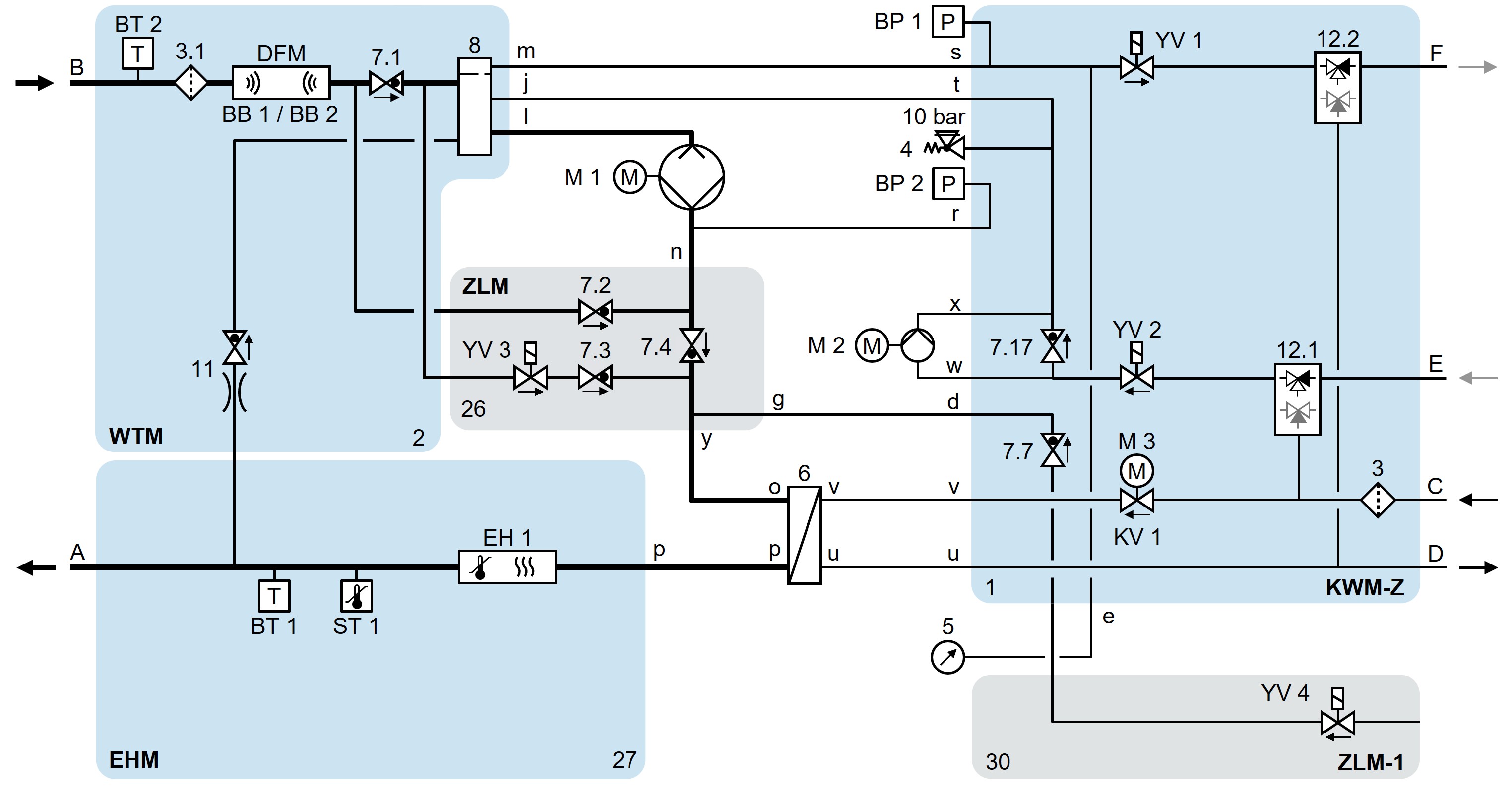
HB-100Z61/62-8/16-4T-A2-ZL-ZF

HB-100Z61/62-8/16-4T-A2-ZL-ZF-ZG