传奇 → 点击这里...

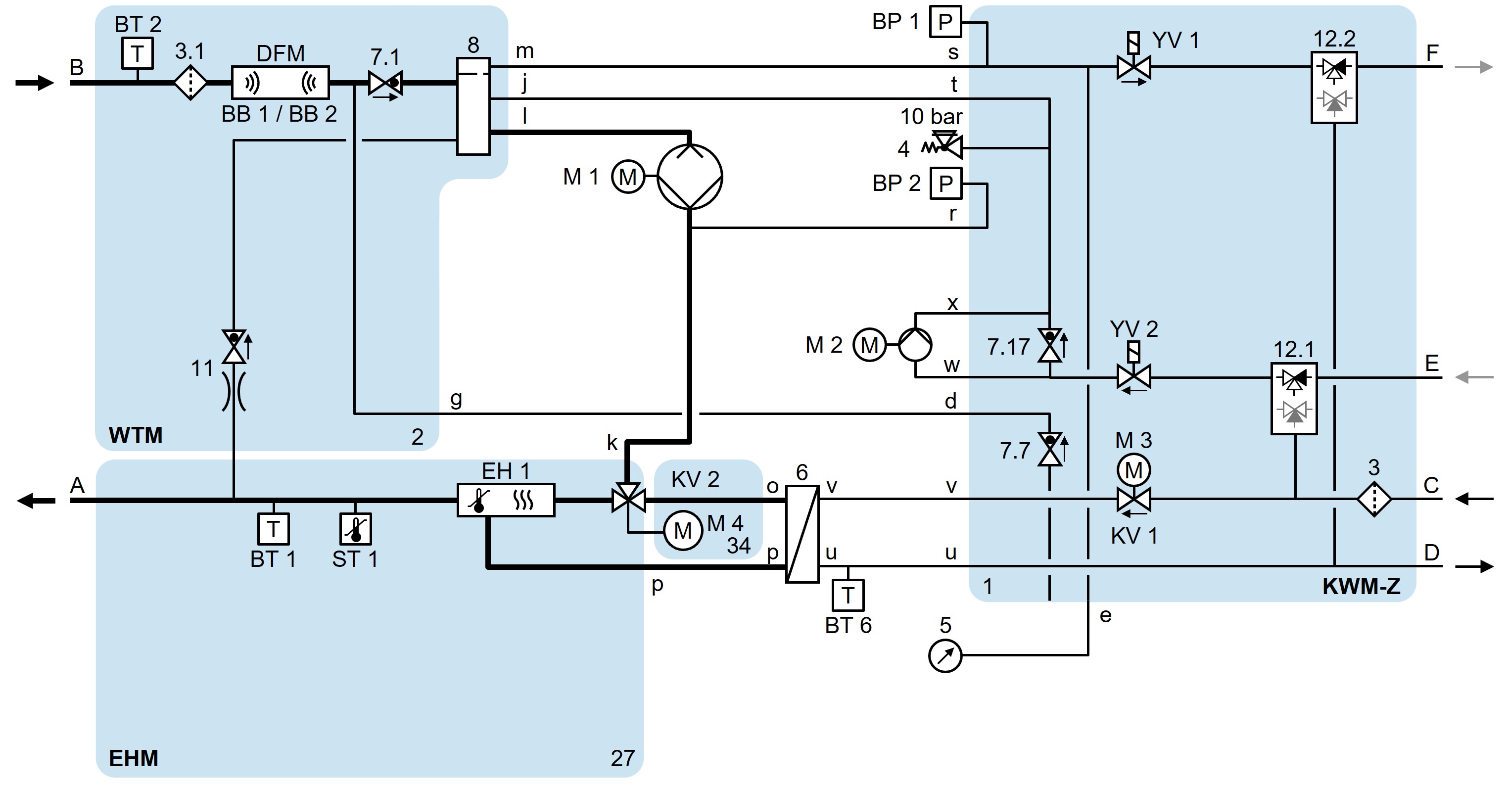
HB-140/160Z61/62-8/16-4S-A2

动画

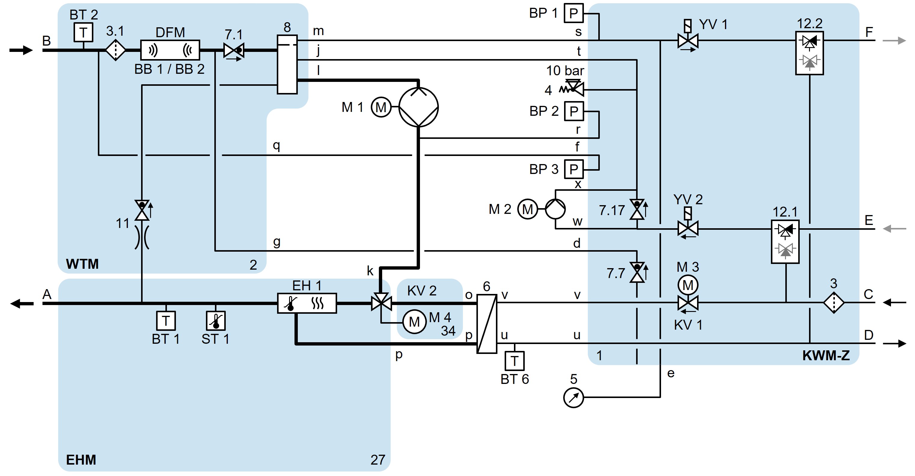
HB-140/160Z61/62-8/16-4S-A2-ZL

动画

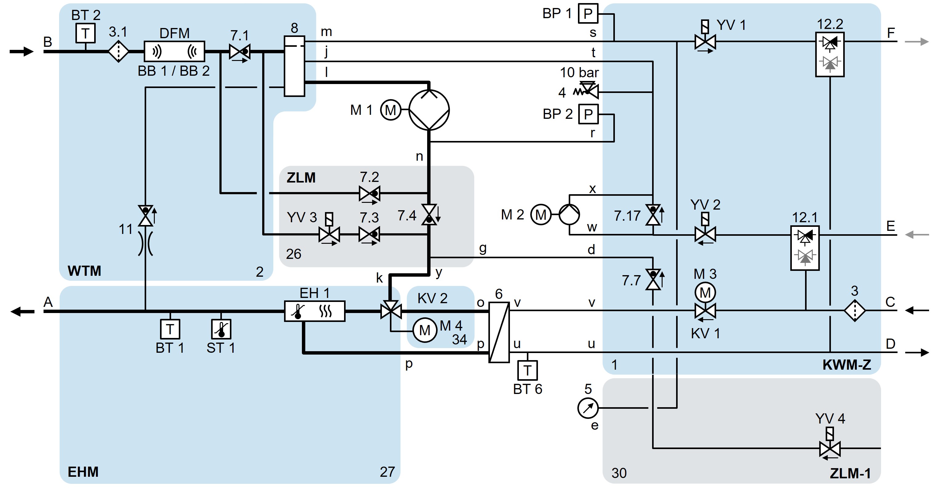
HB-140/160Z61/62-8/16-4S-A2-ZF

HB-140/160Z61/62-8/16-4S-A2-ZG

动画

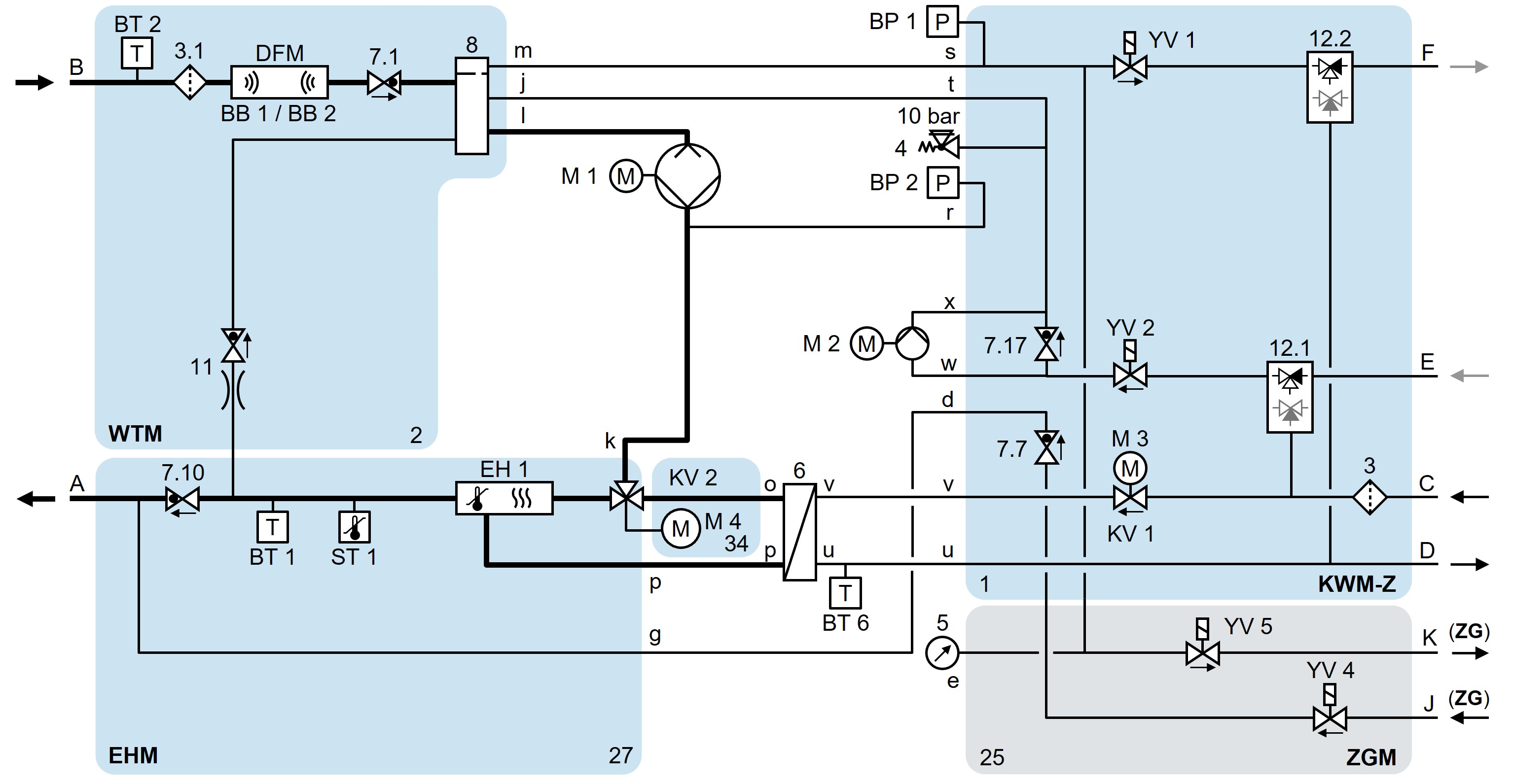
HB-140/160Z61/62-8/16-4S-A2-ZL-ZF-ZG