Download page C8842: Bezpečnostní vypnutí pomocí alarmu a externí řídicí jednotka.
C8842: Bezpečnostní vypnutí pomocí alarmu a externí řídicí jednotka
Speciální verze (dodatek A): Bezpečnostní vypnutí pomocí alarmu a externí řídicí jednotka
Popis
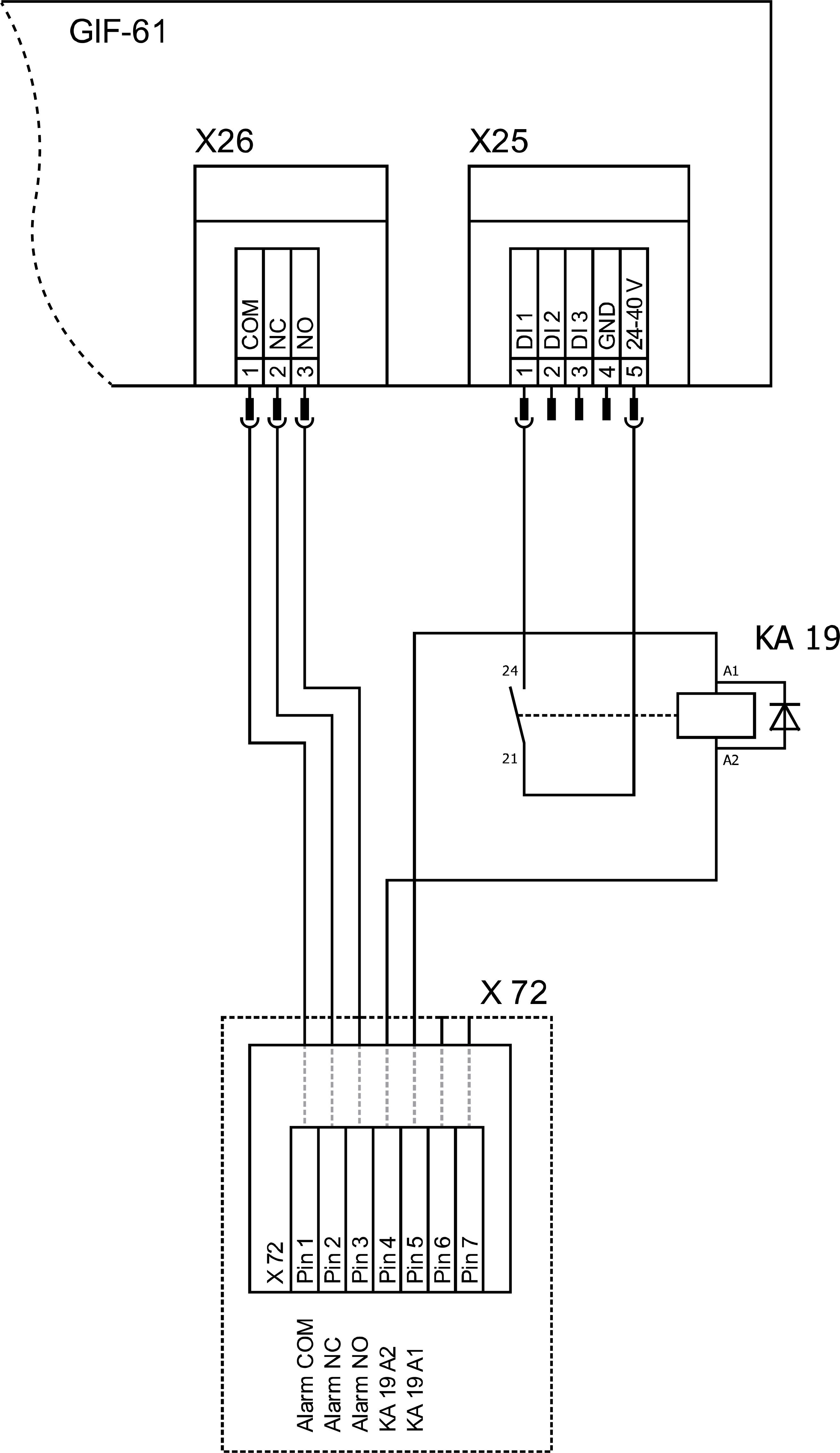
V této verzi je přístroj vybaven přídavným relé (KA 19), které lze použít k bezpečnému vypnutí zařízení. Pro provoz musí být relé (KA 19) napájeno externím napětím 24 VDC. Pokud dojde k přerušení externího napětí 24 VDC, relé (KA 19) se vypne a vypne přístroj bezpotenciálovým kontaktem.
změna nastavení parametrů
Pro tuto verzi je v hlavní nabídce v části [Nastavení] > [Různé] vyžadováno následující seřízení:
Parametry [Bezpečné -OFF přes Ext. Kontakt] → zapnout funkci pomocí posuvníku ().
Nastavte Parametr [teplota vyprazdňování Formy] na „90° C“.
UPOZORNĚNÍ!
Jsou parametry [Bezpečné. -OFF přes Ext. Kontakt] je zapnutý, zbývající Funkce externí řídicí jednotka (spínací cílová hodnota 1 nebo 2) jsou deaktivovány prostřednictvím bezpotenciálového kontaktu.
Změna elektrického schématu (výňatek)
Uspořádání součástí změny
Legenda změna
zkratka
Označení
poprava
KA19
Bezpečnostní vypínací relé
Datenschutz - Data protection - Protection de données
Wir setzen Cookies ein, um Ihnen die Nutzung unserer Webseite zu erleichtern. Weitere Informationen zu Cookies finden Sie in unserer Datenschutzerklärung. We use cookies to help you use our website. More information about cookies can be found in our privacy policy. Notre site utilise des cookies afin de vous garantir un service optimal. En utilisant ce site web, vous acceptez les présentes conditions. Vous trouverez privacy policy de plus amples informations. Privacy Policy