Ειδική έκδοση (Παράρτημα Α): Τερματισμός ασφαλείας μέσω συναγερμού και εξωτερικής ρύθμισης

Περιγραφή

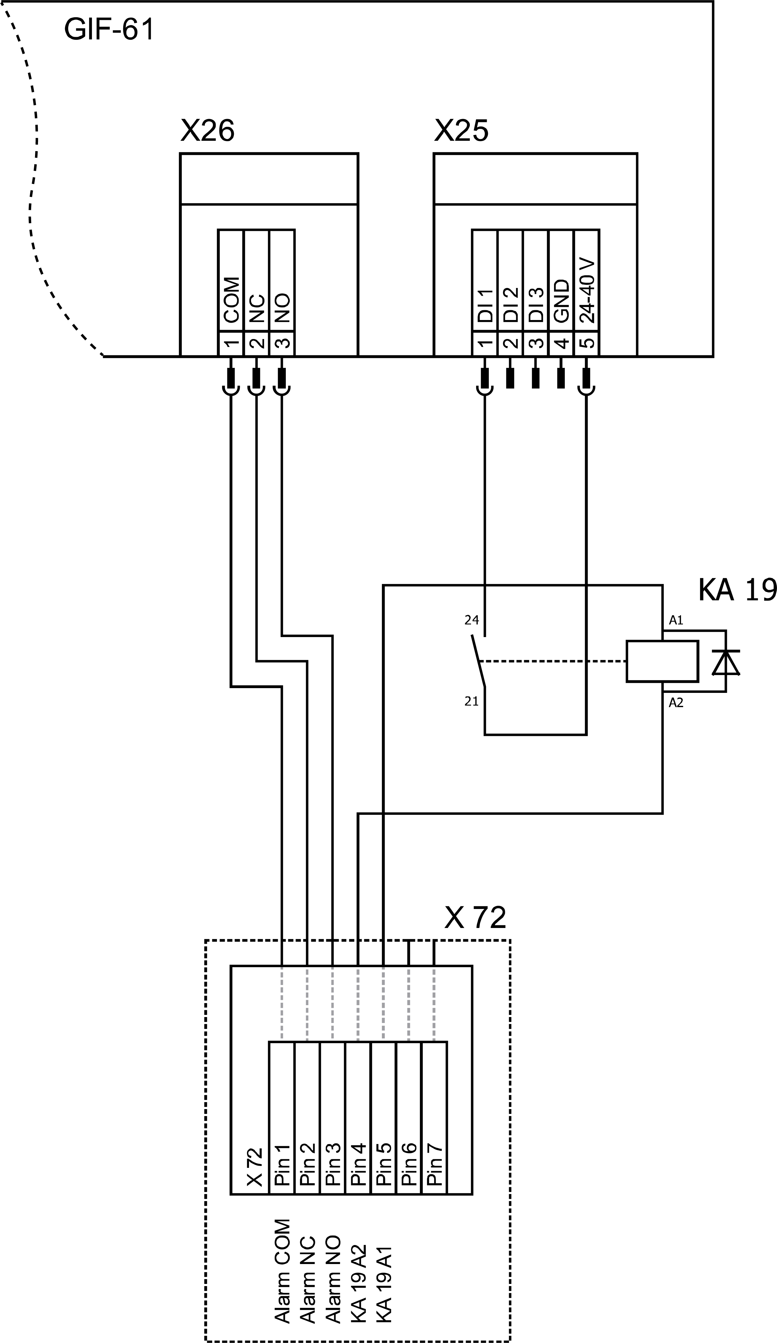
Σε αυτή την έκδοση, η συσκευή είναι εξοπλισμένη με ένα πρόσθετο ρελέ (KA 19), το οποίο μπορεί να χρησιμοποιηθεί για την ασφαλή απενεργοποίηση της συσκευής. Για λειτουργία, το ρελέ (KA 19) πρέπει να τροφοδοτείται με εξωτερική τάση 24 VDC. Εάν διακοπεί η εξωτερική τάση 24 VDC, το ρελέ (KA 19) σβήνει και απενεργοποιεί τη συσκευή μέσω επαφής χωρίς δυναμικό.

ρύθμιση παραμέτρων τροποποίησης

Για αυτήν την έκδοση, απαιτείται η ακόλουθη ρύθμιση στο βασικό μενού στην ενότητα [Ρυθμίσεις] > [Διάφορα]:

  • Παράμετροι [Ασφαλής -OFF μέσω Ext. Επικοινωνία]
    → ενεργοποίηση της λειτουργίας με το ρυθμιστικό ().
  • Ρυθμίστε τις παραμέτρους [Θερμοκρασία εκκένωσης καλουπιού] σε «90° C».

ΣΗΜΕΊΩΣΗ!

Είναι οι παράμετροι [Ασφαλής. -OFF μέσω ext. Επαφή] είναι ενεργοποιημένη, οι υπόλοιπες λειτουργίες του εξωτερικού ελέγχου (αλλαγή τιμής στόχου 1 ή 2) απενεργοποιούνται μέσω της επαφής χωρίς δυναμικό.

Ηλεκτρικό διάγραμμα Τροποποίηση (απόσπασμα)

Τροποποίηση της ρύθμισης των συνιστωσών

Τροποποίηση θρύλου

συντομογραφίαΟνομαΕκτέλεση
ΚΑ19Ρελέ απενεργοποίησης ασφαλείας