Специальная версия (приложение A): безопасное отключение через сигнализацию и внешняя система управления

описание

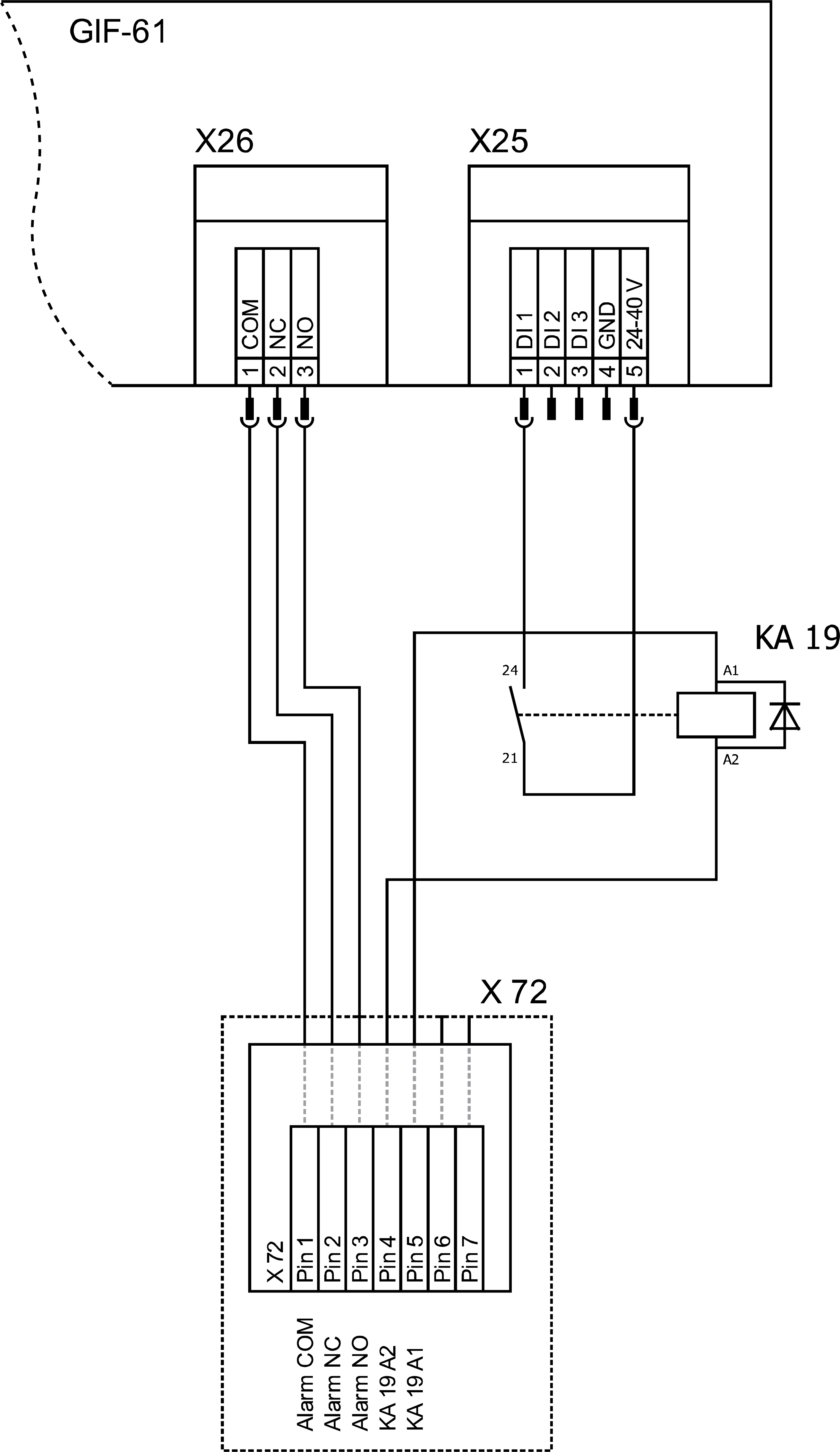
В этой версии устройство оснащено дополнительным реле (KA 19), которое можно использовать для безопасного выключения устройства. Для работы на реле (KA 19) должно подаваться внешнее напряжение 24 В постоянного тока. Если внешнее напряжение 24 В постоянного тока прерывается, реле (KA 19) отключается и выключает устройство через беспотенциальный контакт.

настройка параметров изменения

В этой версии требуется следующая настройка в главном меню в меню [Настройки] > [Разное]:

  • параметры [Безопасное отключение по доб. [Contact]
    → включение функции с помощью ползунка ().
  • Установите для параметров [температура опорожнения формы] значение «90°C».

ОБРАТИТЕ ВНИМАНИЕ!

Безопасны ли параметры []. -OFF по доб. Контакт] включен, остальные функции внешнего управления (целевое значение переключения 1 или 2) деактивируются через беспотенциальный контакт.

Изменения в электрическую схему (выдержка)

Внесение изменений в расположение компонентов

Изменения в условных обозначениях

аббревиатураимяИсполнение
KA19Защитное запорное реле