ХБ-100З62-16-6П-Б2

ХБ-100З62-16-6П-Б2-ЗФ

ХБ-100З62-16-6П-Э2

ХБ-100З62-16-6П-Э2-ЗФ

ХБ-100З62-16-6П-Б2/Э2-ЗФ-ЗГ

ХБ-100З62-16-6П-Б2/Э2-ЗФ-ЗН

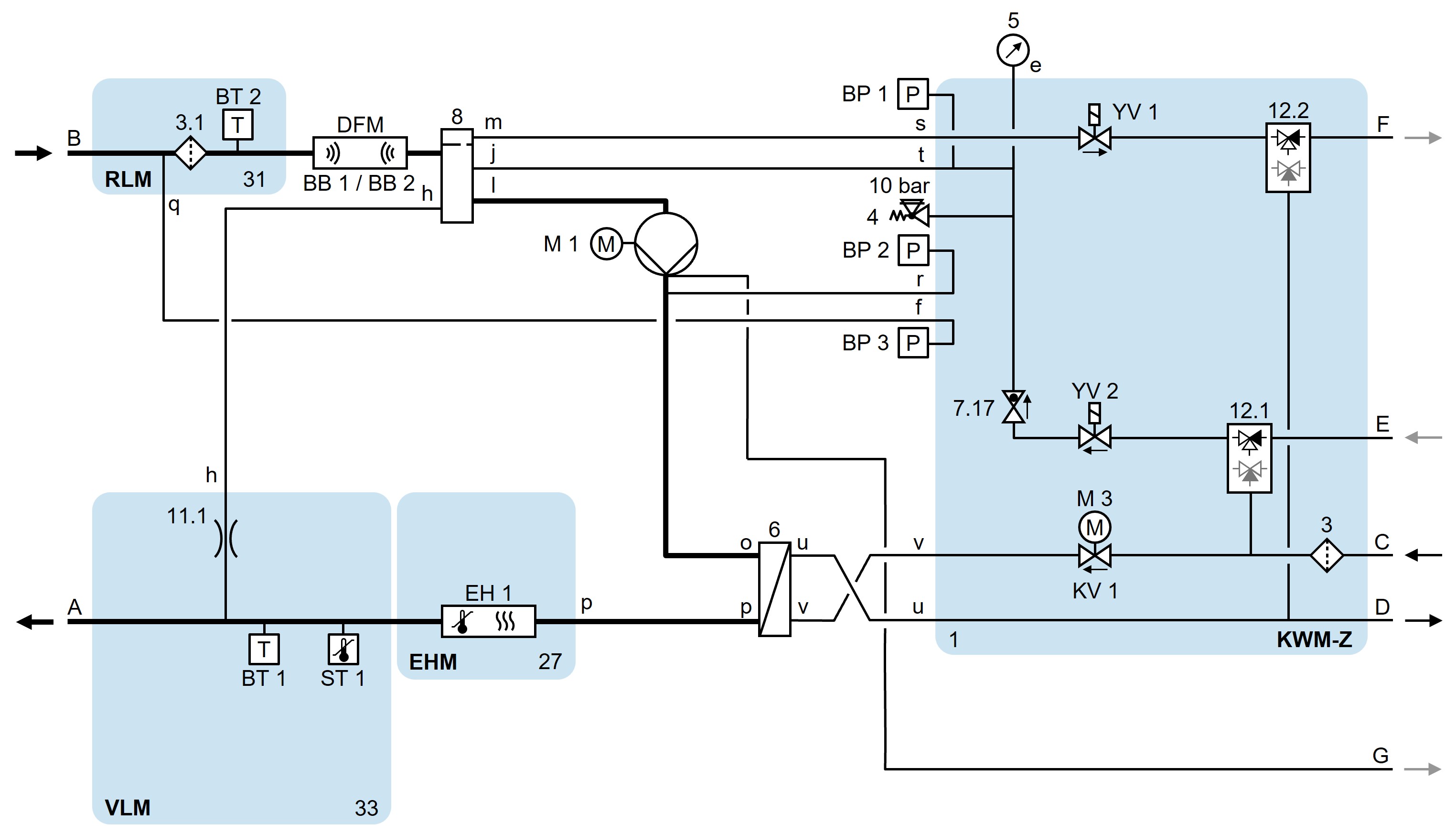
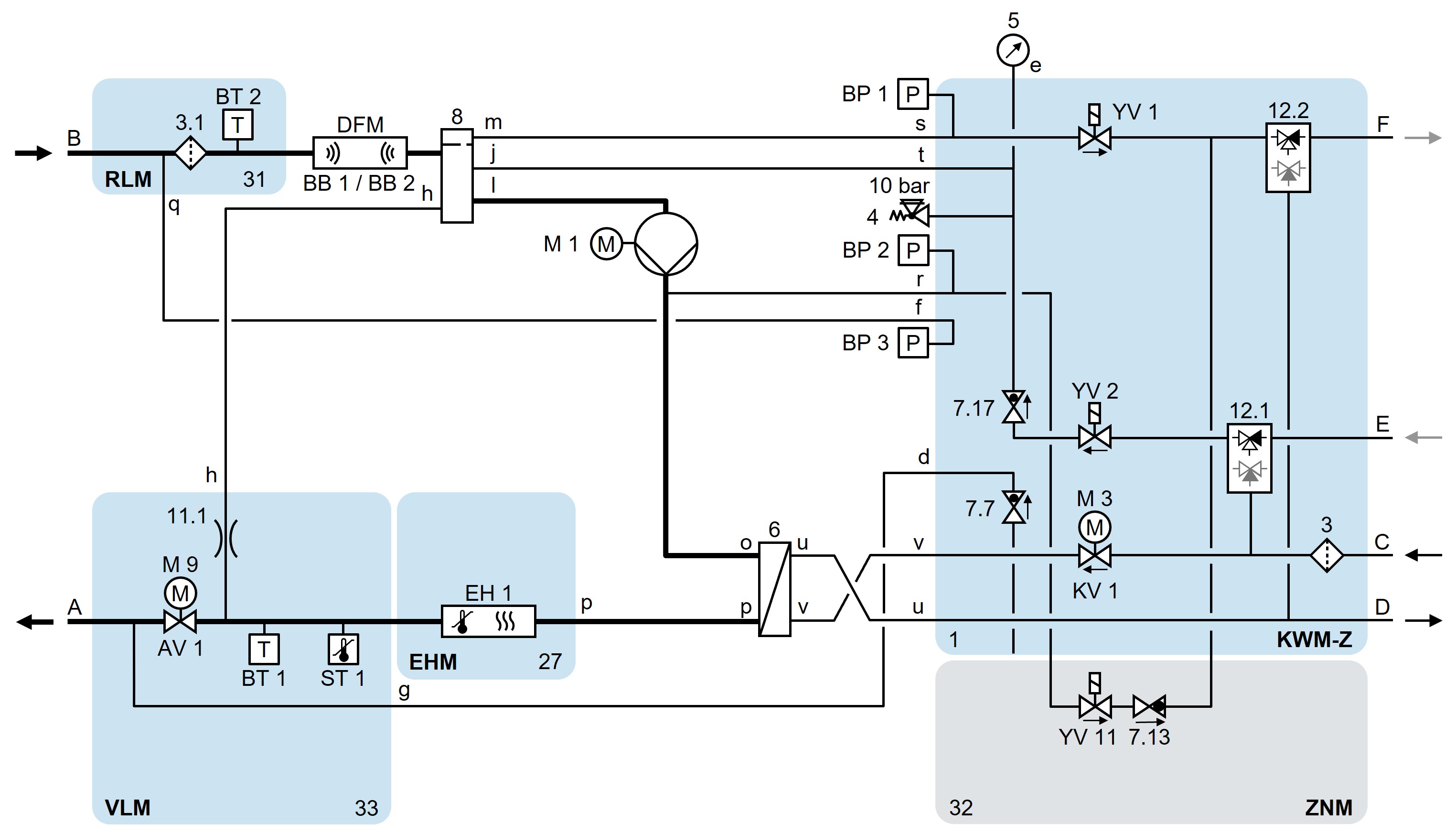
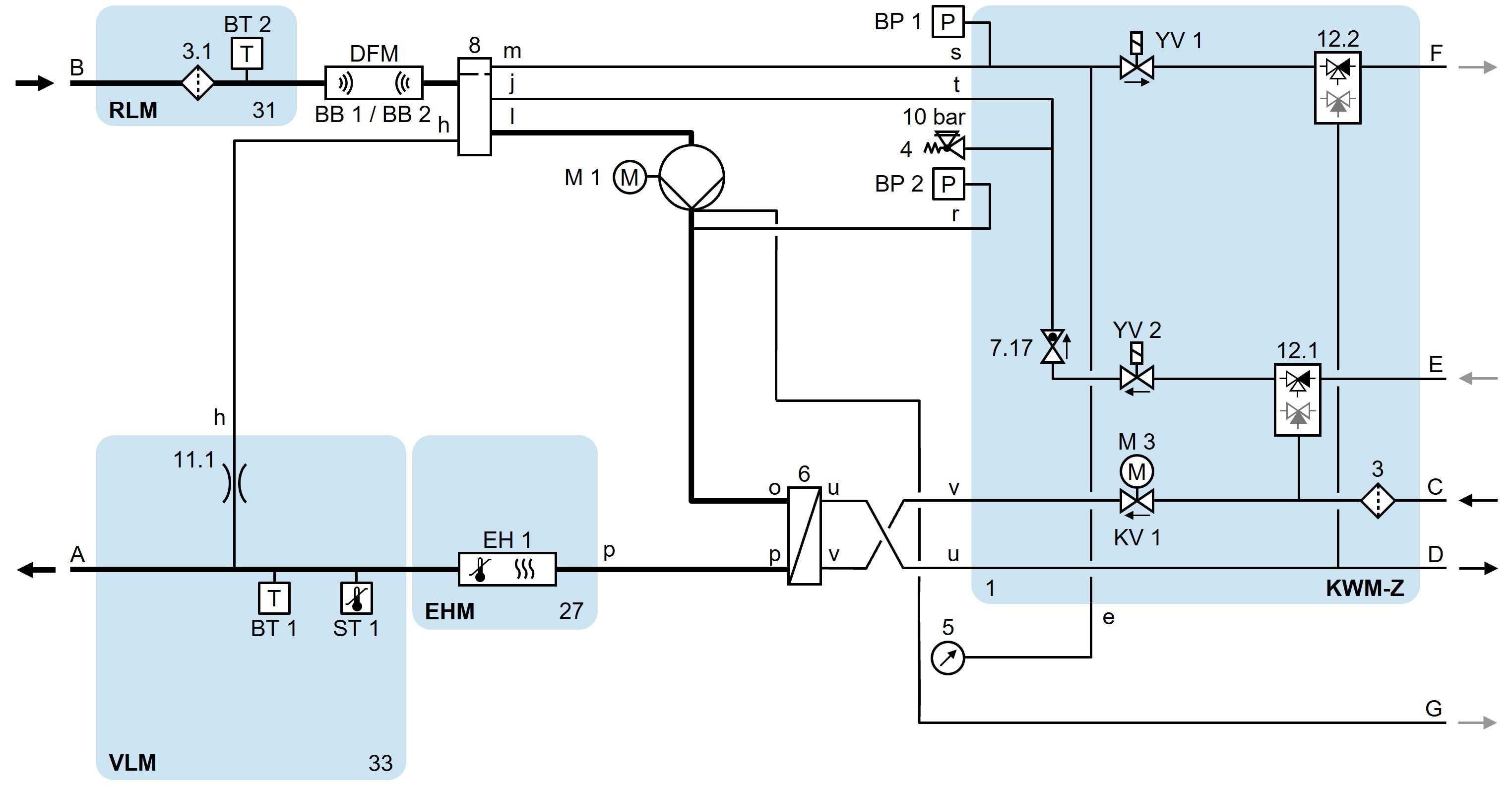
linkлегенда