Specialioji versija (A priedėlis): Saugos išjungimas per aliarmą ir išorinį valdymą

Apibūdinimas

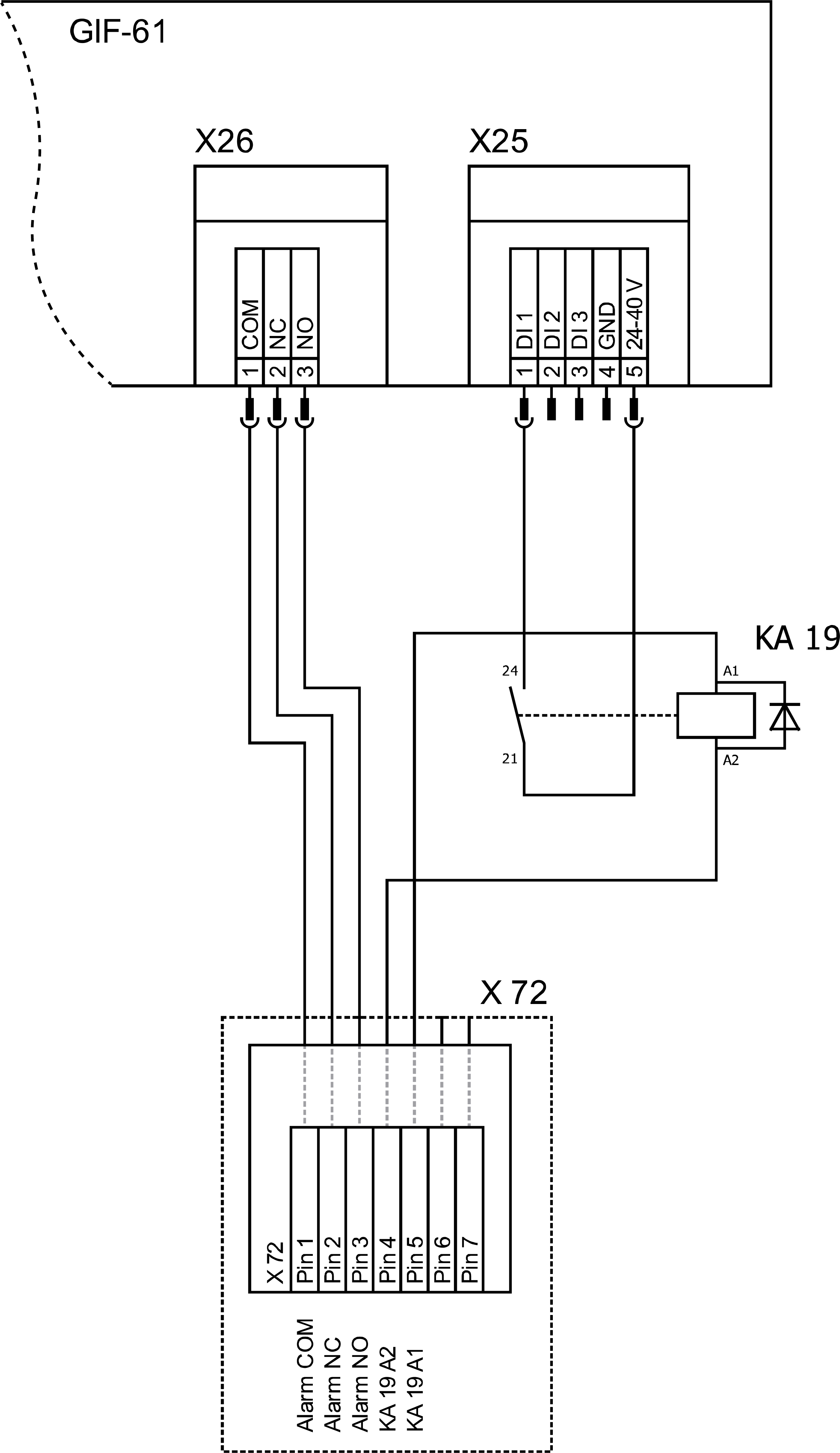
Šioje versijoje įrenginys yra papildomas “suslėgtojo oro išėjimas” (KA 19), kuris gali būti naudojamas saugiai išjungti įrenginys. Veikimui “suslėgtojo oro išėjimas” (KA 19) turi būti tiekiama su išorine 24 VDC įtampa. Jei išorinė 24 VDC įtampa nutrūksta, “suslėgtojo oro išėjimas” (KA 19) išsijungia ir išjungia įrenginys per kontaktą be potencialo.

Keisti pripildymo ciklai|viršyti

Šiai versijai pagrindiniame lygiagretusis jungimas dalyje [Nustatymai] > [įvairios] reikalingi šie Nustatymai:

  • parametras [Saugus -OFF Per Ext. Kontaktas]
    → Įjunkite funkciją slankikliu ().
  • Nustatykite [Formos ištuštinimas temperatūra] parametras “90 °C”.

PASTABA!

Aptiktas naujas “variotherm” įrenginys. Parametras [Saugus. -OFF Per Ext. Kontaktas] įjungiamas, likusios išorinio valdiklio Funkcijos (perjungimo norminė reikšmė 1 arba 2) išjungiamos per kontaktą be potencialo.

Elektros schemos keitimas (ištrauka)

Keisti duomenų sąsajos

Legendos pasikeitimas

santrumpaPaskyrimasVykdymas
KA19Saugos išjungimas suslėgtojo oro išėjimas