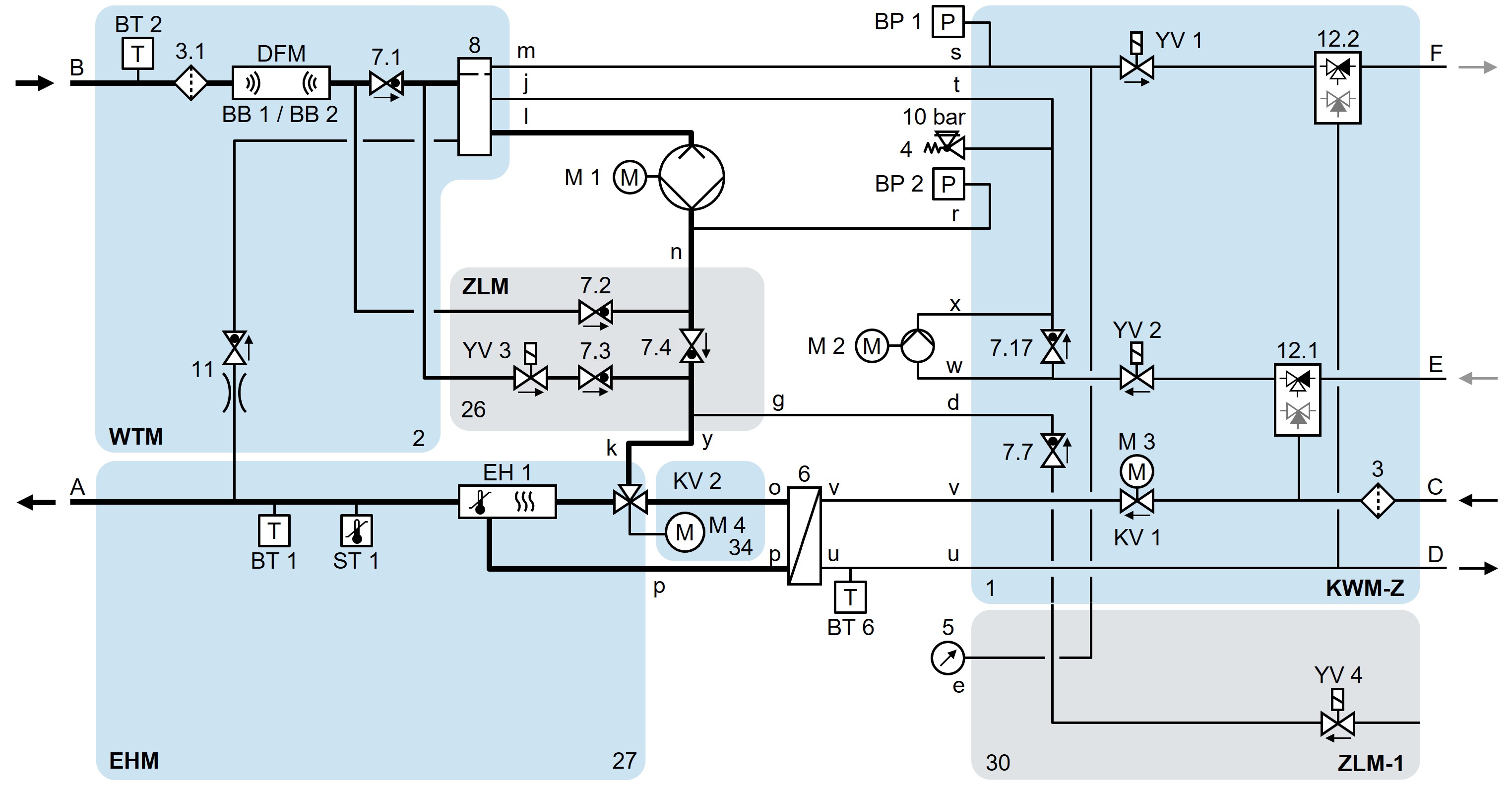
HB-140/160Z61/62-8/16-4S-A2

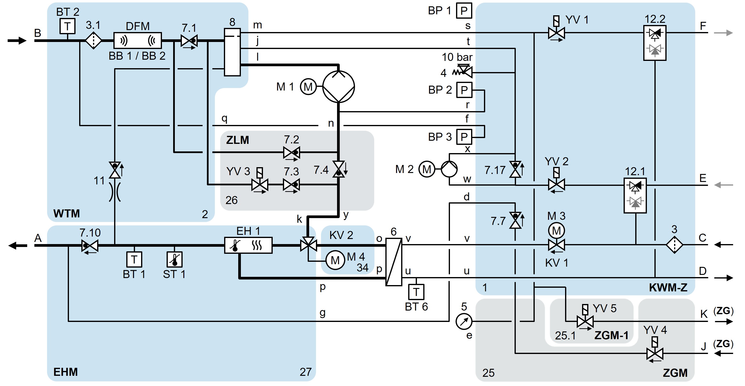
HB-140/160Z61/62-8/16-4S-A2-ZL

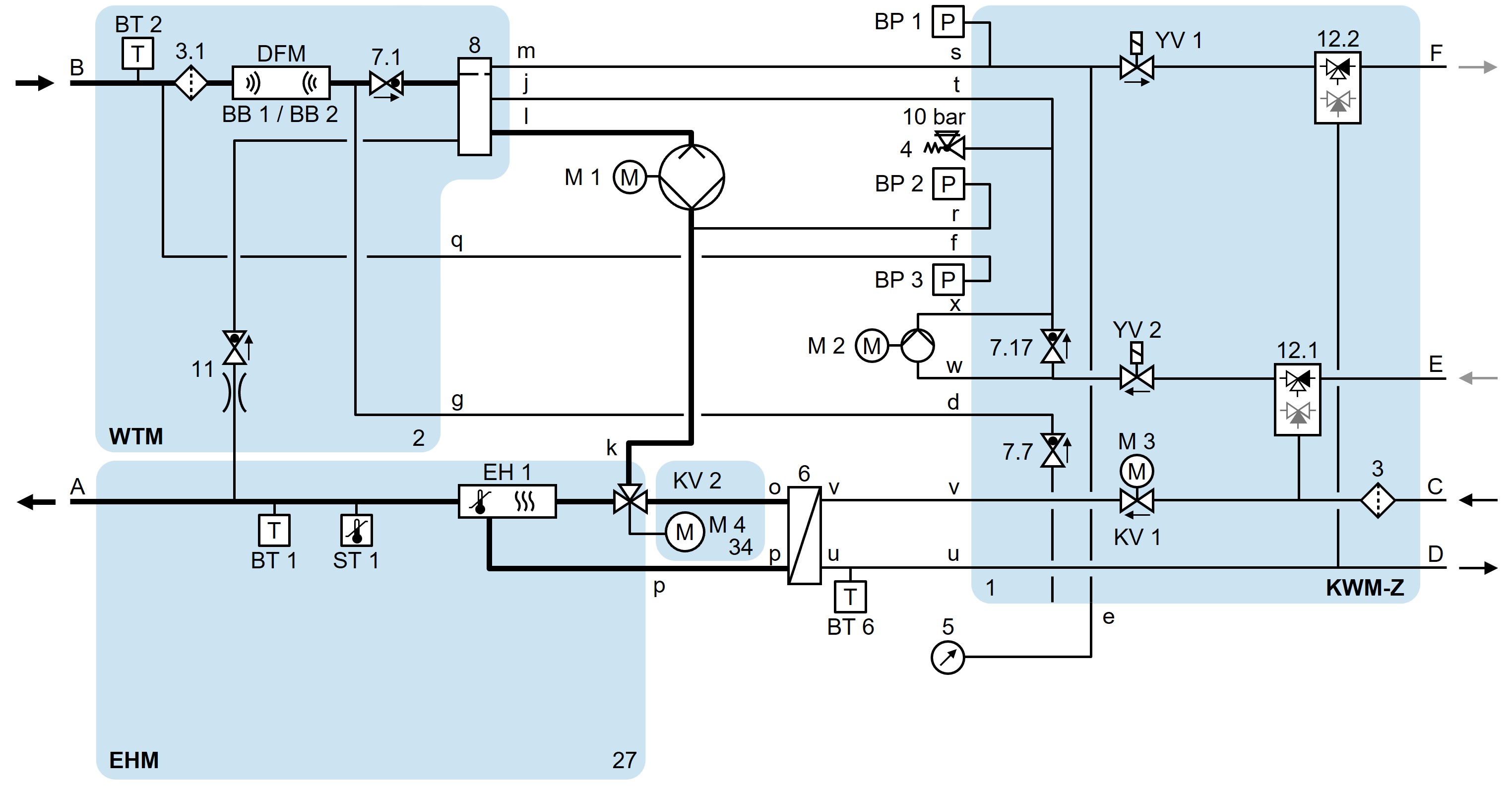
HB-140/160Z61/62-8/16-4S-A2-ZF

HB-140/160Z61/62-8/16-4S-A2-ZG

HB-140/160Z61/62-8/16-4S-A2-ZL-ZF-ZG

link图例