Özel versiyon (Ek A): Alarm ve harici kontrol yoluyla emniyetli kapatma

Açıklama

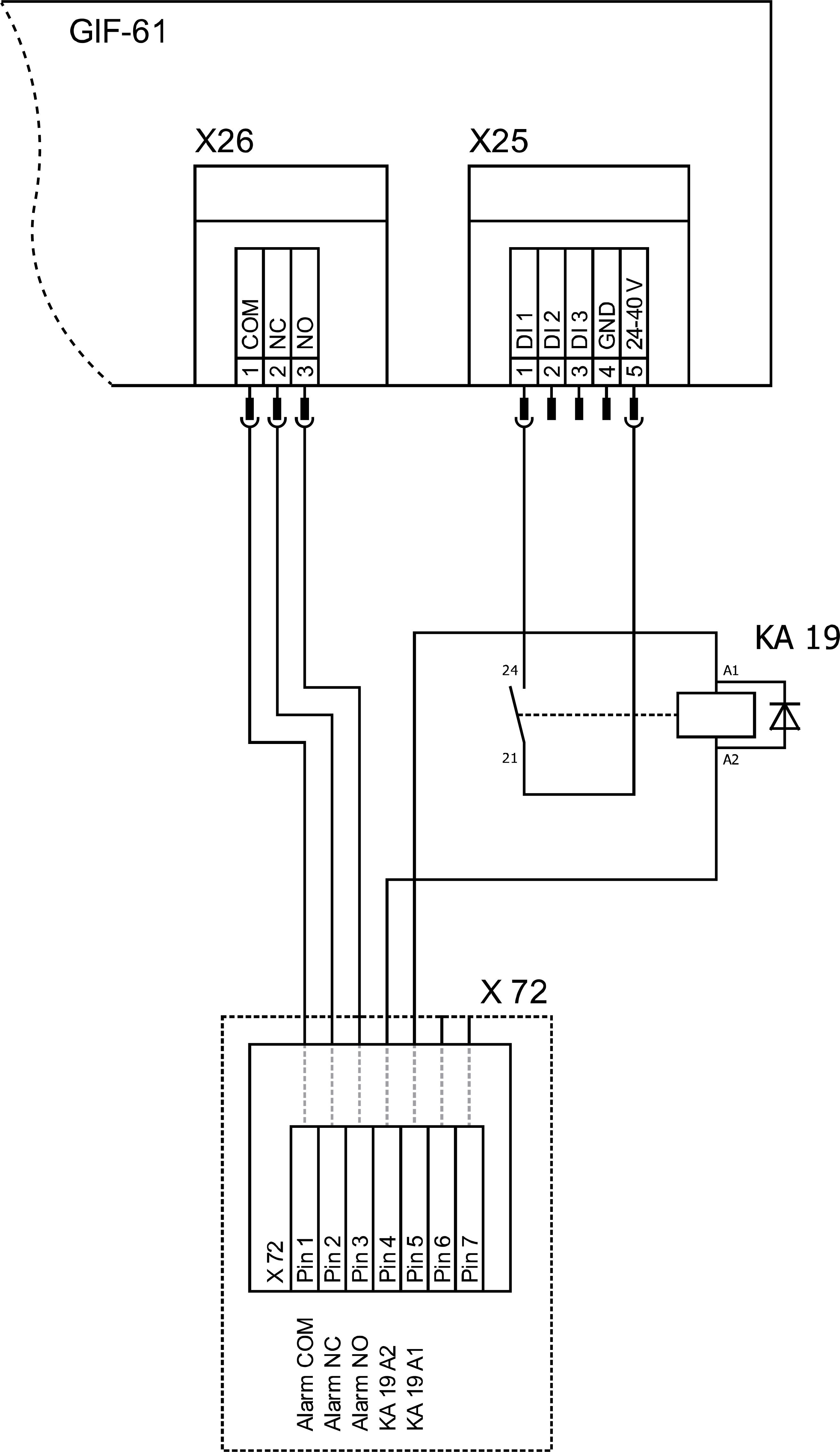
Bu versiyonda, cihaz, cihazı güvenli bir şekilde kapatmak için kullanılabilecek ek bir röle (KA 19) ile donatılmıştır. Çalıştırma için röle (KA 19) harici bir 24 VDC voltajı ile beslenmelidir. Harici 24 VDC voltajı kesilirse, röle (KA 19) kapanır ve cihazı potansiyelsiz bir kontak üzerinden kapatır.

Parametre ayarını değiştir

Bu sürüm için, [Ayarlar] > [Çeşitli] altındaki ana menüde aşağıdaki Ayar Gereklidir:

  • Parametreler [Dahili üzerinden güvenli -OFF. İletişim]
    → Kaydırıcı () ile işlevi çalıştırın.
  • [Kalıp boşaltılması sıcaklığı] parametrelerini “90° C” olarak ayarlayın.

NOT!

Parametreler [Güvenli. -Dahili Yoluyla KAPALI. Contact] açık, harici kontrolün kalan Fonksiyonları (anahtarlama hedef değeri 1 veya 2) potansiyelsiz kontak aracılığıyla devre dışı bırakılır.

Elektrik şeması değişikliği (alıntı)

Bileşen düzenlemesini değiştir

Efsane değişikliği

kısaltmaAdıyürütme
KA19Emniyet kapatma rölesi