Speciální verze (dodatek A): Bezpečnostní vypnutí pomocí alarmu a externí řídicí jednotka

Popis

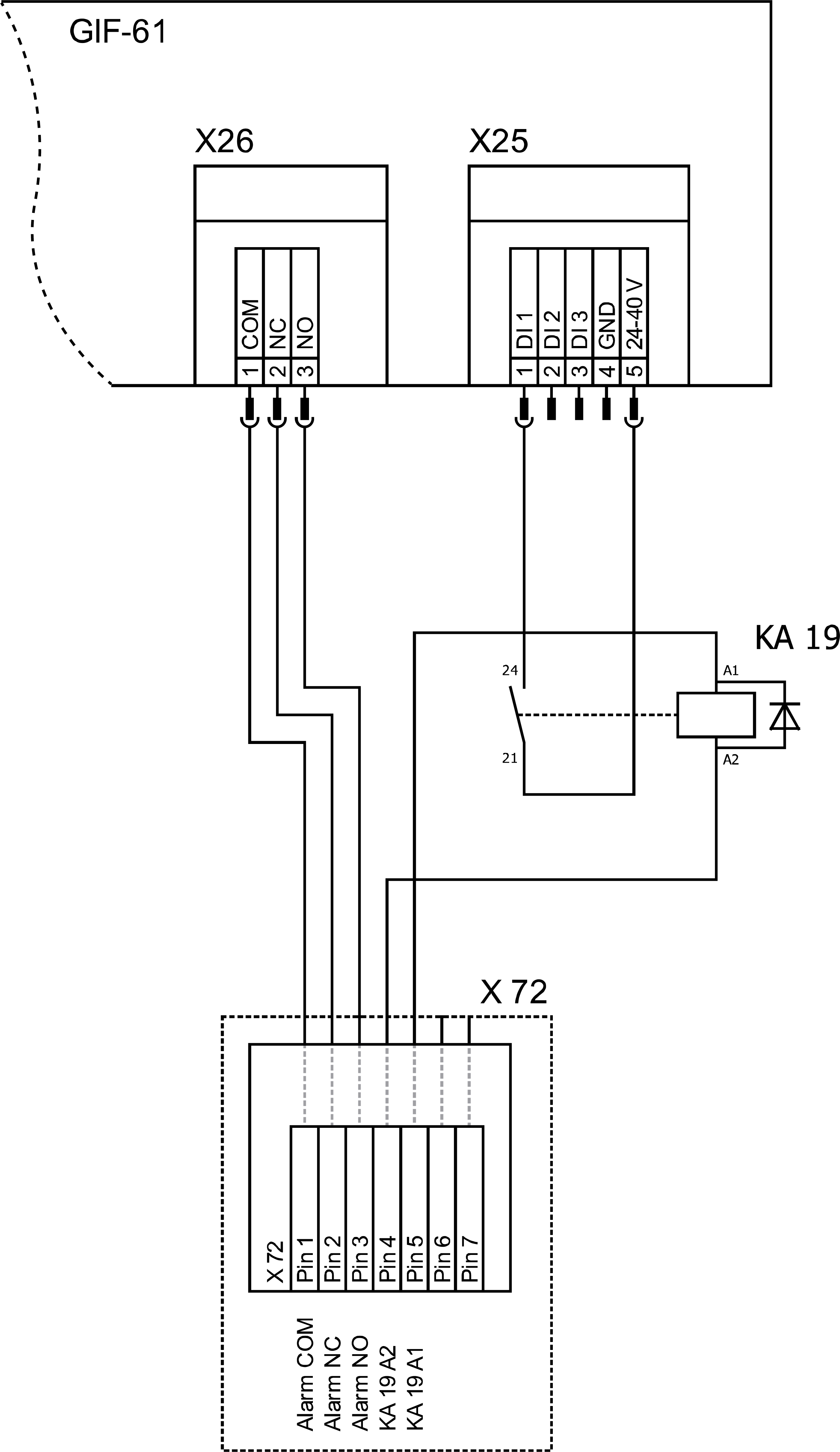
V této verzi je přístroj vybaven přídavným relé (KA 19), které lze použít k bezpečnému vypnutí zařízení. Pro provoz musí být relé (KA 19) napájeno externím napětím 24 VDC. Pokud dojde k přerušení externího napětí 24 VDC, relé (KA 19) se vypne a vypne přístroj bezpotenciálovým kontaktem.

změna nastavení parametrů

Pro tuto verzi je v hlavní nabídce v části [Nastavení] > [Různé] vyžadováno následující seřízení:

  • Parametry [Bezpečné -OFF přes Ext. Kontakt]
    → zapnout funkci pomocí posuvníku ().
  • Nastavte Parametr [teplota vyprazdňování Formy] na „90° C“.

UPOZORNĚNÍ!

Jsou parametry [Bezpečné. -OFF přes Ext. Kontakt] je zapnutý, zbývající Funkce externí řídicí jednotka (spínací cílová hodnota 1 nebo 2) jsou deaktivovány prostřednictvím bezpotenciálového kontaktu.

Změna elektrického schématu (výňatek)

Uspořádání součástí změny

Legenda změna

zkratkaOznačenípoprava
KA19Bezpečnostní vypínací relé