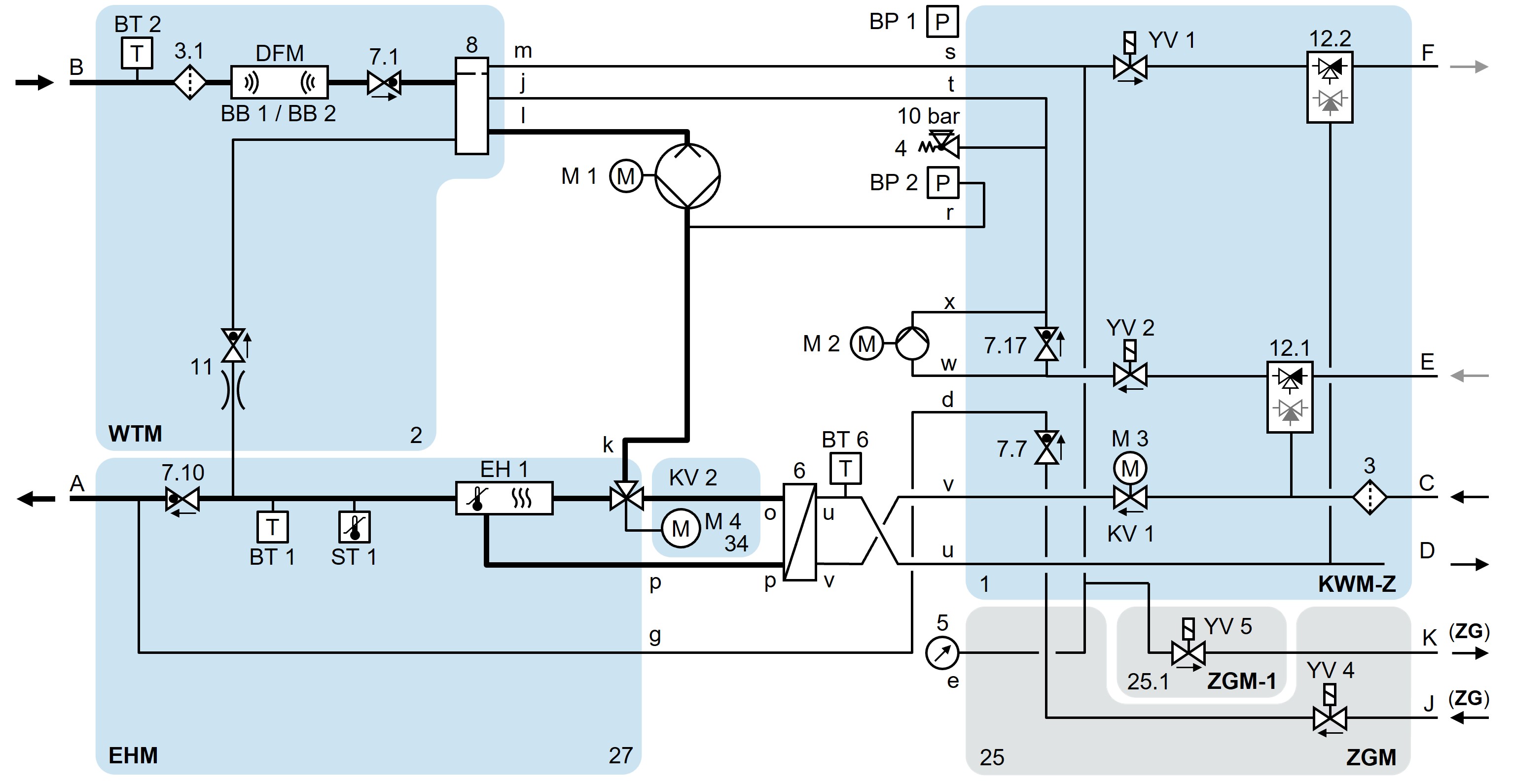
HB-140/160Z62-16-4S-B2

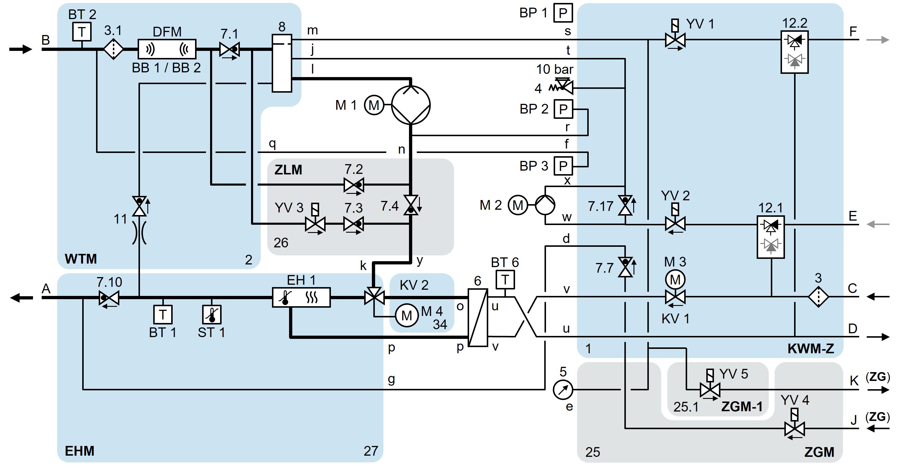
HB-140/160Z62-16-4S-B2-ZL

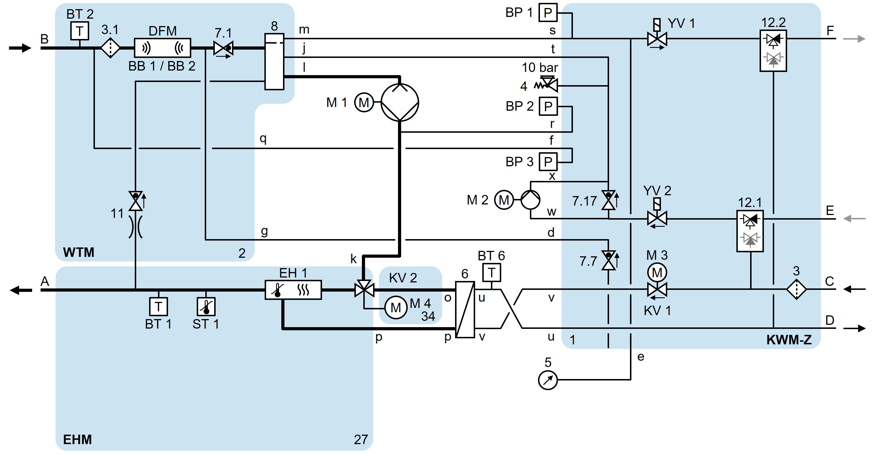
HB-140/160Z62-16-4S-B2-ZF

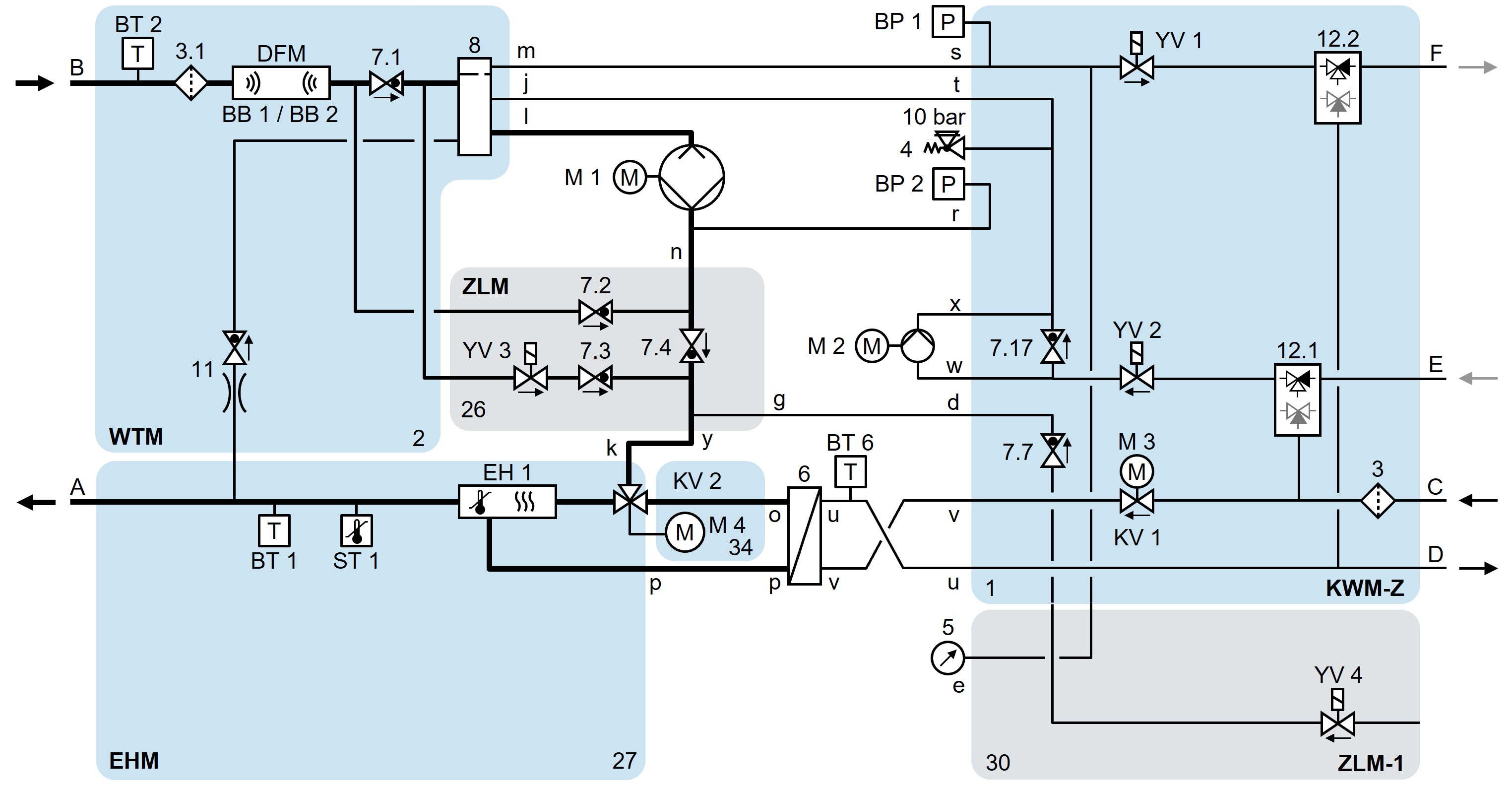
HB-140/160Z62-16-4S-B2-ZG

HB-140/160Z62-16-4S-B2-ZL-ZF-ZG

link Legende