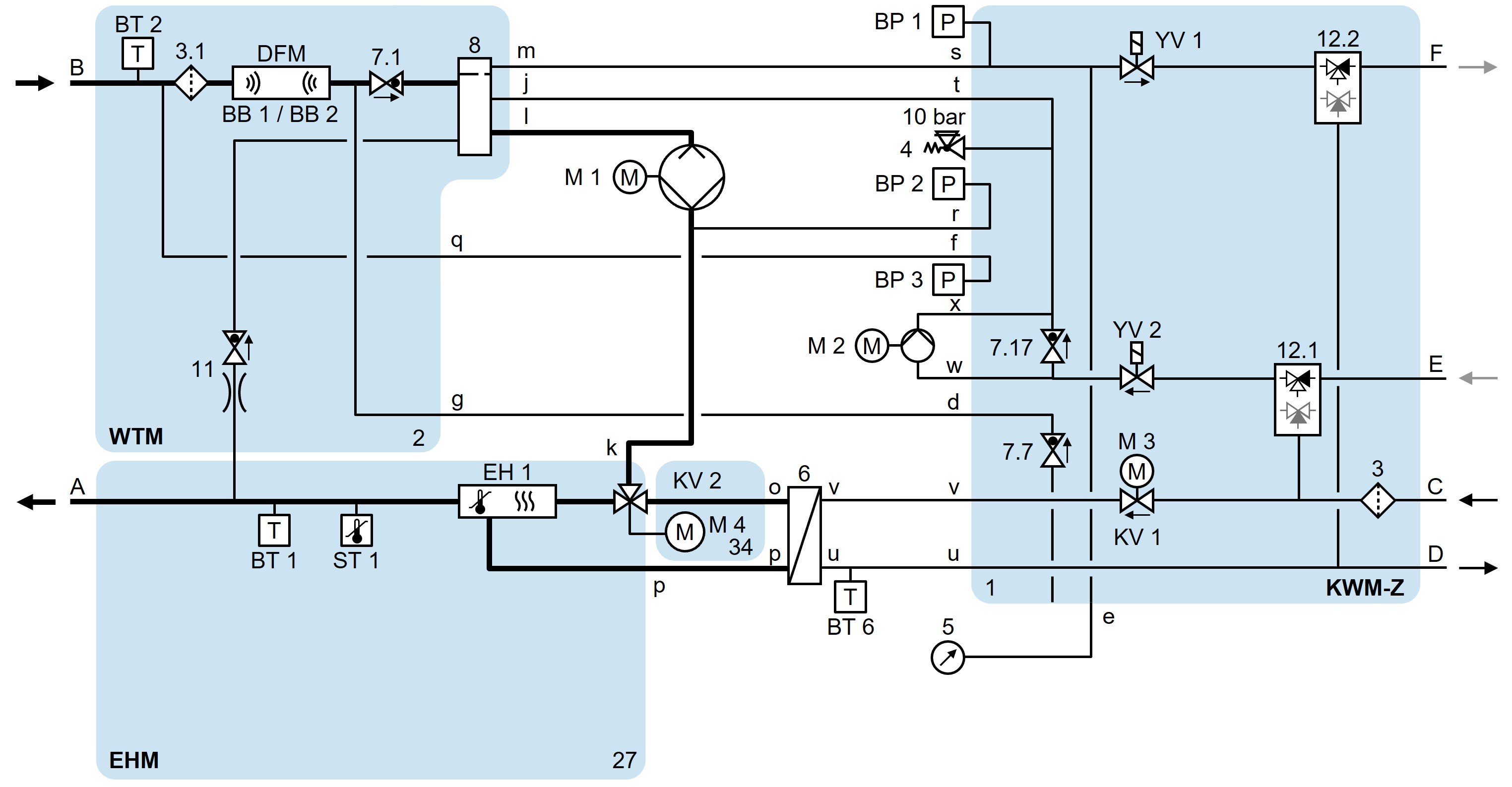
ΗΒ-140/160Ζ61/62-8/16-4S-Α2

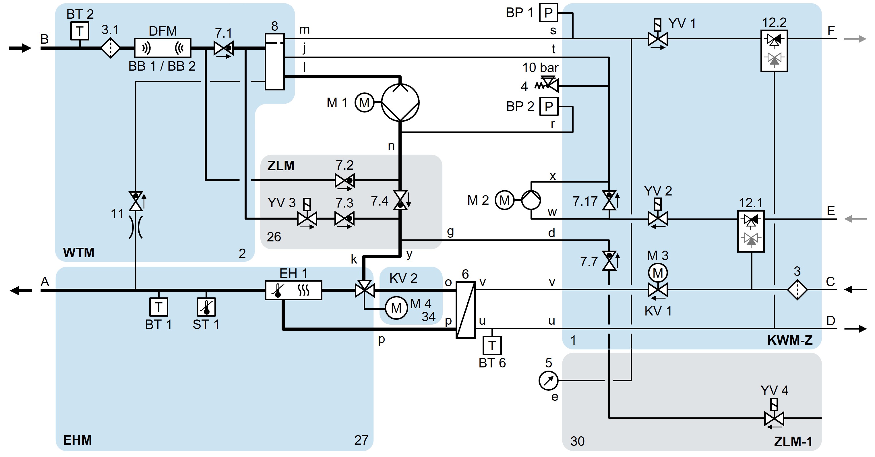
ΗΒ-140/160Ζ61/62-8/16-4S-Α2-ΖΛ

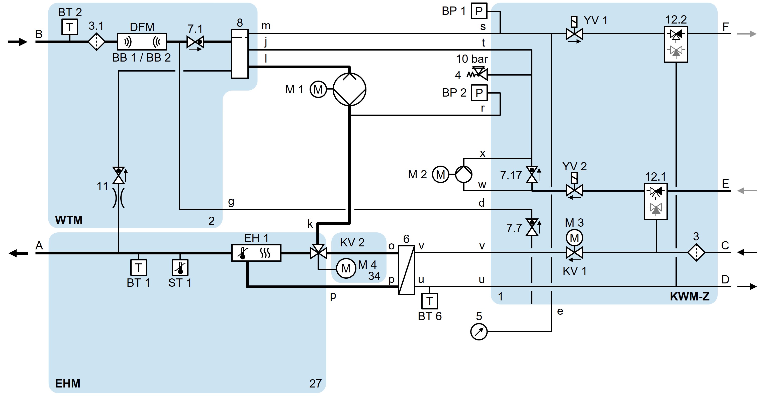
ΗΒ-140/160Ζ61/62-8/16-4S-Α2-ΖΦ

ΗΒ-140/160Ζ61/62-8/16-4S-Α2-ΖΓ

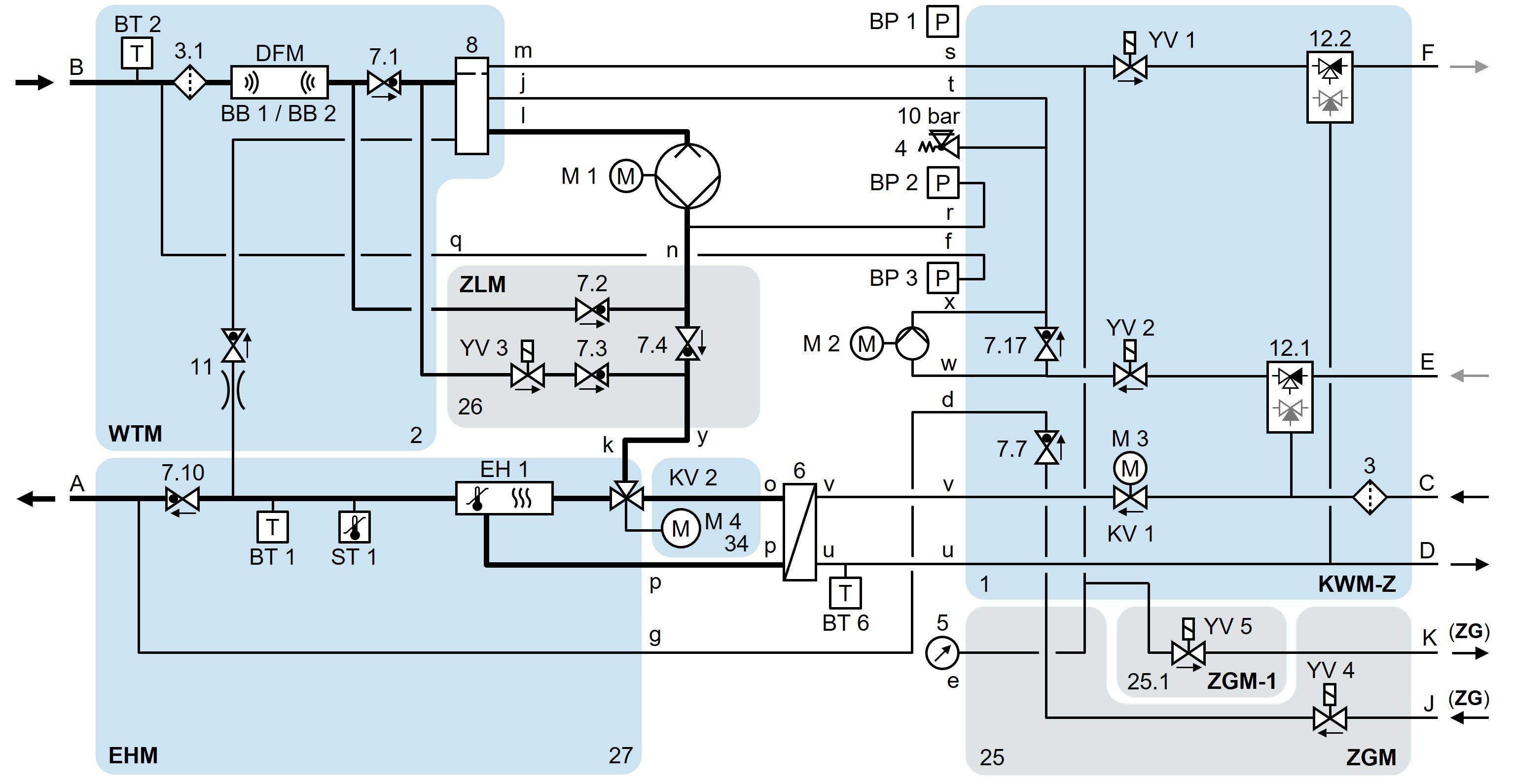
ΗΒ-140/160Ζ61/62-8/16-4S-Α2-ΖΛ-ΖΦ-ΖΖΓ

linkθρύλος