Duomenys keičiami tarp mašinos valdiklio ir “Thermo-6” Temperatūros valdymo blokas bloko per sąsajų serveris. Gate-6Norėdami valdyti Temperatūros valdymo blokas bloką per išorinį valdiklį, spustelėkite čia...

Ethernet

  • Ethernet sąsaja, OPC UA (EUROMAP 82.1 Release 1.01 / OPC 40082-1)skirta prijungti ne daugiau kaip 16 “Thermo-6” temperatūros reguliavimo įrenginių ir prijungti prie mašinos

  • Jungiklis su 2 lizdais RJ-45

PASTABA!

Visoms Ethernet jungtims turi būti naudojami ekranuoti 5 arba aukštesnės kategorijos kabeliai. Šie kabeliai yra prieinami iš standartinių mažmenininkų.

DIGITAL (ZD)

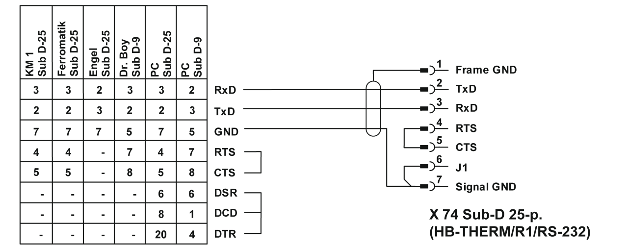
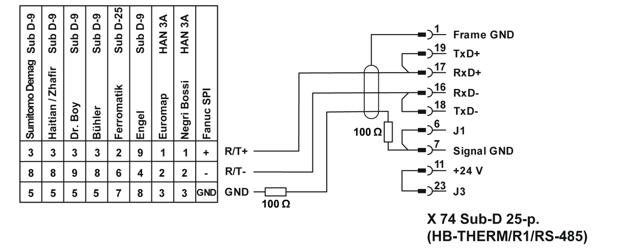
  • Serijinė Duomenys sąsaja 20 mA, RS-232, RS-422/485 (Billion, Bühler, Dr. Boy, Engel, Ferromatik Milacron, Haitian, KraussMaffei, Negri Bossi, SPI (Fanuc, etc.), Stork, Sumitomo Demag, Wittmann Battenfeld, Zhafir)

  • 1 25-pin Sub-D lizdas

  • Sąsajos kabelius galima rasti priedų kataloge

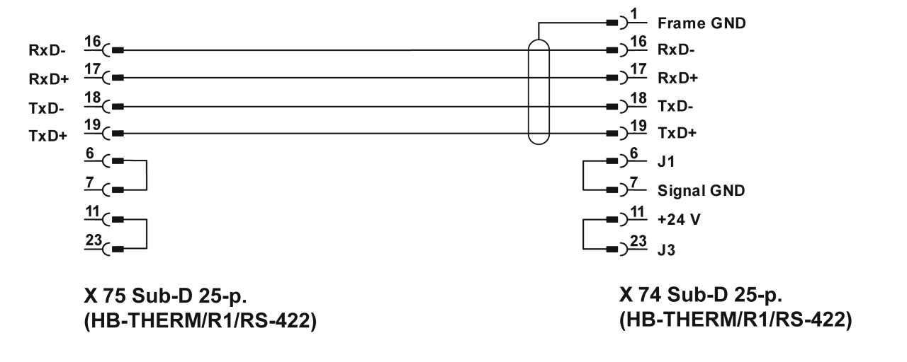
Kabelio kaiščio priskyrimas

20 mA(dabartinė kilpa)

RS-232

RS-485

RS-422(prijungimo kabelis)

CAN (ZC)

  • Serijinė Duomenys sąsaja CAN-Bus (Sumitomo Demag), CANopen (EUROMAP 66; Netstal, etc.)
  • 1 Sub-D 9 kontaktų lizdas
  • Sąsajos kabelius galima rasti priedų kataloge

Kabelio kaiščio priskyrimas

Adapteris (tik Demag mašinoms, O/ID T22590)

  • Demag: įrenginys 1 su adresu 13
  • “Netstal”: 1 įrenginys su adresu 31

PROFIBUS-DP (ZP)

  • Serijinė Duomenys sąsaja PROFIBUS-DPiki 4 temperatūros valdymo blokams
  • 1 Sub-D 9 kontaktų lizdas

PASTABA!

A tipo Profibus kabeliai turi būti naudojami Profibus jungtims. Šie kabeliai yra prieinami iš standartinių mažmenininkų.