Gegevens worden uitgewisseld tussen de machinebesturing en de Thermo-6 temperatuurregeleenheid via de interfaceserver. Gate-6Om het Tempereerapparaat via een externe controller te bedienen, klik hier... .Fernsteuerung 1 v2533

Ethernet

  • Ethernet-interface OPC UA (EUROMAP 82.1 Release 1.01 / OPC 40082-1)voor het aansluiten van maximaal 16 Thermo-6 temperatuurregeleenheden en voor aansluiting op de machine

  • Schakelaar met 2 stopcontacten RJ-45

OPMERKING!

Voor alle Ethernet-verbindingen moeten afgeschermde kabels van categorie 5 of hoger worden gebruikt. Deze kabels zijn verkrijgbaar bij standaard retailers.

DIGITAL (ZD)

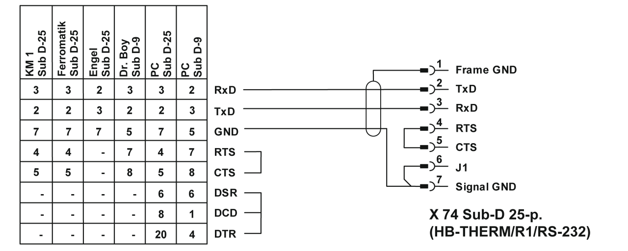
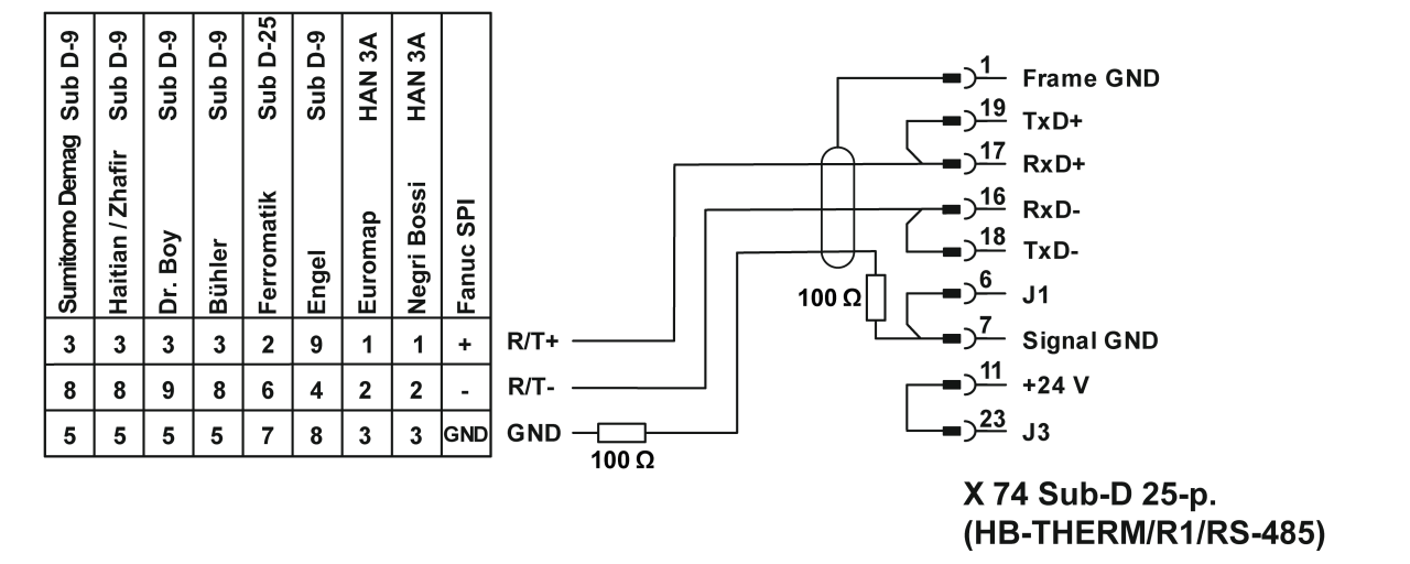
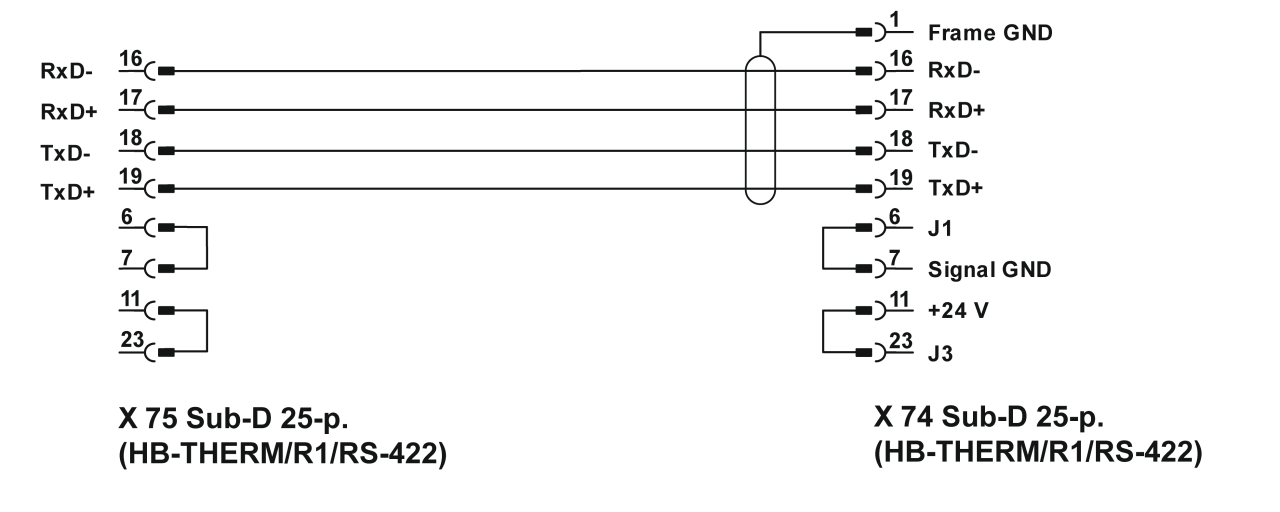
  • Seriële gegevensinterface 20 mA, RS-232, RS-422/485 (Billion, Bühler, Dr. Boy, Engel, Ferromatik Milacron, Haitian, KraussMaffei, Negri Bossi, SPI (Fanuc, etc.), Stork, Sumitomo Demag, Wittmann Battenfeld, Zhafir)

  • 1 Sub-D 25-polig aansluiting

  • Interfacekabels zijn te vinden in de accessoirecatalogus

Toewijzing van kabelpinnen

20 mA(current loop)

RS-232

RS-485

RS-422(aansluitkabel)

CAN (ZC)

  • Seriële gegevensinterface CAN-Bus (Sumitomo Demag), CANopen (EUROMAP 66; Netstal, etc.)
  • 1 Sub-D 9-polig aansluiting
  • Interfacekabels zijn te vinden in de accessoirecatalogus

Toewijzing van kabelpinnen

Adapter (alleen voor Demag-machines,) O/ID T22590

  • Demag: apparaat 1 met adres 13
  • Netstal: Apparaat 1 met adres 31

PROFIBUS-DP (ZP)

  • Seriële PROFIBUS-DPgegevensinterface voor maximaal 4 temperatuurregeleenheden
  • 1 9-polige Sub-D 9-polig

OPMERKING!

Profibus-kabels van het type A moeten worden gebruikt voor Profibus-verbindingen. Deze kabels zijn verkrijgbaar bij standaard retailers.