Veri, makine kontrolörü ile Thermo-6 Sıcaklık kontrol ünitesi arasında arayüz sunucusu üzerinden değiş tokuş edilir. Gate-6Sıcaklık kontrol ünitesini harici bir kontrolör üzerinden kontrol etmek için buraya tıklayın...

Ethernet

  • Maksimum 16 Thermo-6 sıcaklık kontrol ünitesini bağlamak ve makineye bağlantı için Ethernet arayüzü OPC UA (EUROMAP 82.1 Release 1.01 / OPC 40082-1)

  • 2 soketli anahtar RJ-45

NOT!

Tüm Ethernet bağlantıları için korumalı Kategori 5 veya daha yüksek kablolar kullanılmalıdır. Bu kablolar standart perakendecilerden temin edilebilir.

DIGITAL (ZD)

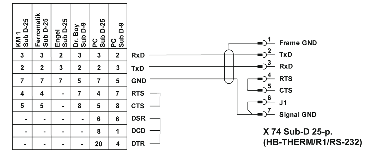
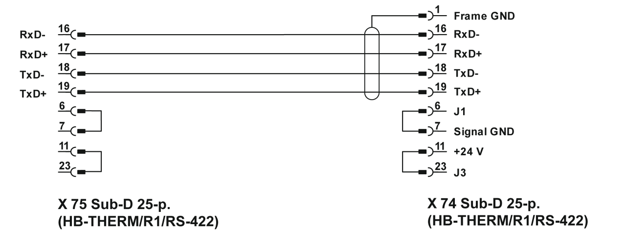
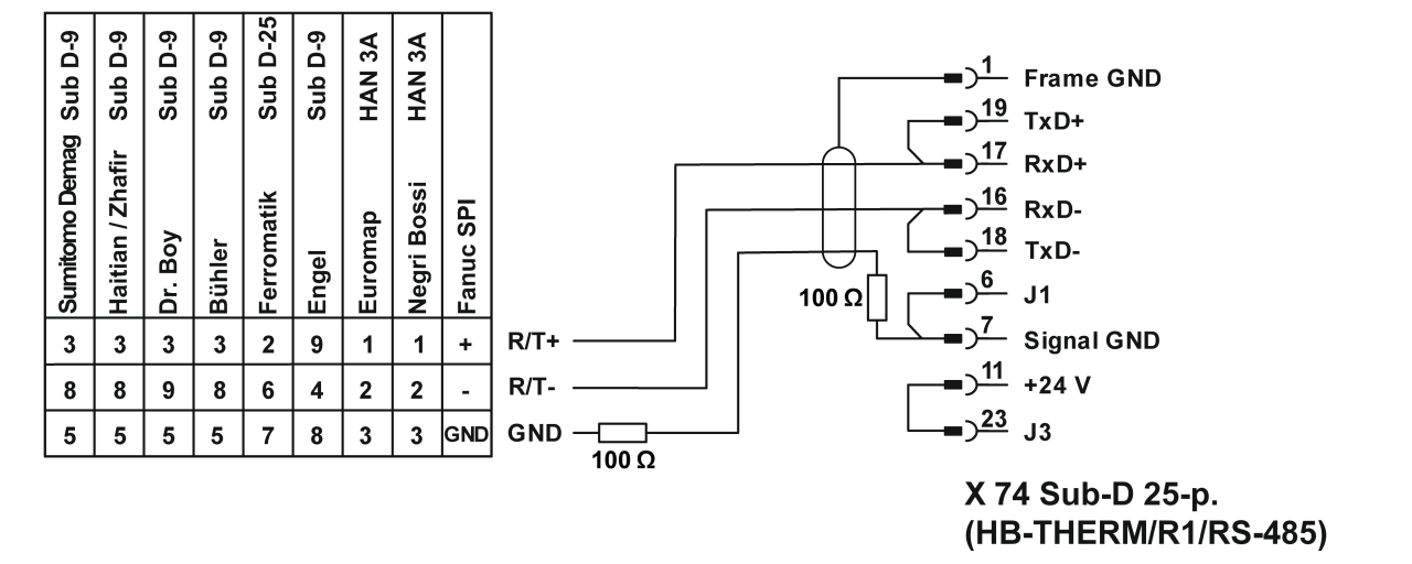
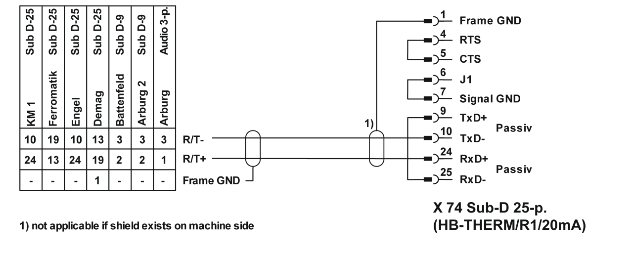
  • Seri veri arayüzü 20 mA, RS-232, RS-422/485 (Billion, Bühler, Dr. Boy, Engel, Ferromatik Milacron, Haitian, KraussMaffei, Negri Bossi, SPI (Fanuc, etc.), Stork, Sumitomo Demag, Wittmann Battenfeld, Zhafir)

  • 1 Soket Sub-D 25 pim (dişi)

  • Arabirim kabloları aksesuar kataloğunda bulunabilir

Kablo pimi ataması

20 mA(mevcut döngü)

RS-232

RS-485

RS-422(bağlantı kablosu)

CAN (ZC)

  • Seri veri arayüzü CAN-Bus (Sumitomo Demag), CANopen (EUROMAP 66; Netstal, etc.)
  • 1 Soket Sub-D 9 pim (dişi)
  • Arabirim kabloları aksesuar kataloğunda bulunabilir

Kablo pimi ataması

Adaptör (sadece Demag makineleri için,) O/ID T22590

  • Demag: adres 13 olan cihaz 1
  • Netstal: 31 adresli cihaz 1

PROFIBUS-DP (ZP)

  • 4 adede kadar sıcaklık kontrol ünitesi PROFIBUS-DPiçin seri veri arayüzü
  • 1 9 pinli Sub-D 9 pim soket

NOT!

Profibus bağlantıları için A Tipi Profibus kabloları kullanılmalıdır. Bu kablolar standart perakendecilerden temin edilebilir.