Der Datenaustausch erfolgt zwischen der Maschinensteuerung und dem Temperiergerät Thermo-6 über den Schnittstellen-Server Gate-6Um das Temperiergerät über eine externe Steuerung zu steuern, klick hier...

Ethernet

  • Ethernet-Schnittstelle OPC UA (EUROMAP 82.1 Release 1.01 / OPC 40082-1) zum Anschluss von maximal 16 Temperiergeräten Thermo-6 und zur Anbindung an die Maschine

  • Switch mit 2 Buchsen RJ-45

HINWEIS!

Für alle Ethernet-Verbindungen sind abgeschirmte Kabel der Kategorie 5 oder höher zu verwenden. Diese Kabel sind im handelsüblichen Fachhandel erhältlich.

DIGITAL (ZD)

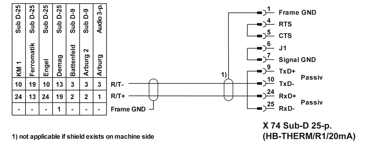
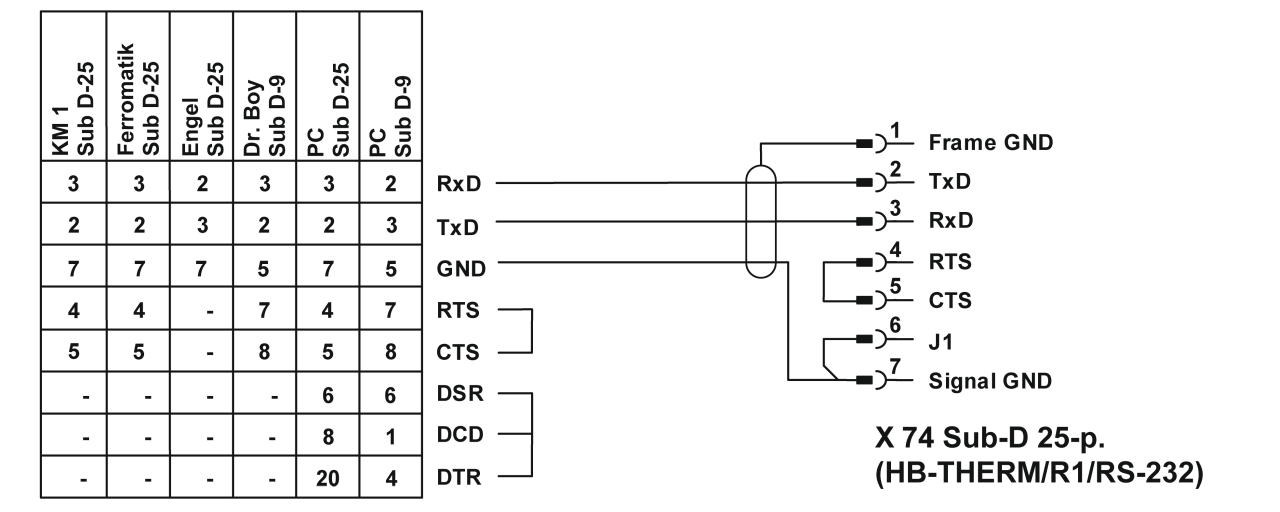
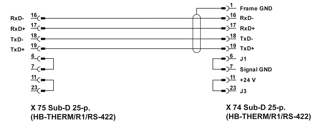
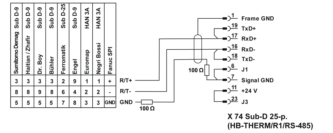
  • Serielle Datenschnittstelle 20 mA, RS-232, RS-422/485 (Billion, Bühler, Dr. Boy, Engel, Ferromatik Milacron, Haitian, KraussMaffei, Negri Bossi, SPI (Fanuc, etc.), Stork, Sumitomo Demag, Wittmann Battenfeld, Zhafir)

  • 1 Buchse Sub-D 25-polig

  • Schnittstellenkabel sind im Zubehörkatalog zu finden

Kabel Pinbelegung

20 mA (Stromschleife)

RS-232

RS-485

RS-422 (Verbindungskabel)

CAN (ZC)

  • Serielle Datenschnittstelle CAN-Bus (Sumitomo Demag), CANopen (EUROMAP 66; Netstal, etc.)
  • 1 Buchse Sub-D 9-polig
  • Schnittstellenkabel sind im Zubehörkatalog zu finden

Kabel Pinbelegung

Adapter (nur bei Demag Maschinen, O/ID T22590)

  • Demag: Gerät 1 mit Adresse 13
  • Netstal: Gerät 1 mit Adresse 31

PROFIBUS-DP (ZP)

  • Serielle Datenschnittstelle PROFIBUS-DP für maximal 4 Temperiergeräte
  • 1 Buchse Sub-D 9-polig

HINWEIS!

Für Profibus-Verbindungen sind Profibus-Kabel vom Typ A zu verwenden. Diese Kabel sind im handelsüblichen Fachhandel erhältlich.