HB-100Z62-16-4T-B2 (→ Clip...)

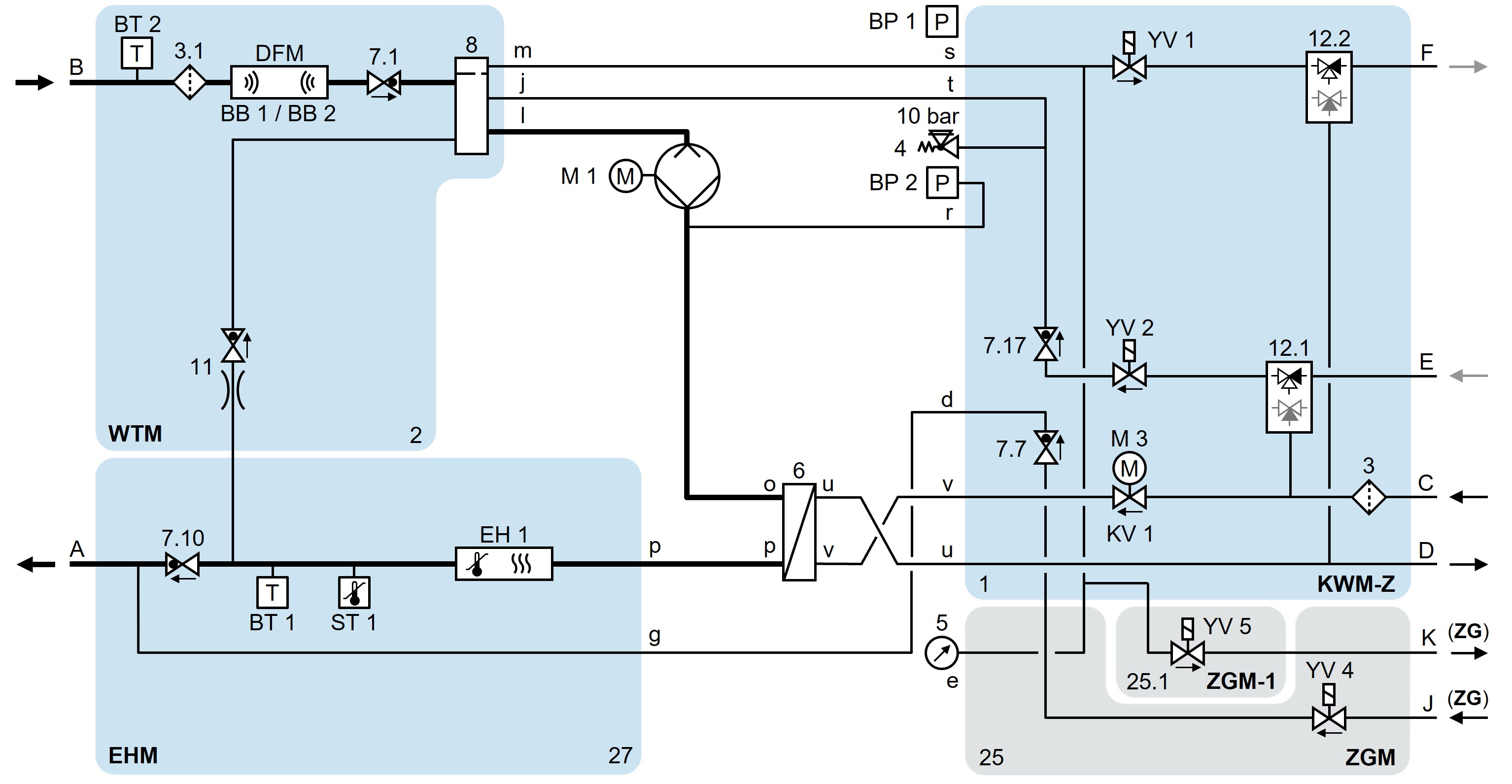
HB-100Z62-16-4T-B2-ZL (→ Clip...)

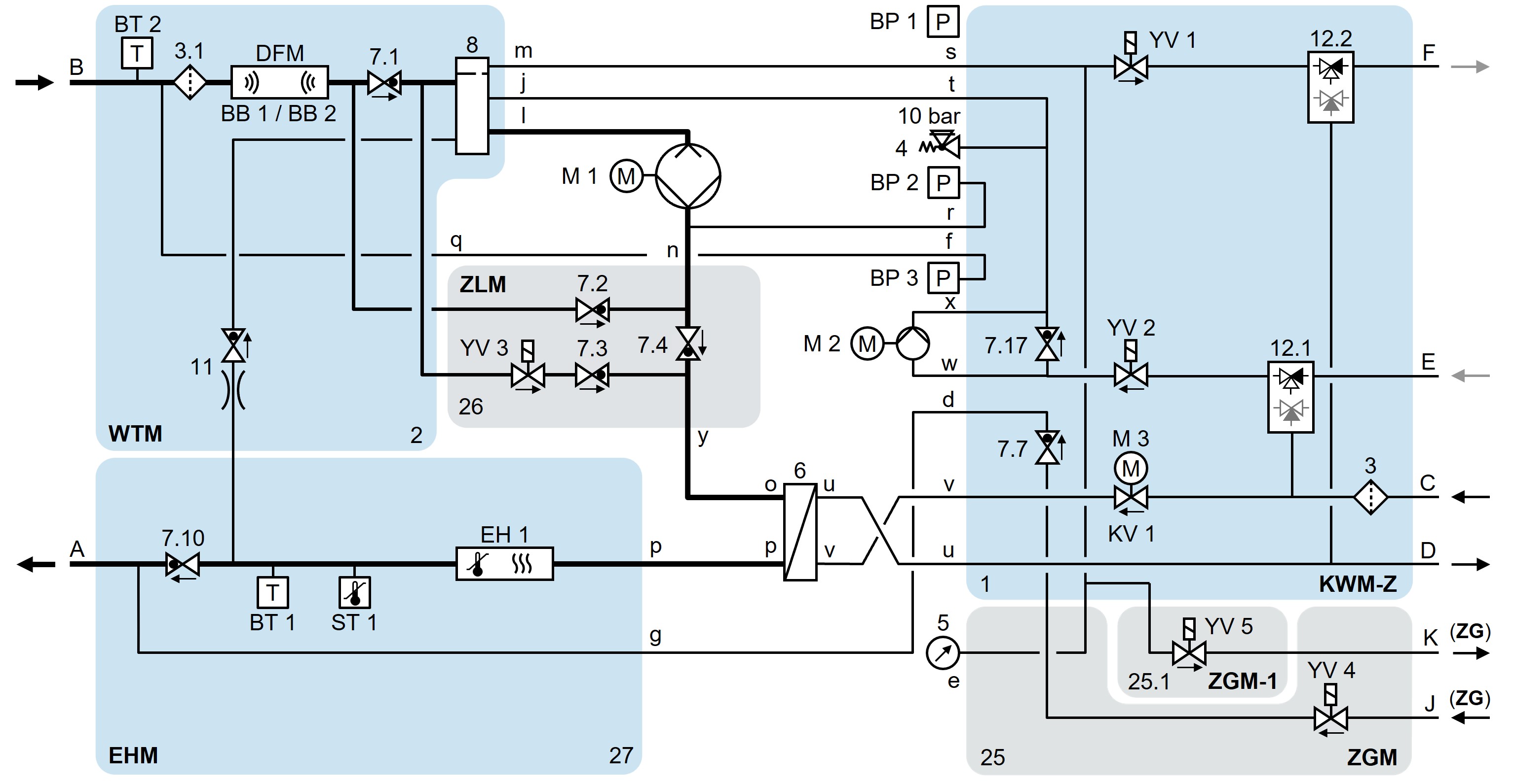
HB-100Z62-16-4T-B2-ZF

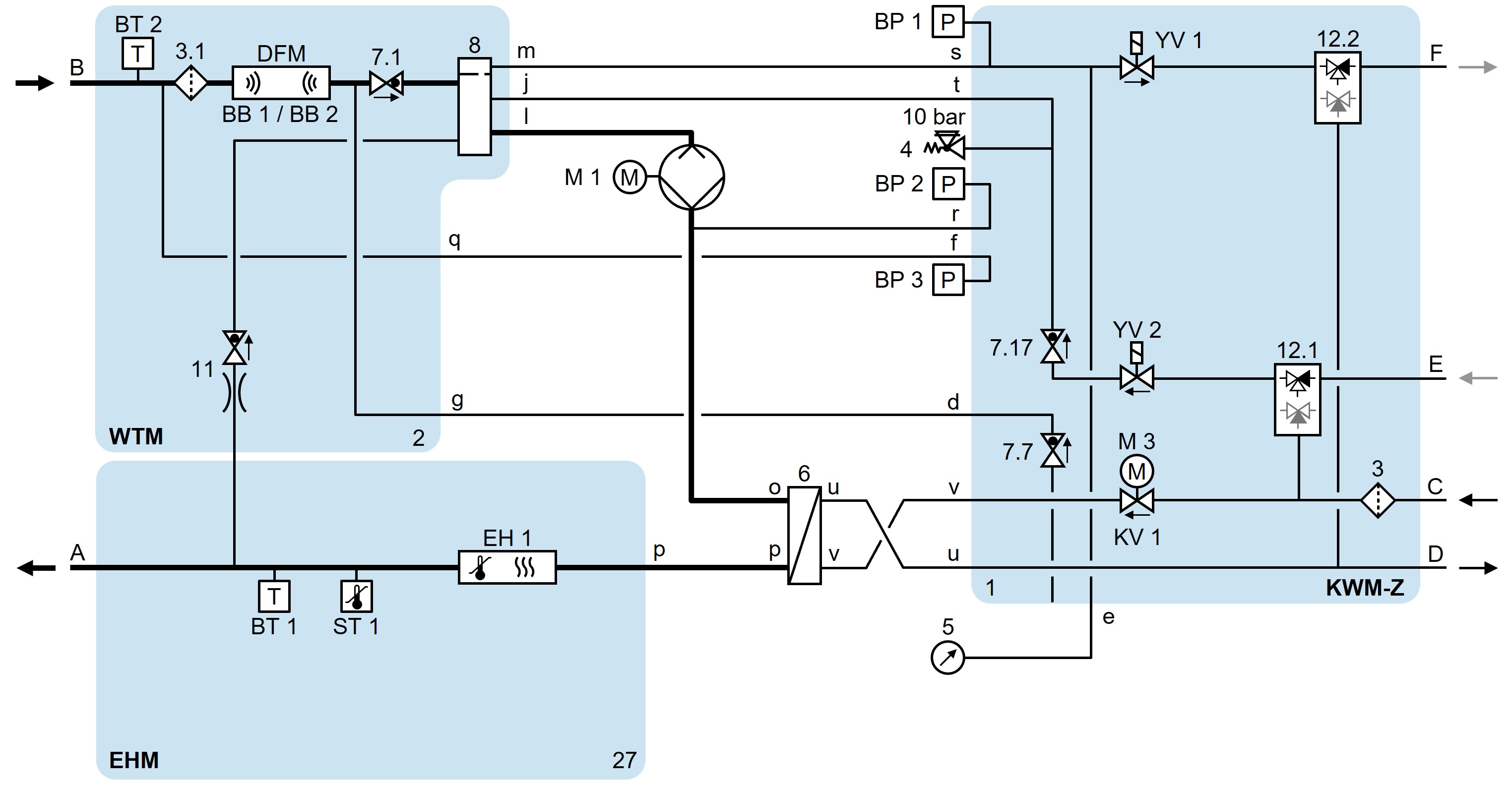
HB-100Z62-16-4T-B2-ZG (→ Clip...)


ΗΒ-100Ζ62-16-4Τ-Β2-ΖΓ

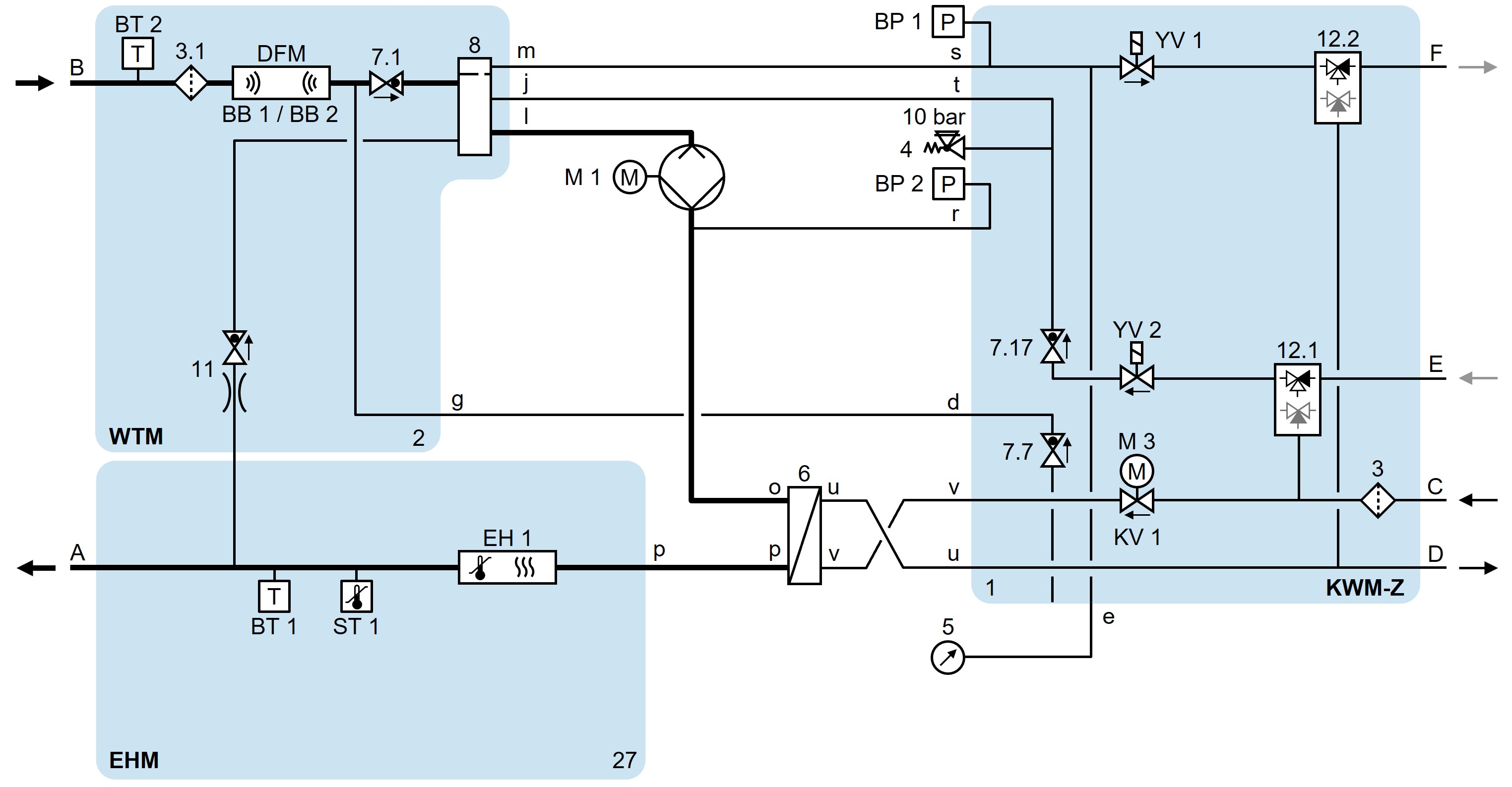
HB-100Z62-16-4T-B2-ZL-ZF-ZG

link_Θρύλος