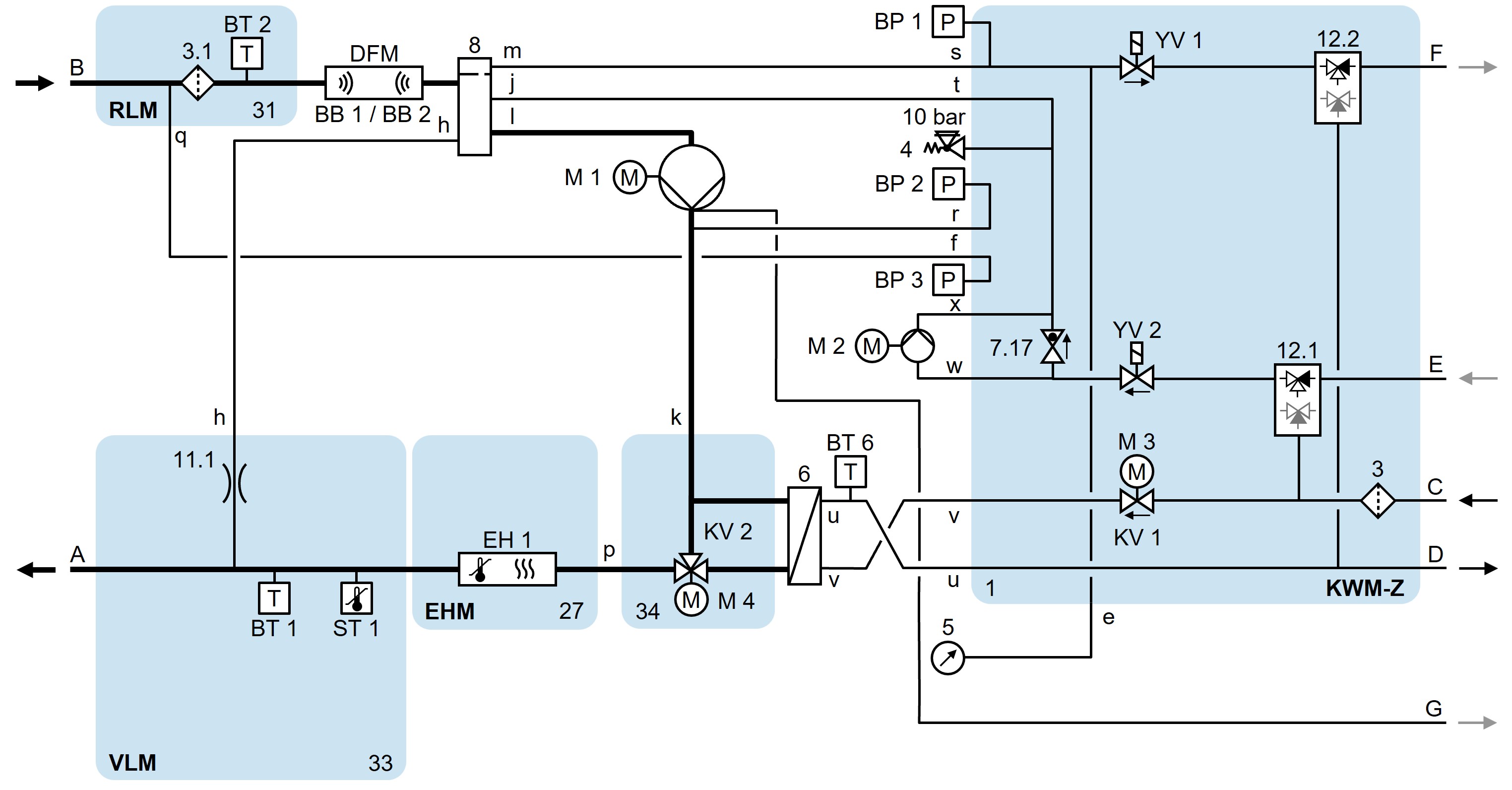
.Legende HB-100/140/160Z61 v2533ΗΒ-140/160Ζ62-16-6Ρ-Β2

ΗΒ-140/160Ζ62-16-6Ρ-Β2-ΖΦ

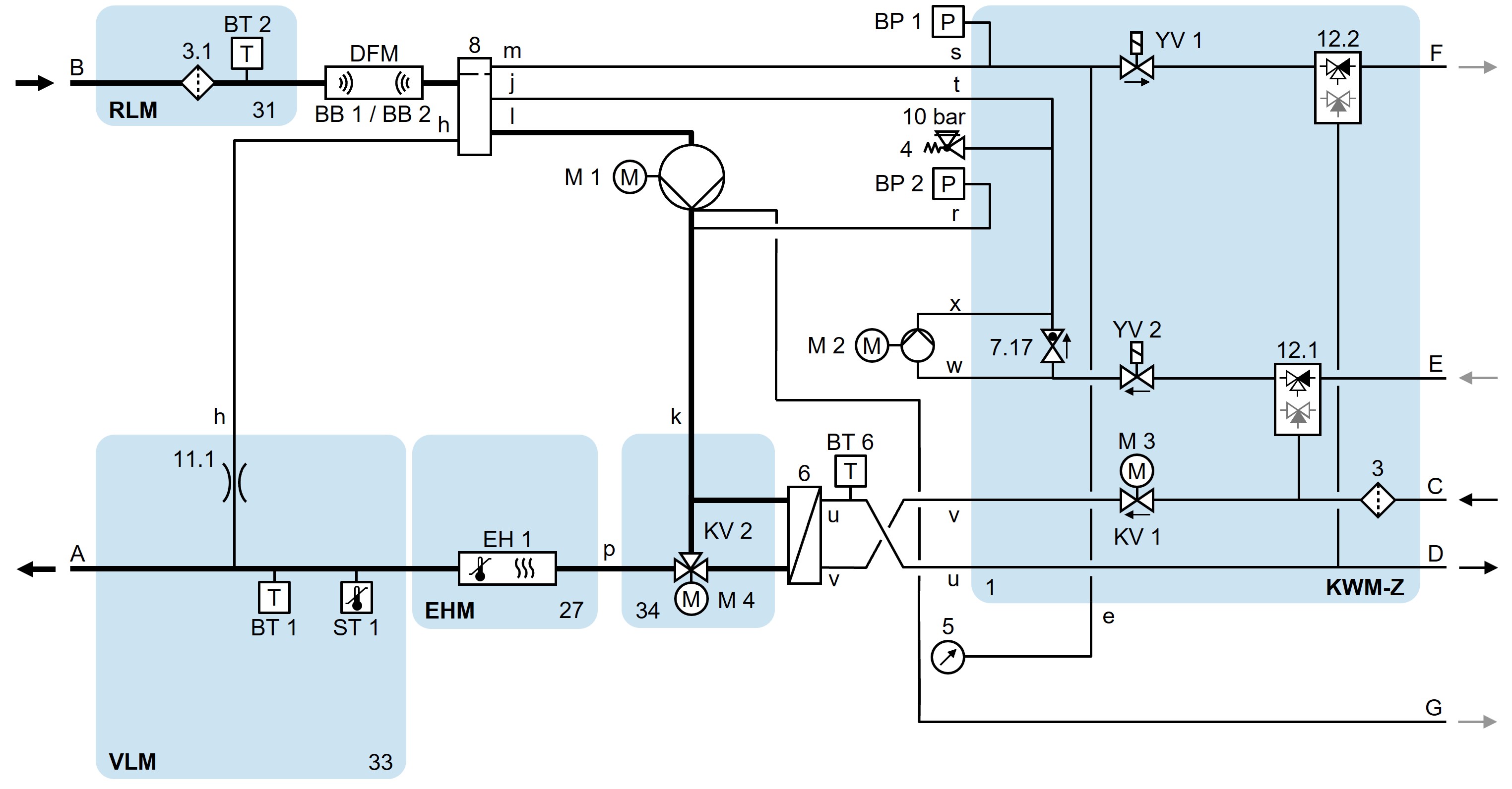
ΗΒ-140/160Ζ62-16-6Ρ-Ε2

ΗΒ-140/160Ζ62-16-6Ρ-Ε2-ΖΦ

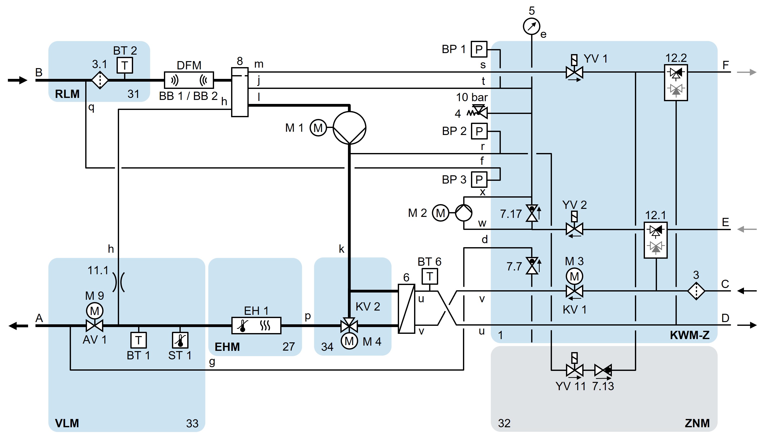
ΗΒ-140/160Ζ62-16-6Ρ-Β2/Ε2-ΖΦ-ΖΝ

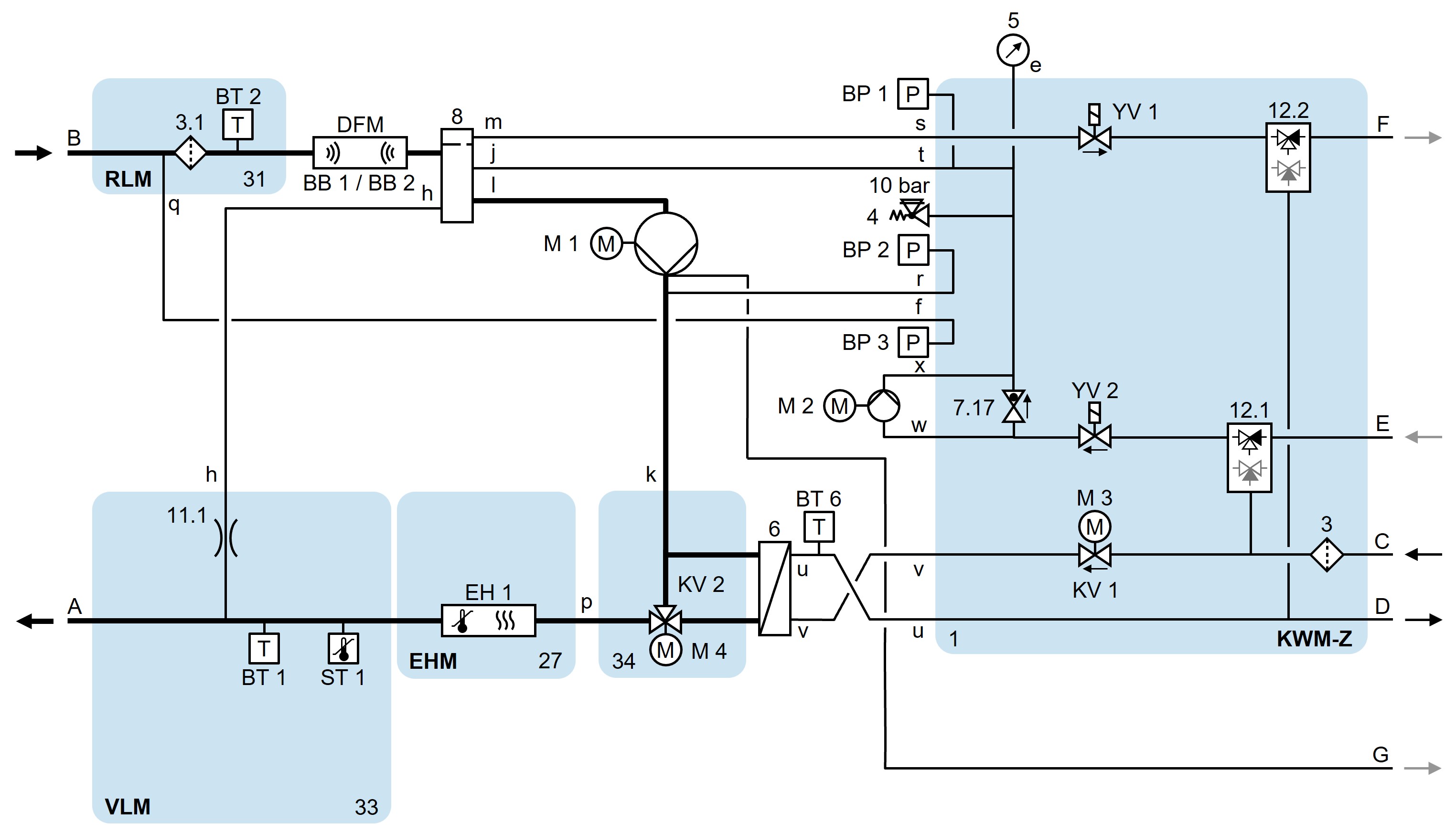
ΗΒ-140/160Ζ62-16-6Ρ-Β2/Ε2-ΖΦ-ΖΓ

linkθρύλος