Data is exchangedbetween the machine control and the Thermo-6 temperature control unit via the interface server. Gate-6To control system the temperature control unit via an external controller, click here...
Ethernet
Ethernet interface OPC UA (EUROMAP 82.1 Release 1.01 / OPC 40082-1)for connecting a maximum of 16 Thermo-6 temperature control units and for connection to the machine
Switch with 2 sockets RJ-45
NOTE!
Shielded Category 5 or higher cable be used for all Ethernet connections. These cable are available from standard retailers.
DIGITAL (ZD)
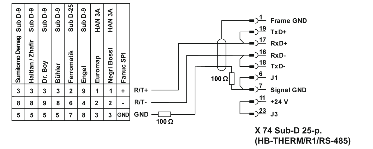
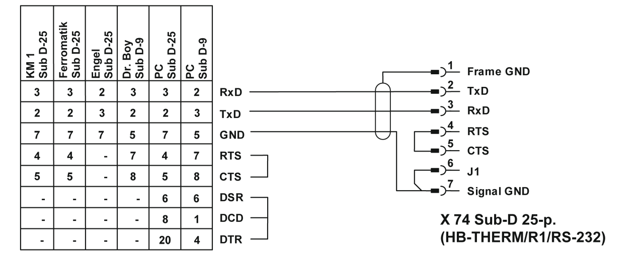
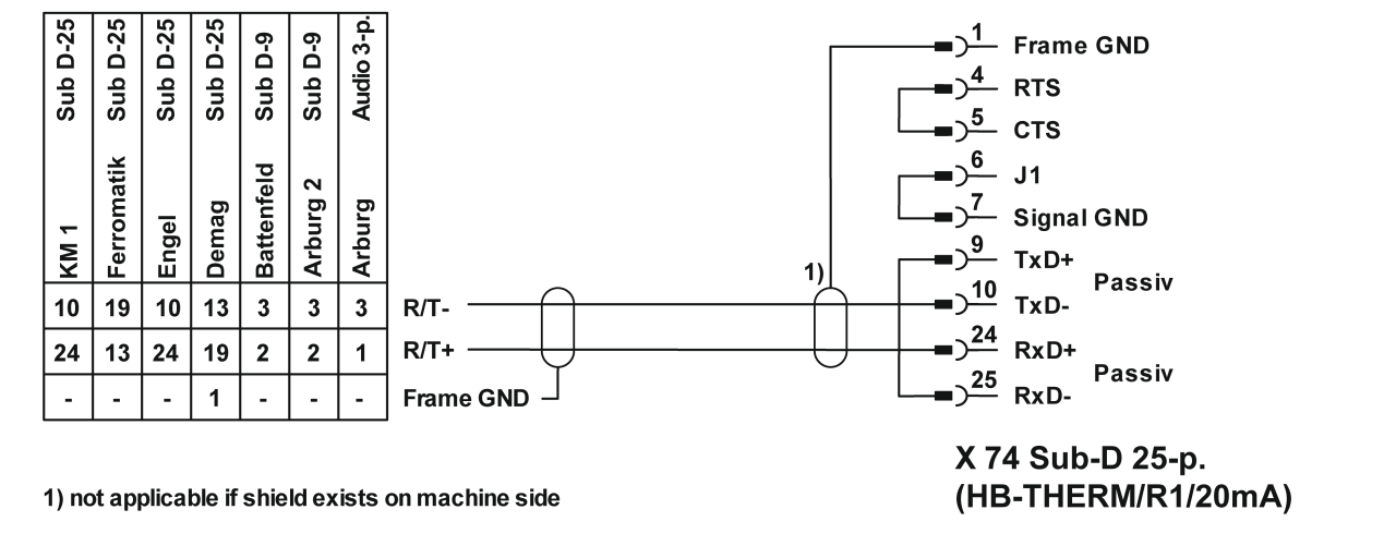
Serial data interface 20 mA, RS-232, RS-422/485 (Billion, Bühler, Dr. Boy, Engel, Ferromatik Milacron, Haitian, KraussMaffei, Negri Bossi, SPI (Fanuc, etc.), Stork, Sumitomo Demag, Wittmann Battenfeld, Zhafir)
1 socket Sub-D 25 pin (female)
Interface cables can be found in the accessories catalogue
Serial data interface PROFIBUS-DPfor up to 4 temperature control units
1 socket Sub-D 9 pin (female)
NOTE!
Type A Profibus cable must be used for Profibus connections. These cable are available from standard retailers.
Datenschutz - Data protection - Protection de données
Wir setzen Cookies ein, um Ihnen die Nutzung unserer Webseite zu erleichtern. Weitere Informationen zu Cookies finden Sie in unserer Datenschutzerklärung. We use cookies to help you use our website. More information about cookies can be found in our privacy policy. Notre site utilise des cookies afin de vous garantir un service optimal. En utilisant ce site web, vous acceptez les présentes conditions. Vous trouverez privacy policy de plus amples informations. Privacy Policy