Download page C8842: Turvasammutus hälytyksen ja ulkoisen koettimen avulla.
C8842: Turvasammutus hälytyksen ja ulkoisen koettimen avulla
Erikoisversio (liite A): Turvallisuussammutus hälytyksen ja ulkoisen koettimen avulla
Kuvaus
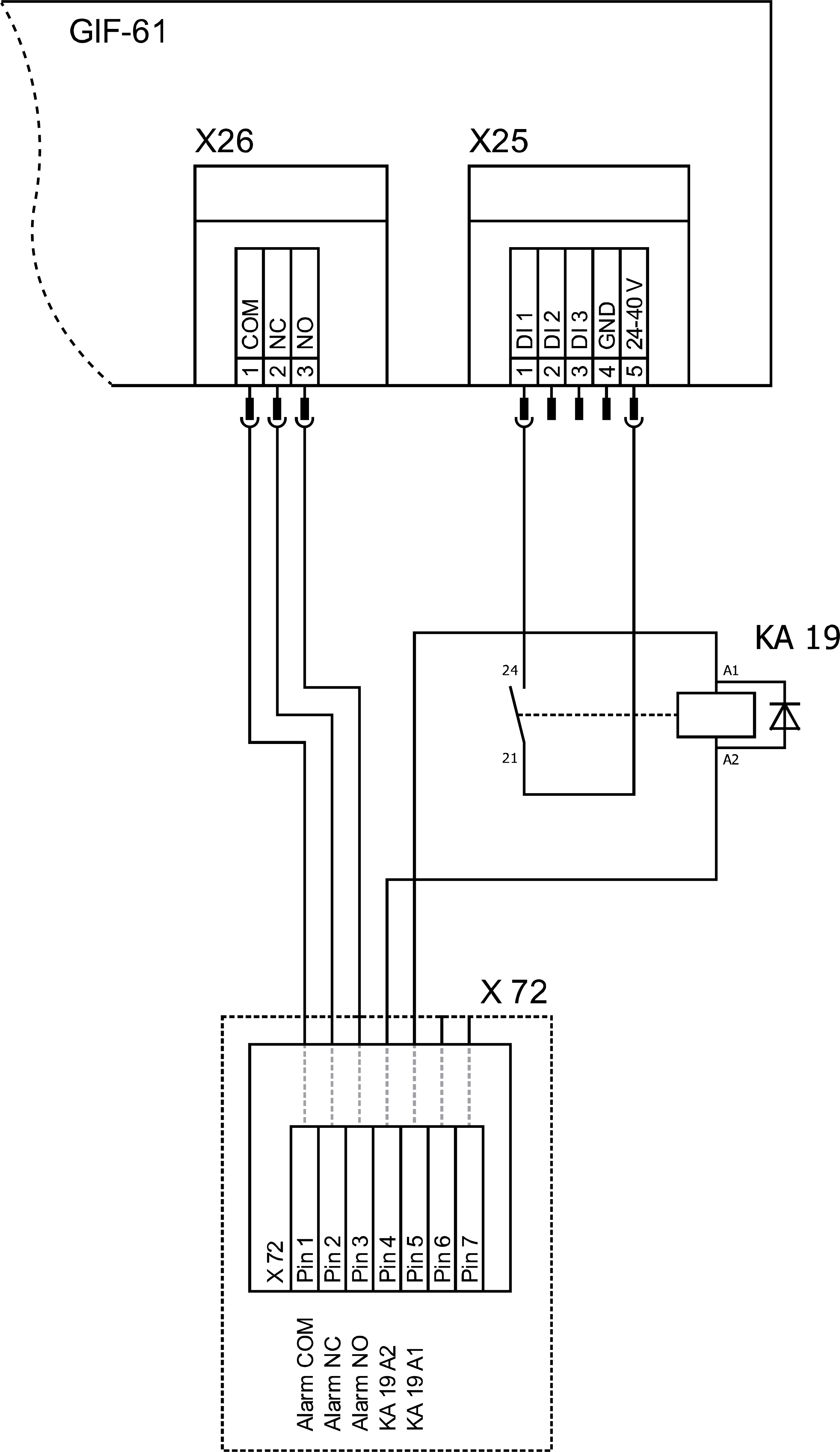
Tässä versiossa laite on varustettu lisäreleellä (KA 19), jota voidaan käyttää laitteen sammuttamiseen turvallisesti. Toimintaa varten rele (KA 19) on toimitettava ulkoisella 24 VDC: n jännitteellä. Jos ulkoinen 24 VDC jännite katkeaa, rele (KA 19) sammuu ja sammuttaa laitteen potentiaalittoman koskettimen kautta.
Muutosparametrien asetus
Tämän version päävalikossa vaaditaan seuraava Asetus kohdassa [Asetukset] > [Sekalaiset]:
Parametrit [Turvallinen -OFF Kautta Ext. Yhteystiedot] → kytke toiminto päälle liukusäätimellä ().
Onko parametrit [Turvallinen. -OFF Kautta Ext. Yhteystiedot] on kytketty päälle, loput Ominaisuudet ulkoisen koettimen ohjaus (kytkentä tavoitearvo 1 tai 2) deaktivoidaan potentiaalittoman koskettimen kautta.
Sähkökaavion muutos (ote)
Komponenttien järjestely
Legendan muutos
lyhenne
Kuvaus
teloitus
KA19
Turvallinen sammutusrele
Datenschutz - Data protection - Protection de données
Wir setzen Cookies ein, um Ihnen die Nutzung unserer Webseite zu erleichtern. Weitere Informationen zu Cookies finden Sie in unserer Datenschutzerklärung. We use cookies to help you use our website. More information about cookies can be found in our privacy policy. Notre site utilise des cookies afin de vous garantir un service optimal. En utilisant ce site web, vous acceptez les présentes conditions. Vous trouverez privacy policy de plus amples informations. Privacy Policy