Tietoja vaihdetaan koneen ohjauksen ja Thermo-6-lämpötilan säätöyksikön välillä rajapintapalvelimen kautta. Gate-6Voit säätää lämpötilan säätöyksikköä ulkoisen ohjaimen kautta napsauttamalla tätä... .Fernsteuerung 1 v2533

Ethernet

  • Ethernet-liitäntä enintään 16 Thermo-6-lämpötilansäätöyksikön kytkemiseen ja laitteeseen liittämistä OPC UA (EUROMAP 82.1 Release 1.01 / OPC 40082-1)varten

  • Kytkin, jossa on 2 pistorasiaa RJ-45

HUOMAUTUS!

Kaikissa Ethernet-yhteyksissä on käytettävä suojattuja luokan 5 tai uudempia kaapeleita. Nämä kaapelit ovat saatavana tavallisilta jälleenmyyjiltä.

DIGITAL (ZD)

  • Sarjan dataliitäntä 20 mA, RS-232, RS-422/485 (Billion, Bühler, Dr. Boy, Engel, Ferromatik Milacron, Haitian, KraussMaffei, Negri Bossi, SPI (Fanuc, etc.), Stork, Sumitomo Demag, Wittmann Battenfeld, Zhafir)

  • 1 liitin, Sub-D, 25-napainen

  • Liitäntäkaapelit löytyvät lisävarusteiden luettelosta

Kaapelin tapin määritys

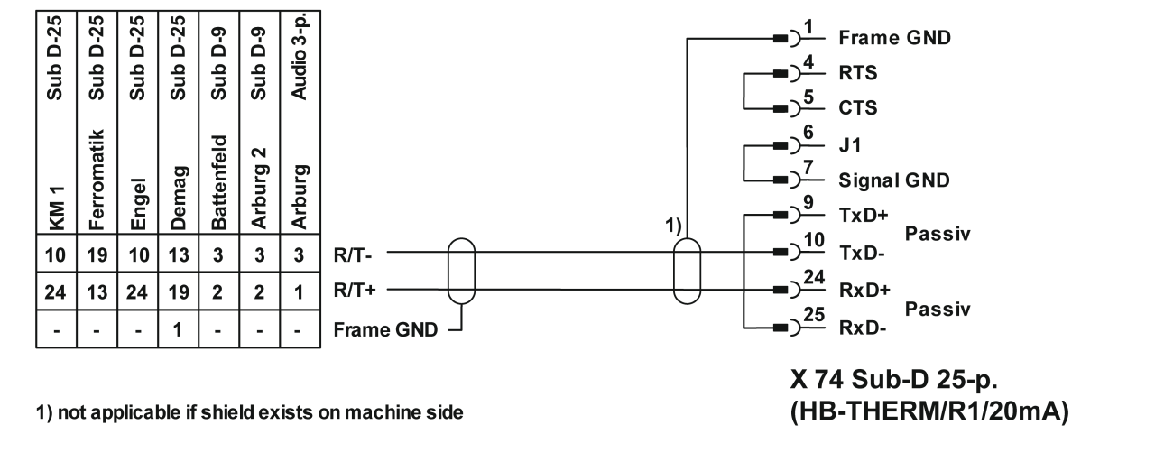
20 mA(current loop)

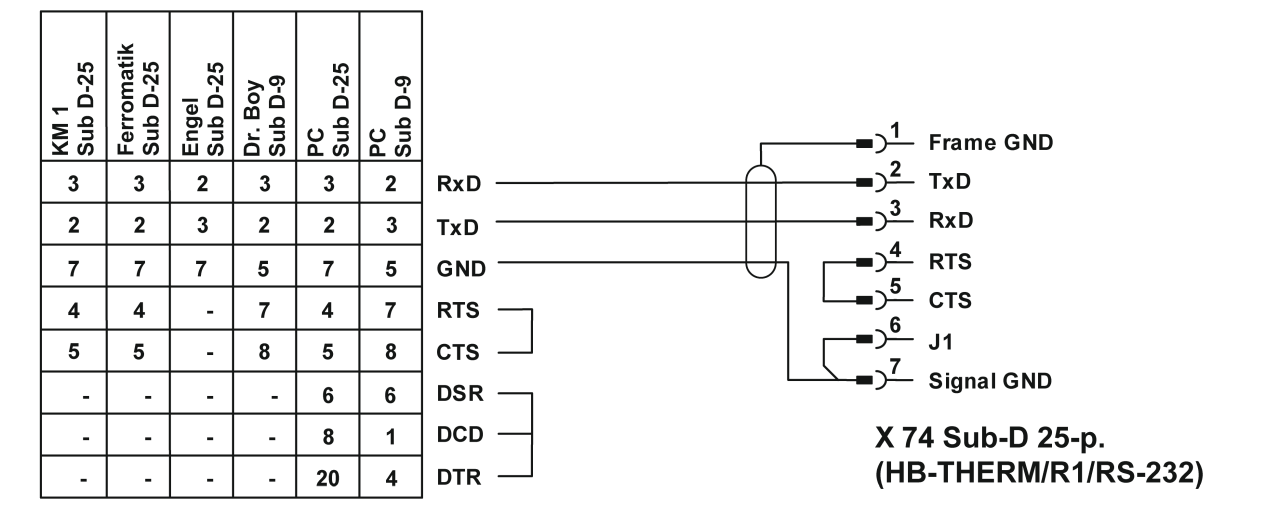
RS-232

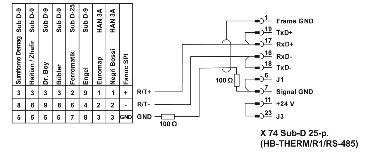
RS-485

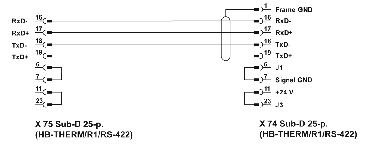
RS-422(liitäntäkaapeli)

CAN (ZC)

  • Sarjan dataliitäntä CAN-Bus (Sumitomo Demag), CANopen (EUROMAP 66; Netstal, etc.)
  • 1 liitin, Sub-D, 9-napainen
  • Liitäntäkaapelit löytyvät lisävarusteiden luettelosta

Kaapelin tapin määritys

Adapteri (vain Demag-koneisiin,) O/ID T22590

  • Demag: laite 1, osoite 13
  • Netstal: Laite 1, osoite 31

PROFIBUS-DP (ZP)

  • Sarjallinen PROFIBUS-DPdataliitäntä jopa neljälle lämpötilan säätöyksikölle
  • 1 9-nastainen Sub-D-liitin

HUOMAUTUS!

Profibus-yhteyksissä on käytettävä tyypin A Profibus-kaapeleita. Nämä kaapelit ovat saatavana tavallisilta jälleenmyyjiltä.