HB-140/160Z61/62-8/16-4S-A2

HB-140/160Z61/62-8/16-4S-A2-SL

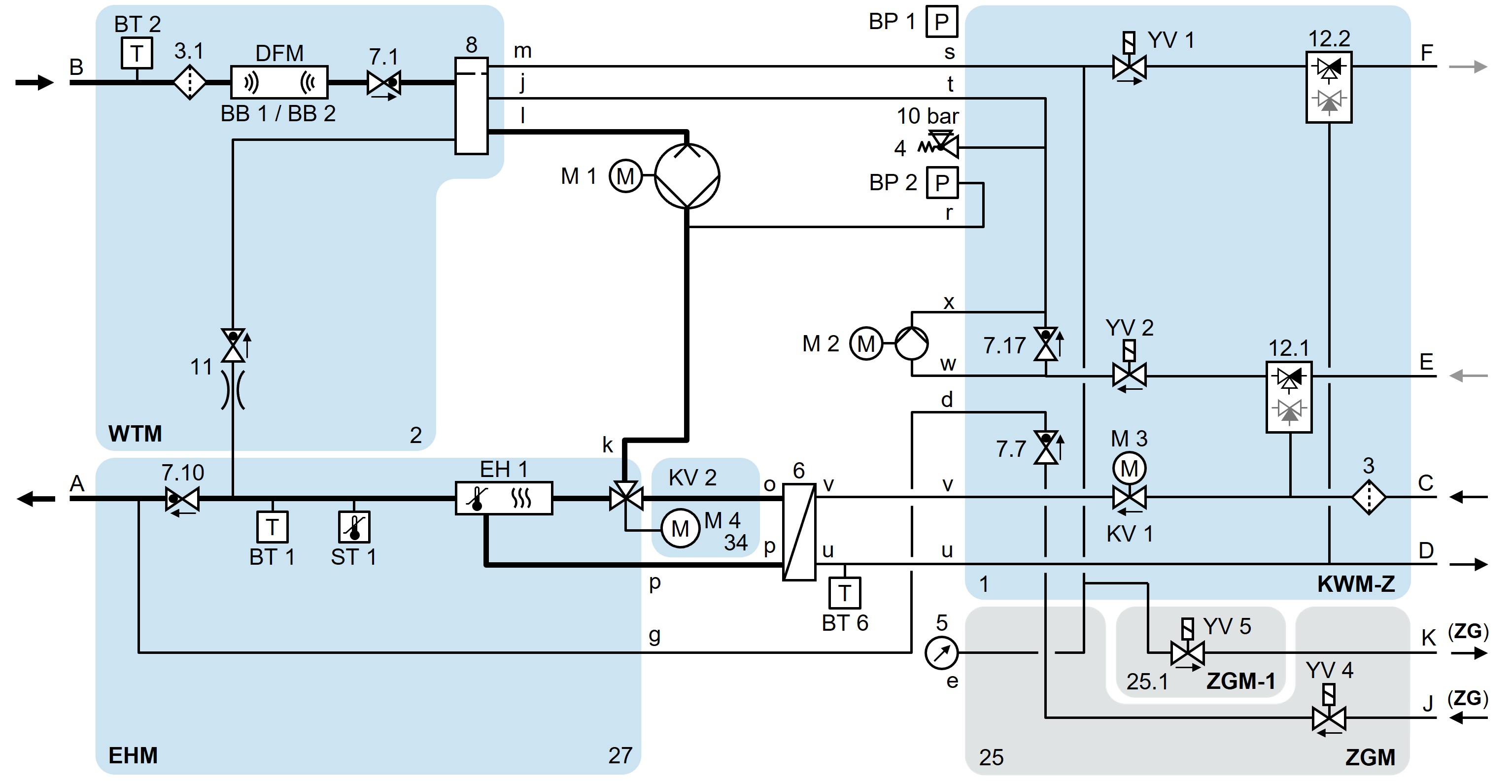
HB-140/160Z61/62-8/16-4S-A2-ZF

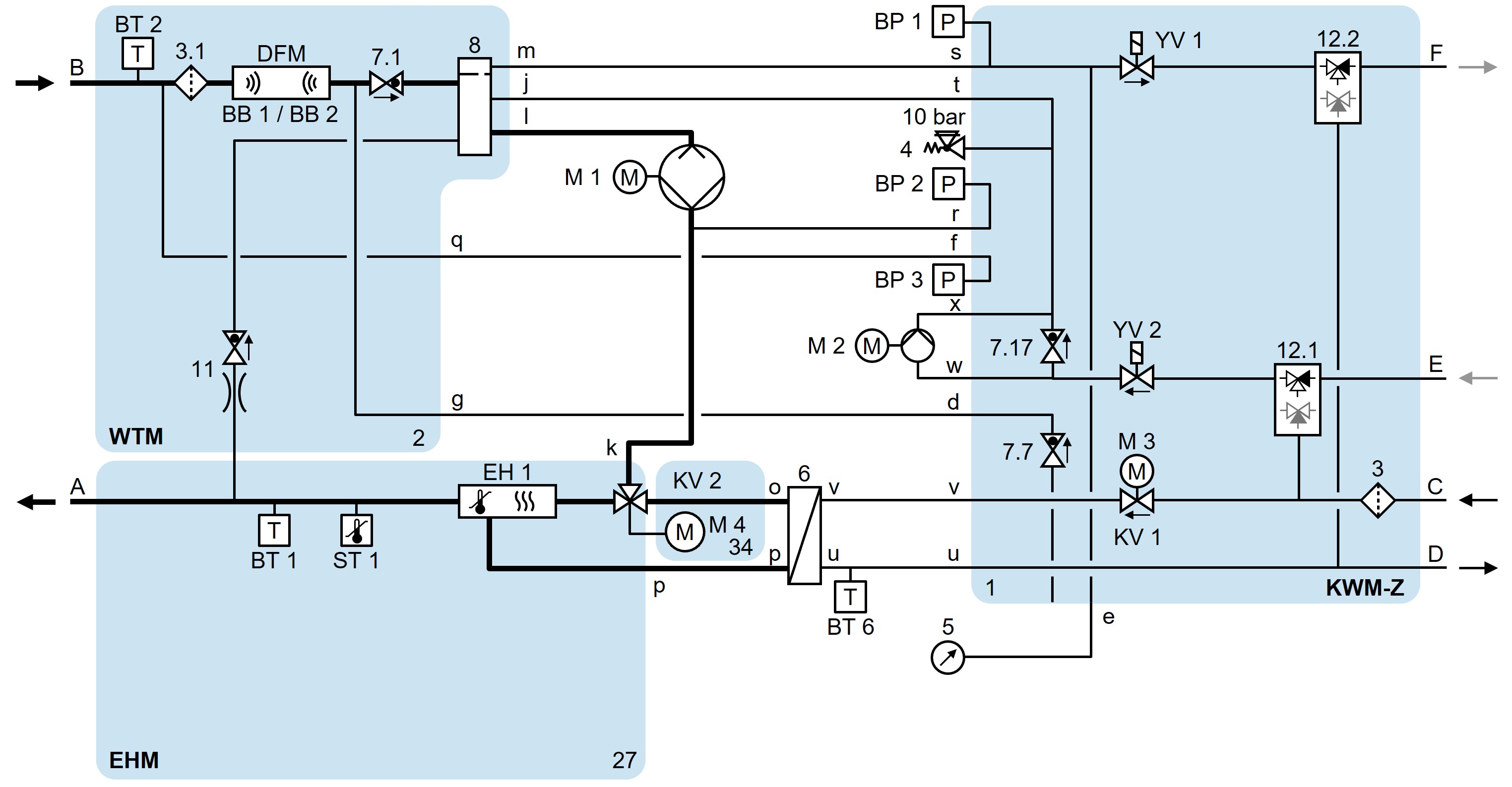
HB-140/160Z61/62-8/16-4S-A2-ZG

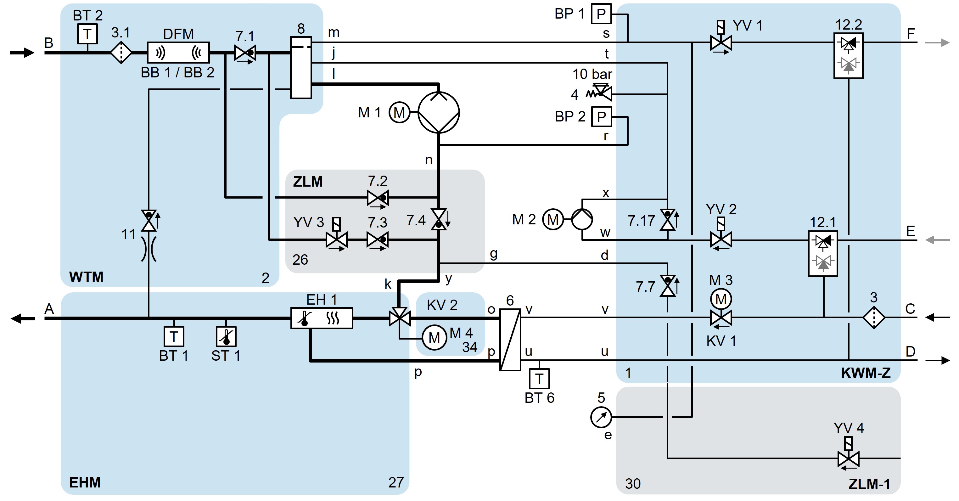
HB-140/160Z61/62-8/16-4S-A2-ZL-ZF-ZG

linklegenda