Datele sunt schimbateîntre sistemul de comandă utilaj și unitatea de control al temperaturii Thermo-6 prin intermediul serverului de interfețe.Gate-6Pentru a controla unitatea de control al temperaturii printr-un controler extern, faceți clic aici...
Ethernet
Interfață Ethernet OPC UA (EUROMAP 82.1 Release 1.01 / OPC 40082-1)pentru conectarea a maximum 16 unități de control al temperaturii Thermo-6 și pentru conectarea la mașină
Comutator cu 2 prize RJ-45
NOTĂŢĂ!
Cablurile ecranate de categoria 5 sau superioare trebuie utilizate pentru toate conexiunile Ethernet. Aceste cabluri sunt disponibile de la comercianții cu amănuntul standard.
DIGITAL (ZD)
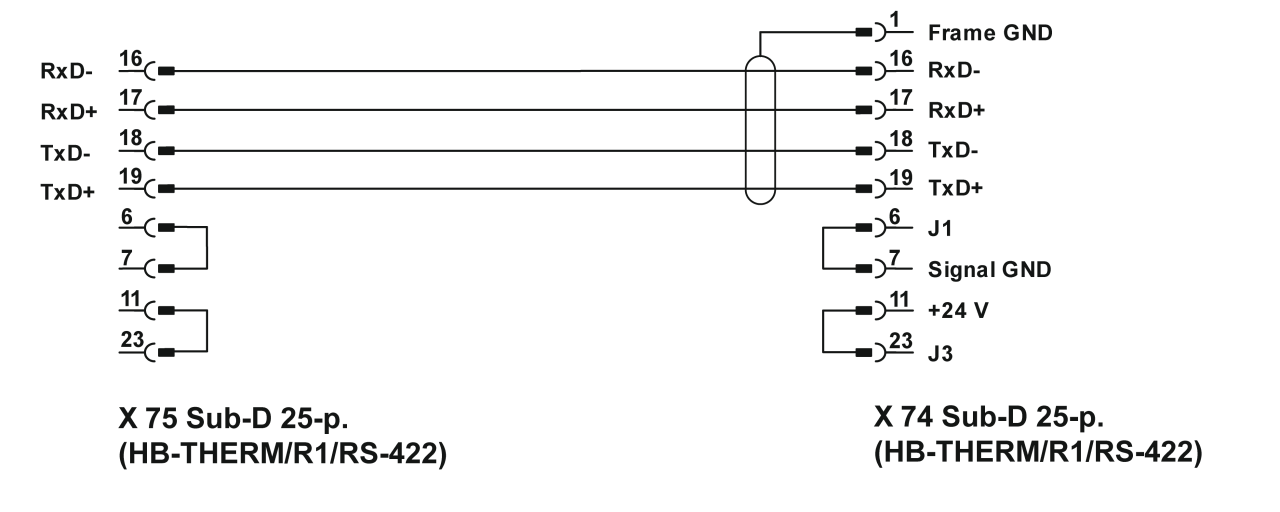
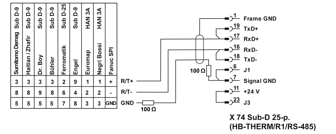
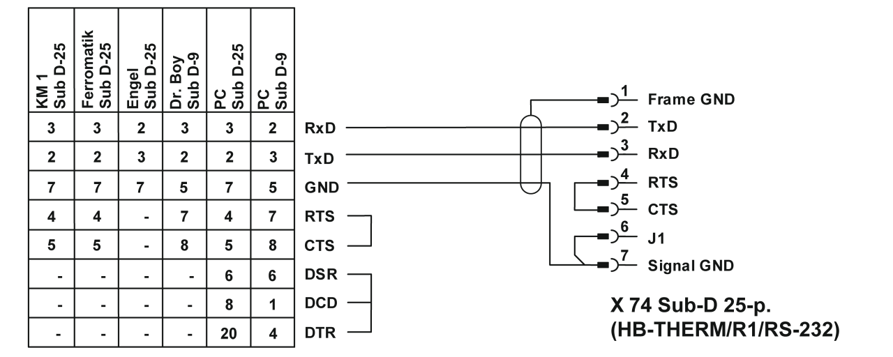
Interfață de date seriale 20 mA, RS-232, RS-422/485 (Billion, Bühler, Dr. Boy, Engel, Ferromatik Milacron, Haitian, KraussMaffei, Negri Bossi, SPI (Fanuc, etc.), Stork, Sumitomo Demag, Wittmann Battenfeld, Zhafir)
1 priză Sub-D cu 25 pini (mamă)
Cablurile de interfață pot fi găsite în catalogul de accesorii
Adaptor (numai pentru mașinile Demag,) O/ID T22590
Demag: unitate 1 cu adresa 13
Netstal: Dispozitiv 1 cu adresa 31
PROFIBUS-DP (ZP)
interfață de date seriale PROFIBUS-DPpentru până la 4 unități de control al temperaturii
1 priză Sub-D cu 9 pini
NOTĂŢĂ!
Cablurile Profibus de tip A trebuie utilizate pentru conexiunile Profibus. Aceste cabluri sunt disponibile de la comercianții cu amănuntul standard.
Datenschutz - Data protection - Protection de données
Wir setzen Cookies ein, um Ihnen die Nutzung unserer Webseite zu erleichtern. Weitere Informationen zu Cookies finden Sie in unserer Datenschutzerklärung. We use cookies to help you use our website. More information about cookies can be found in our privacy policy. Notre site utilise des cookies afin de vous garantir un service optimal. En utilisant ce site web, vous acceptez les présentes conditions. Vous trouverez privacy policy de plus amples informations. Privacy Policy