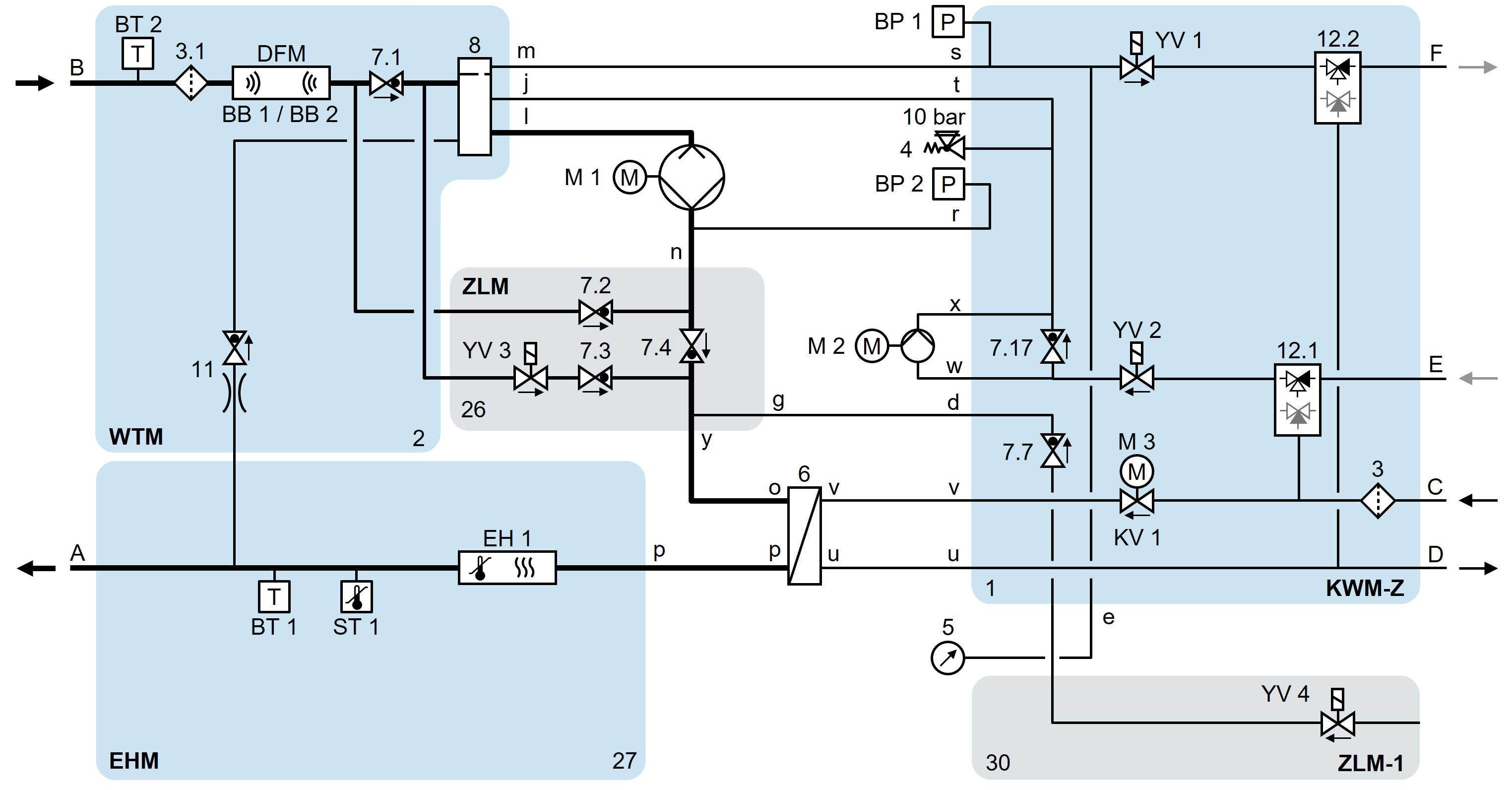
HB-100Z61/62-8/16-4T-A2 (→ Clip...)

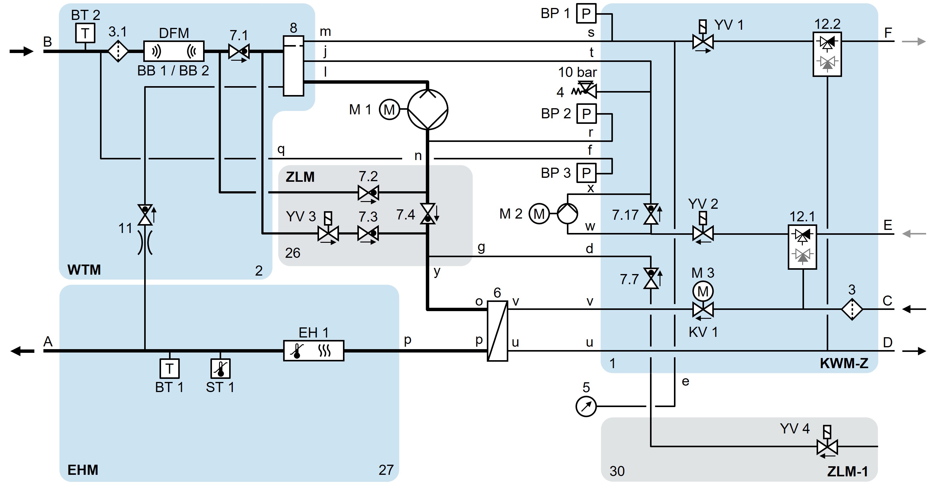
HB-100Z61/62-8/16-4T-A2-ZL (→ Clip...)

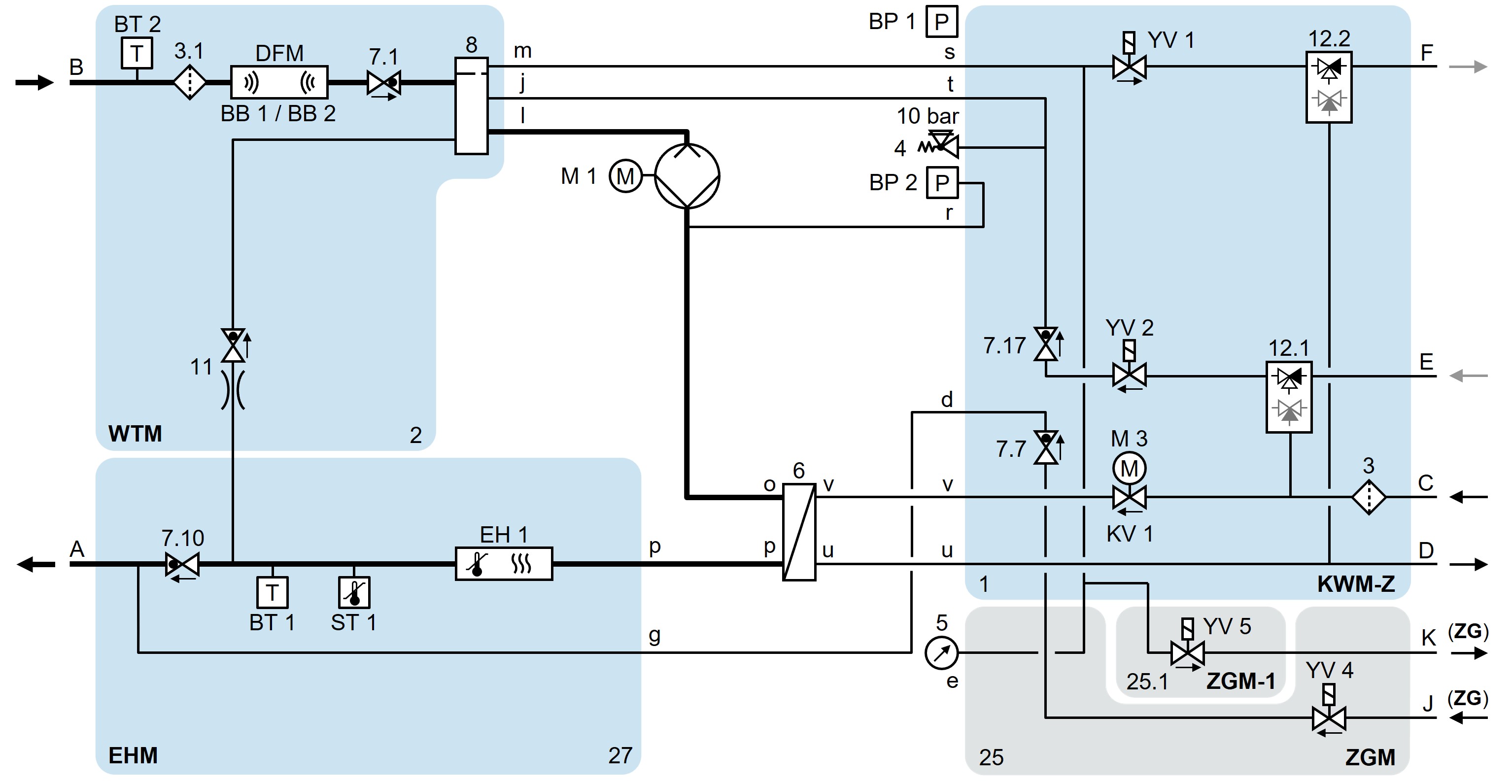
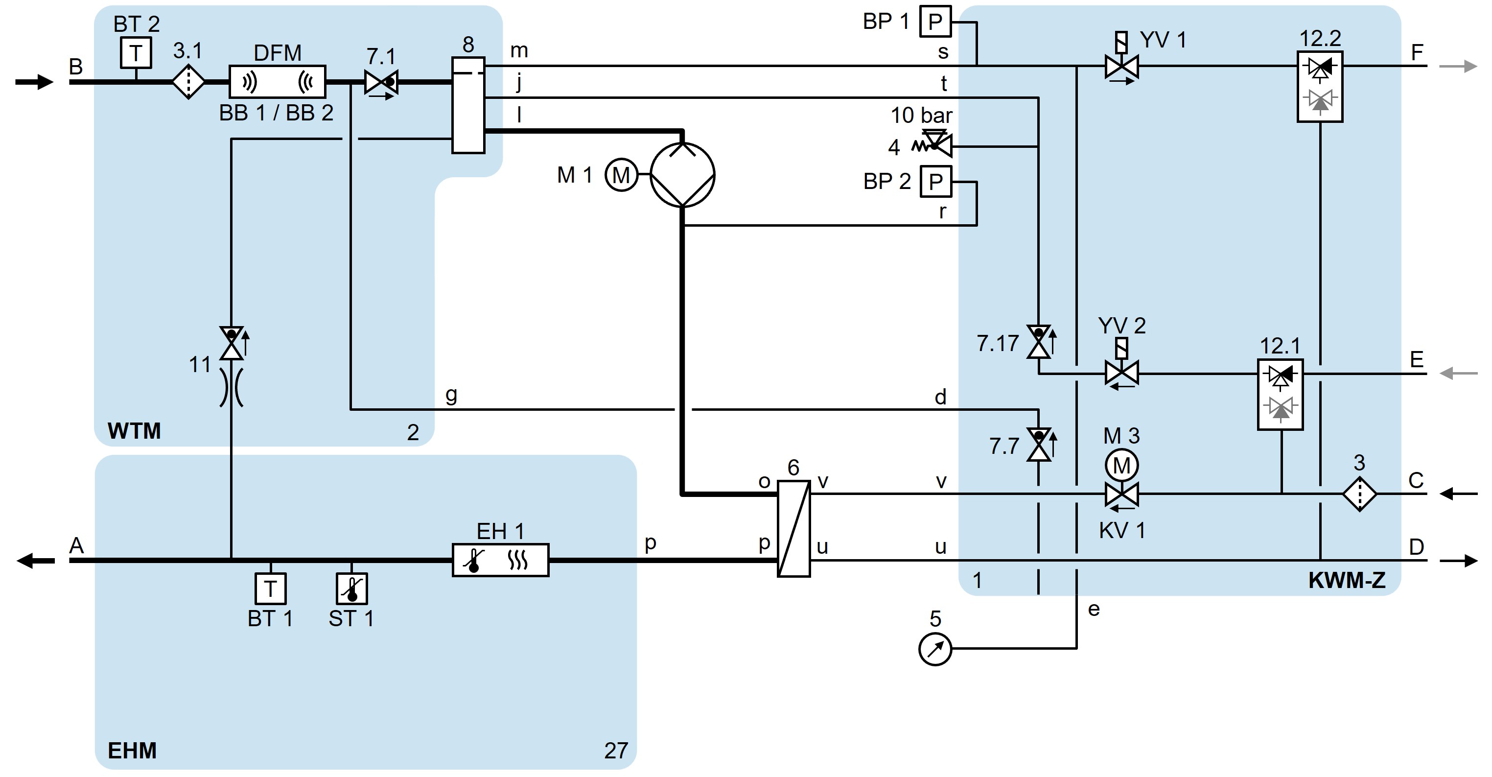
HB-100Z61/62-8/16-4T-A2-ZF

HB-100Z61/62-8/16-4T-A2-ZG (→ Clip...)

HB-100Z61/62-8/16-4T-A2-ZL-ZF

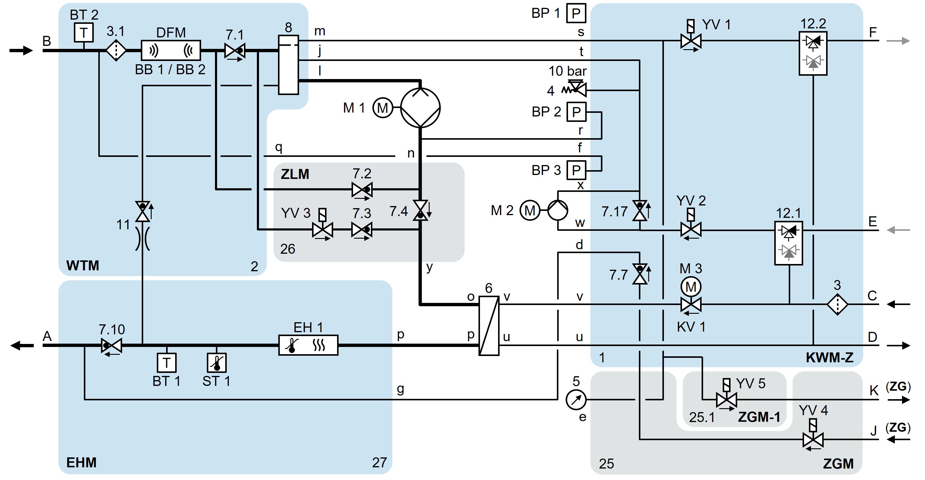
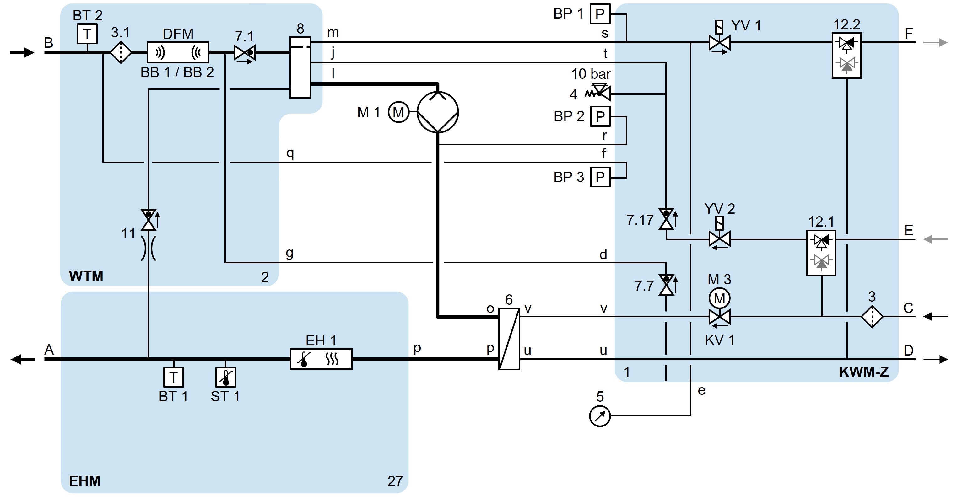
HB-100Z61/62-8/16-4T-A2-ZL-ZF-ZG (→ Clip...)

link_Legenda