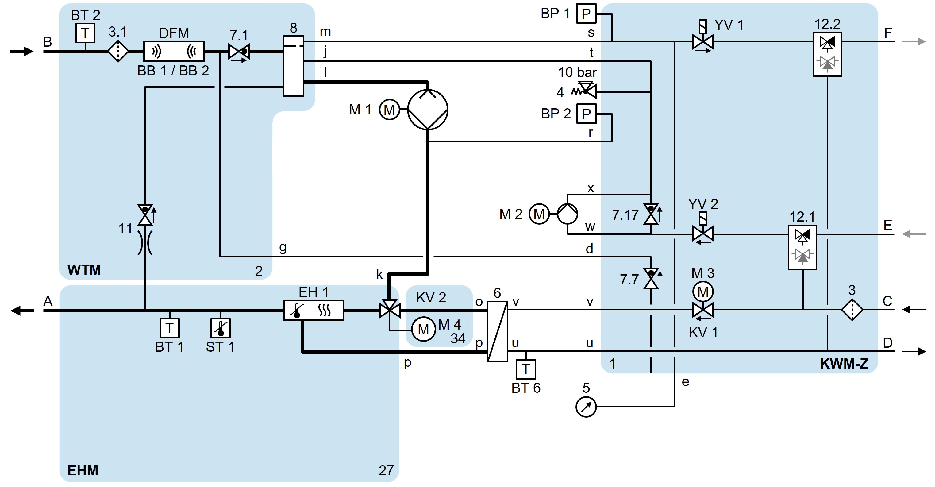
ХБ-140/160З61/62-8/16-4С-А2

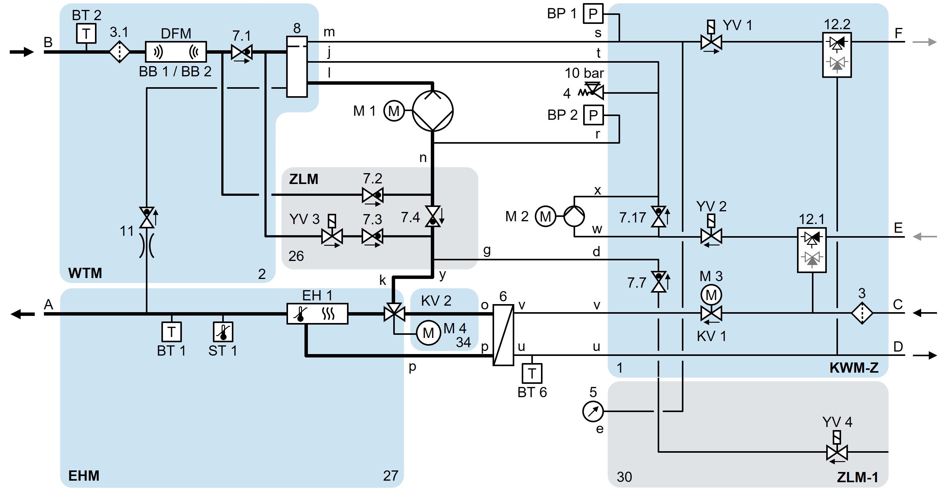
ХБ-140/160З61/62-8/16-4С-А2-ЗЛ

ХБ-140/160З61/62-8/16-4С-А2-ЗФ

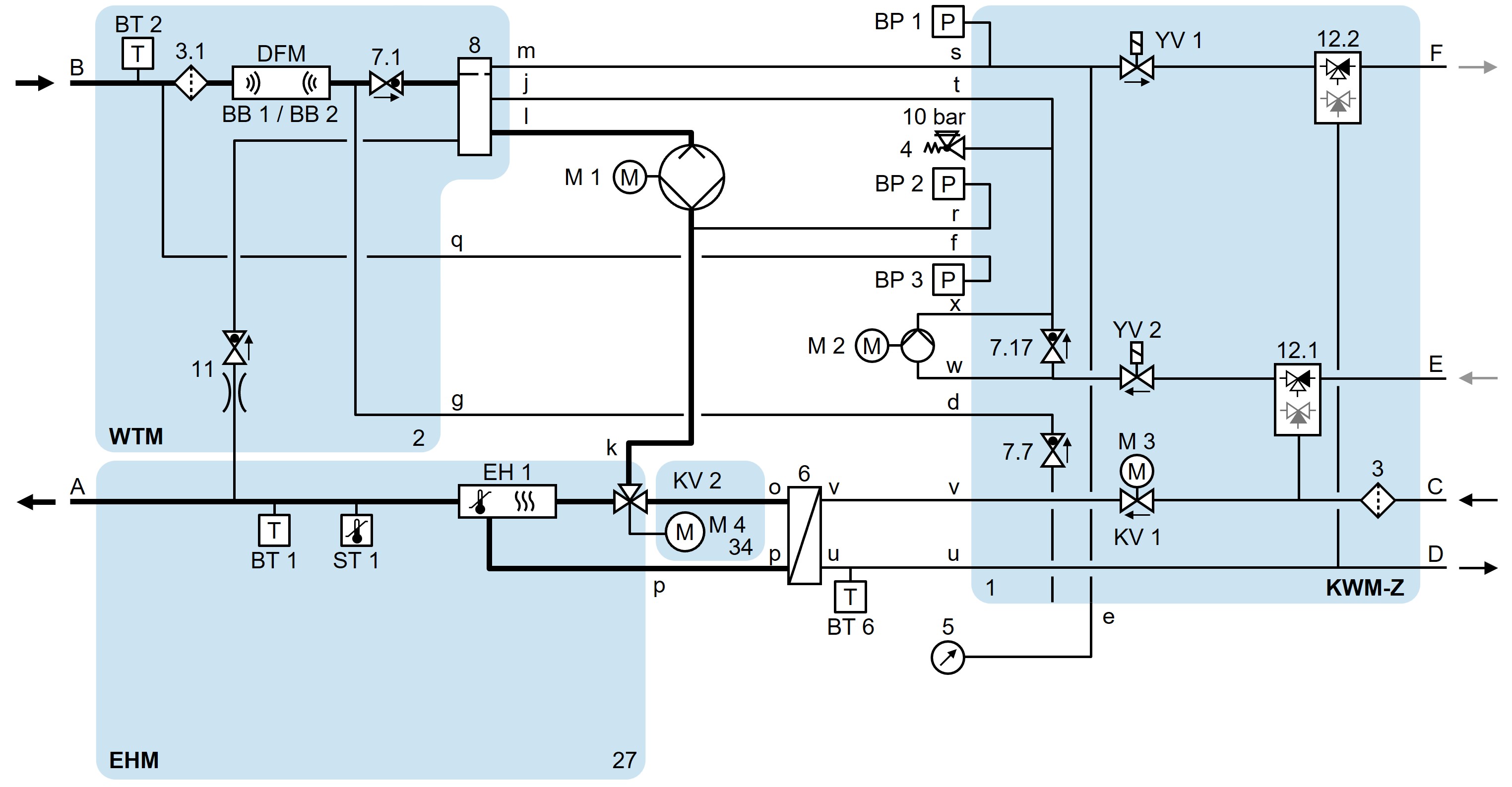
ХБ-140/160З61/62-8/16-4С-А2-ЗГ

ХБ-140/160З61/62-8/16-4С-А2-ЗЛ-ЗФ-ЗГ

linkлегенда