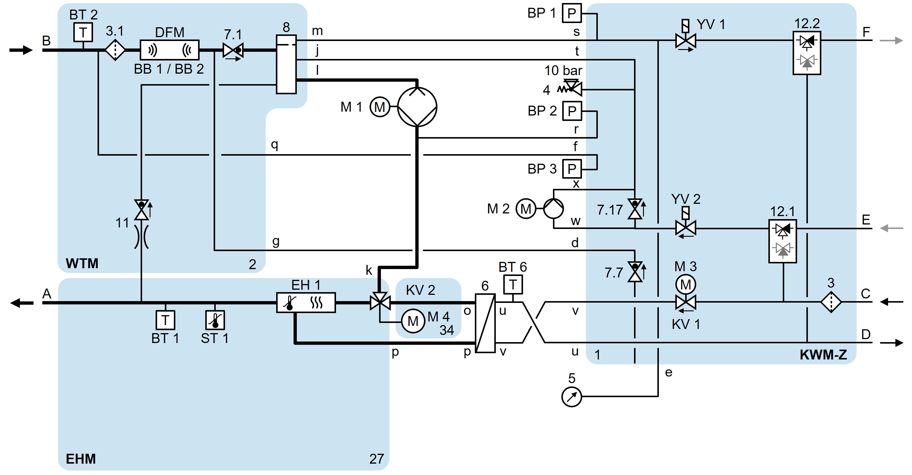
ХБ-140/160З62-16-4С-Б2

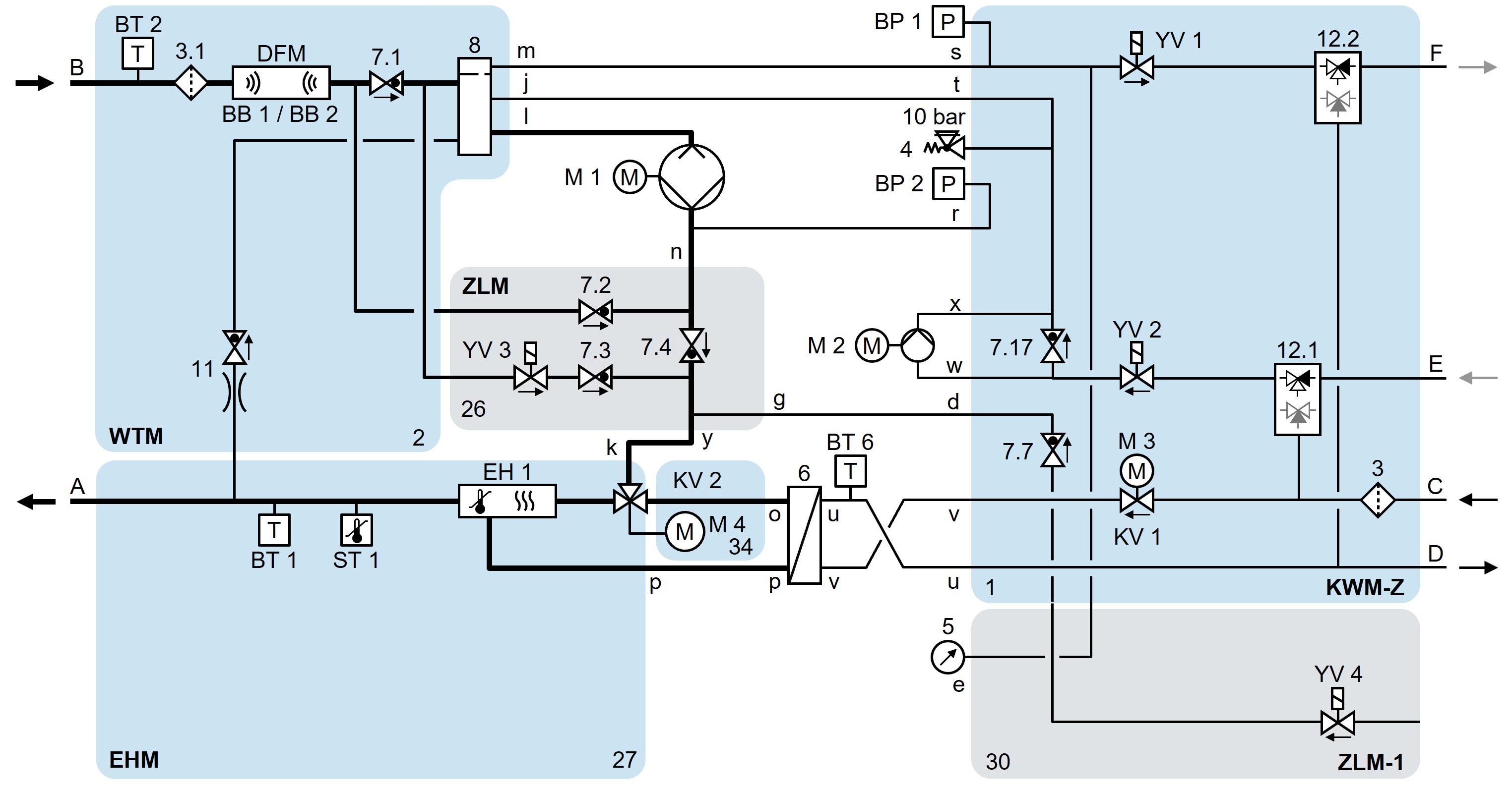
ХБ-140/160З62-16-4С-Б2-ЗЛ

ХБ-140/160З62-16-4С-Б2-ЗФ

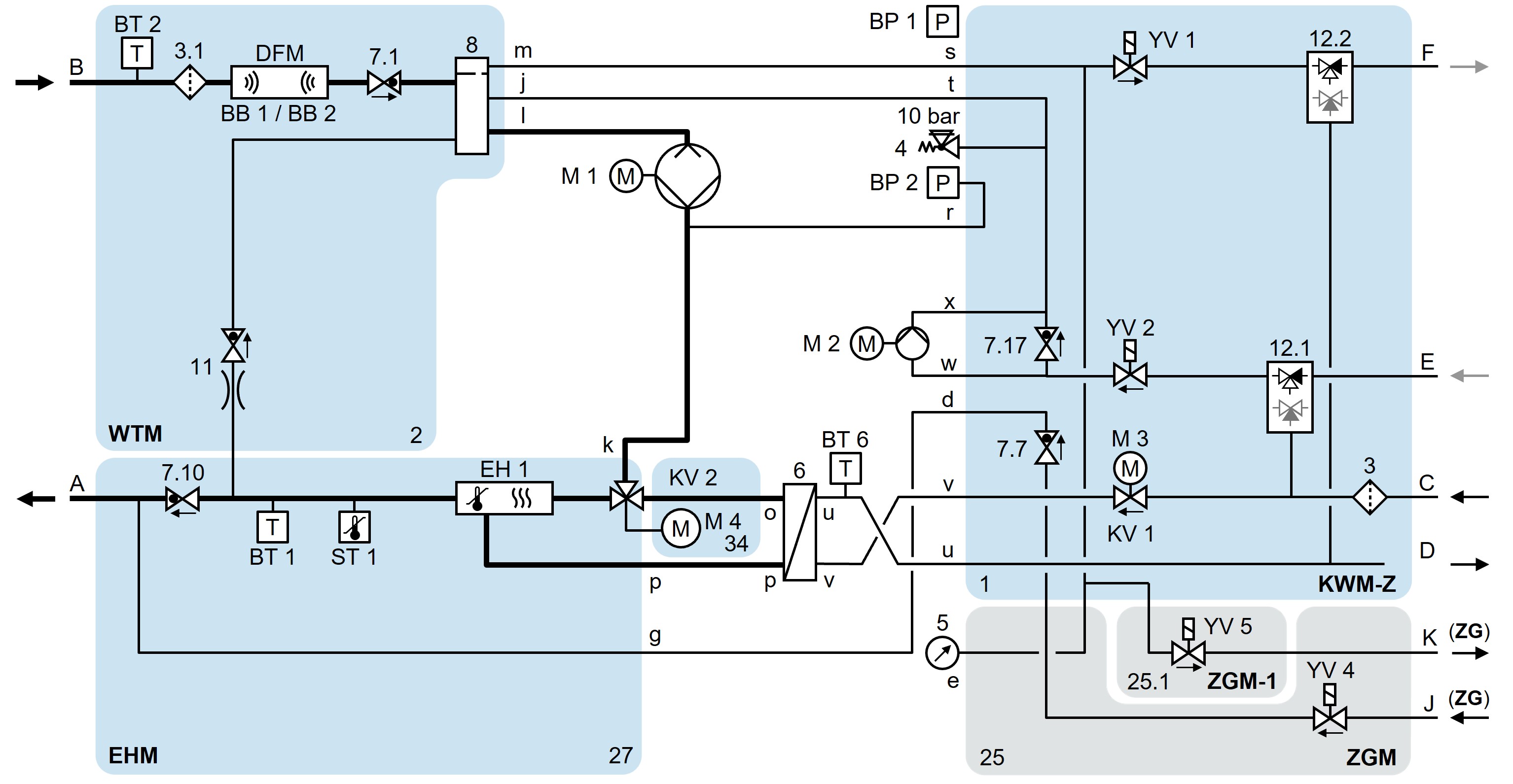
ХБ-140/160З62-16-4С-Б2-ЗГ

ХБ-140/160З62-16-4С-Б2-ЗЛ-ЗФ-ЗГ

linkлегенда