Podaci se razmenjuju između kontrola na uredjaju i Temperaturni kontroler Thermo-6 preko Interejs-server. Gate-6Da biste kontrolisali Temperaturni kontroler preko spoljnog kontrolera, kliknite ovde...

Ethernet

  • Ethernet interfejs OPC UA (EUROMAP 82.1 Release 1.01 / OPC 40082-1)za povezivanje maksimalno 16 Thermo-6 jedinica za kontrolu temperature i za priključak mašinom

  • Prekidač sa 2 utičnice RJ-45

BELEŠKA!

Zaštićeni kabal kategorije 5 ili noviji koristi se za sve Ethernet veze. Ovi kabal su dostupni od standardnih prodavaca.

DIGITAL (ZD)

  • Serijski interfejs Podaci 20 mA, RS-232, RS-422/485 (Billion, Bühler, Dr. Boy, Engel, Ferromatik Milacron, Haitian, KraussMaffei, Negri Bossi, SPI (Fanuc, etc.), Stork, Sumitomo Demag, Wittmann Battenfeld, Zhafir)

  • 1 utičnica Sub-D 25 pin (ženska)

  • Interfejs kablovi se mogu naći u katalogu dodatne opreme

Dodeljivanje kablovske igle

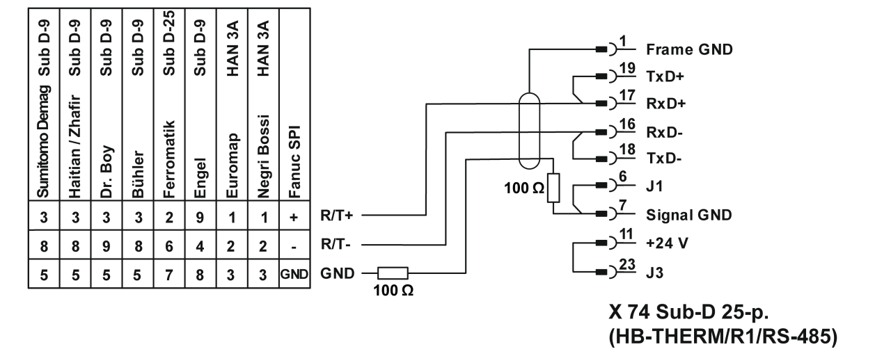
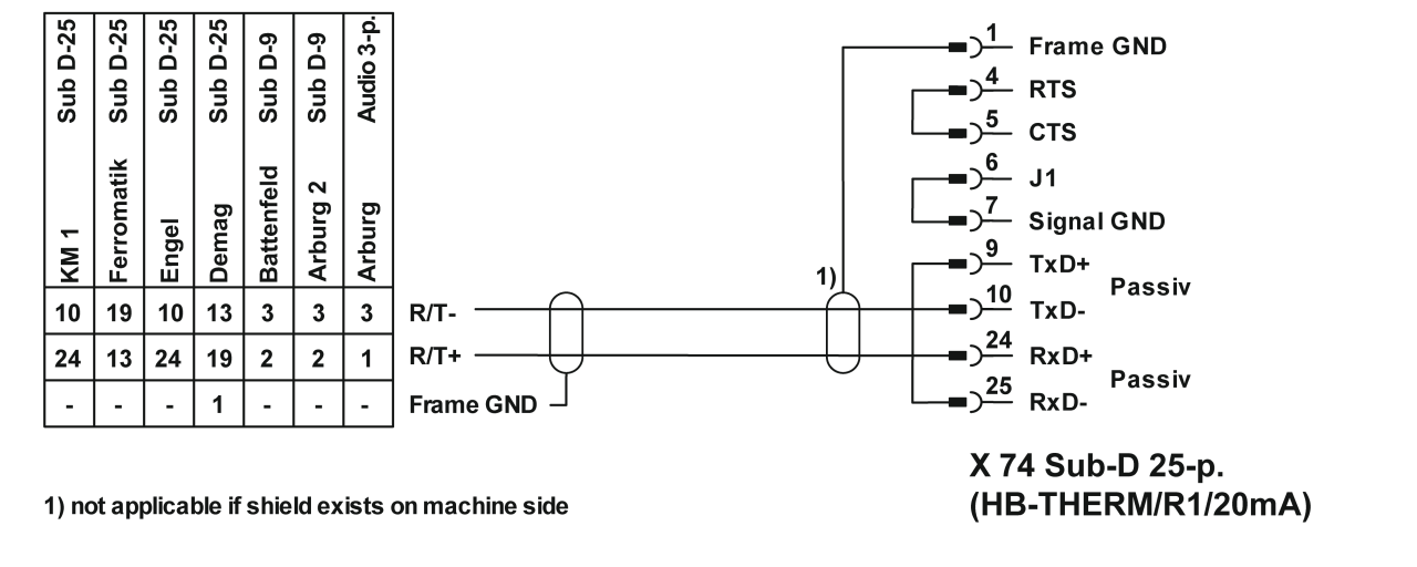
20 mA(trenutna petlja)

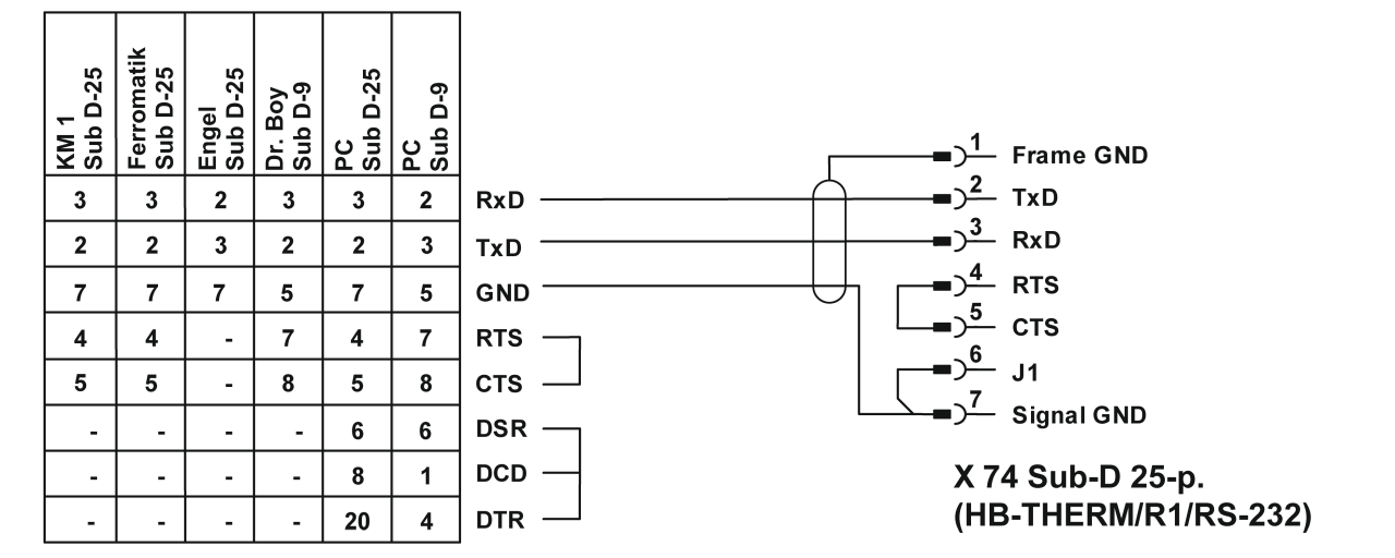
RS-232

RS-485

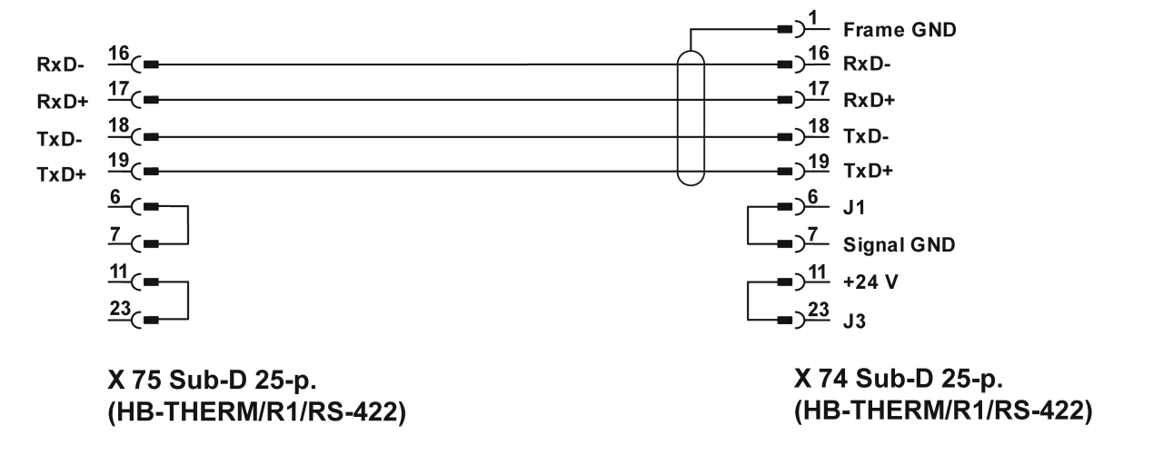
RS-422(priključni kabal)

CAN (ZC)

  • Serijski interfejs Podaci CAN-Bus (Sumitomo Demag), CANopen (EUROMAP 66; Netstal, etc.)
  • 1 utičnica Sub-D 9 pin (ženska)
  • Interfejs kablovi se mogu naći u katalogu dodatne opreme

Dodeljivanje kablovske igle

Adapter (samo za Demag mašine, O/ID T22590)

  • Demag: jedinica 1 sa adresom 13
  • Netstal: Uređaj 1 sa adresom 31

PROFIBUS-DP (ZP)

  • Serijski interfejs Podaci PROFIBUS-DPza do 4 jedinice za kontrolu temperature
  • 1 utičnica Sub-D 9 pin (ženska)

BELEŠKA!

Profibus kabal tipa A mora se koristiti za Profibus veze. Ovi kabal su dostupni od standardnih prodavaca.