Специална версия (допълнение А): Безопасно изключване чрез аларма и външно управление

oписание

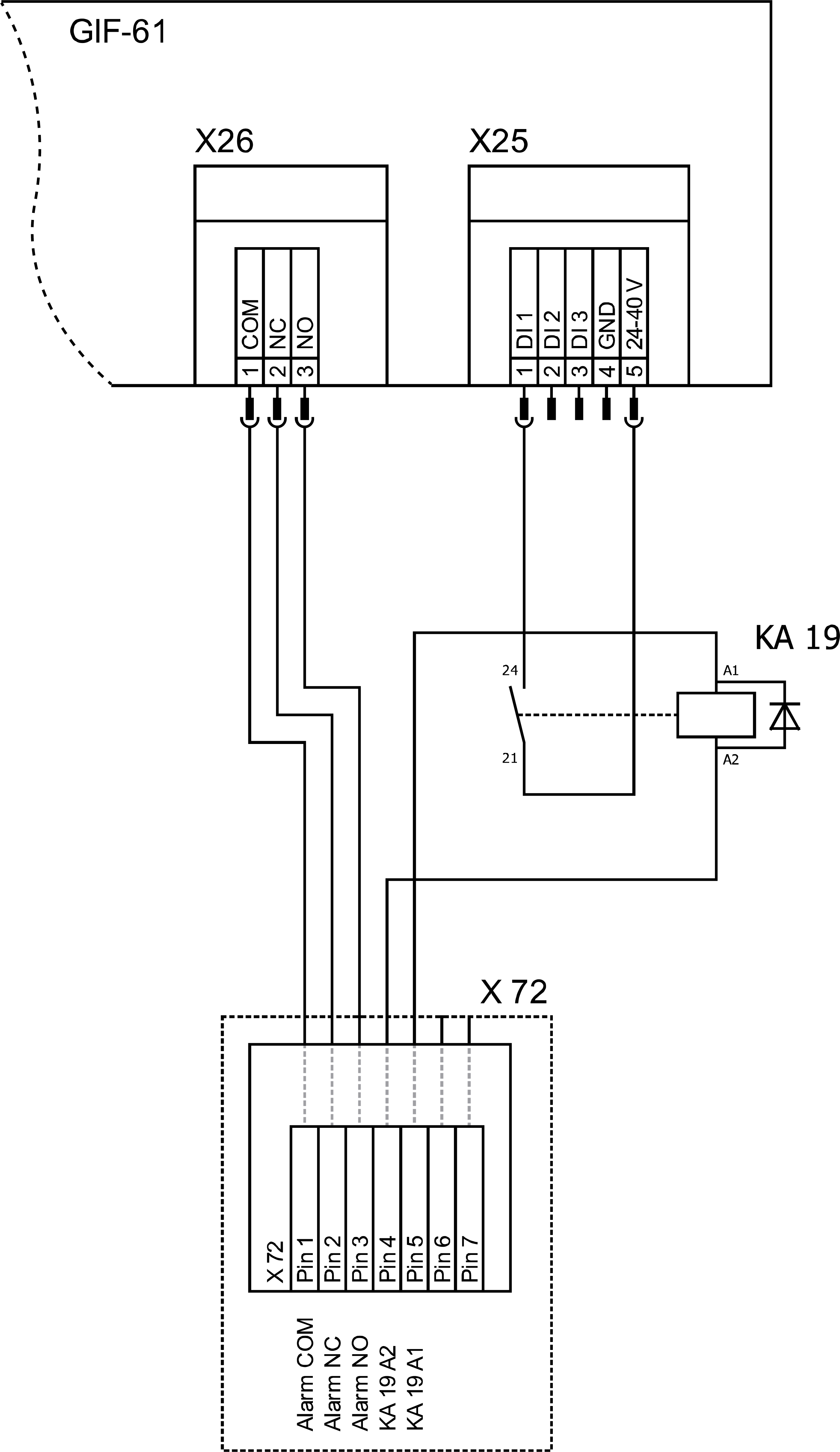
В тази версия устройство е оборудвано с допълнително реле (KA 19), което може да се използва за безопасно изключване на устройство. За работа релето (KA 19) трябва да бъде снабдено с външно напрежение 24 VDC. Ако външното напрежение 24 VDC бъде прекъснато, релето (KA 19) се изключва и изключва устройство чрез контакт без потенциал.

Настройка на настройка промяна

За тази версия се изисква следната настройка в главно меню под [Настройки] > [разни]:

  • параметър [Безопасно -OFF чрез вътр. Контакт]
    → включване функция с плъзгача ().
  • Задайте параметър на [Tемпература изпразване формите] на „90 °C“.

ЗАБЕЛЕЖКА!

параметър [Сейф. -OFF чрез вътр. Контакт] е включен, останалите функции на външно управление (превключване на зададена стойност 1 или 2) се деактивират чрез контакта без потенциал.

Електрическа схема промяна (откъс)

промяна на устройството за компонент

промяна на легендата

съкращениеИмеИзпълнение
KA19Реле за изключване на безопасността