HB-100Z61/62-8/16-4T-A2 (→ Clip...)

HB-100Z61/62-8/16-4T-A2-ZL (→ Clip...)

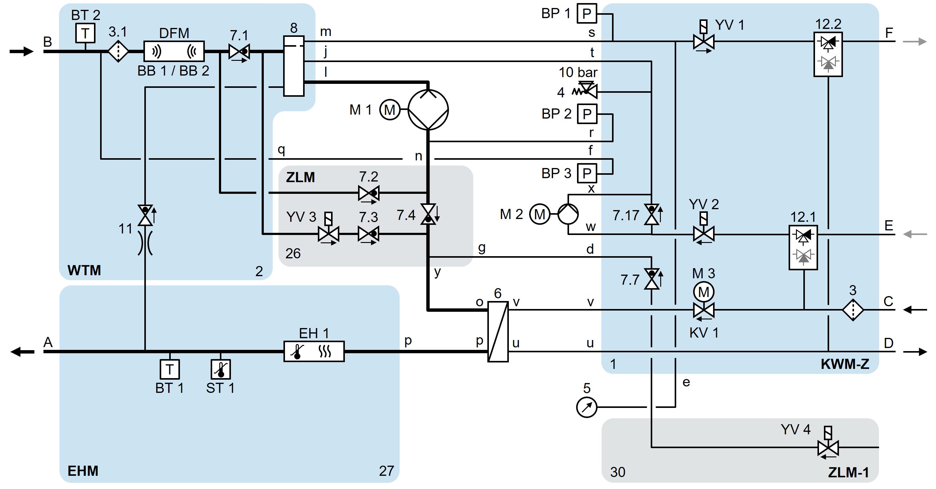
HB-100Z61/62-8/16-4T-A2-ZF

 

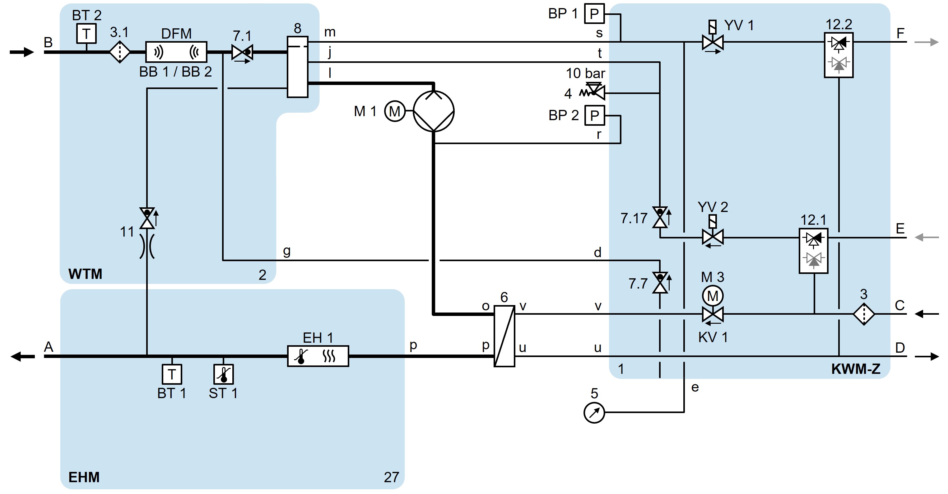
HB-100Z61/62-8/16-4T-A2-ZG (→ Clip...)

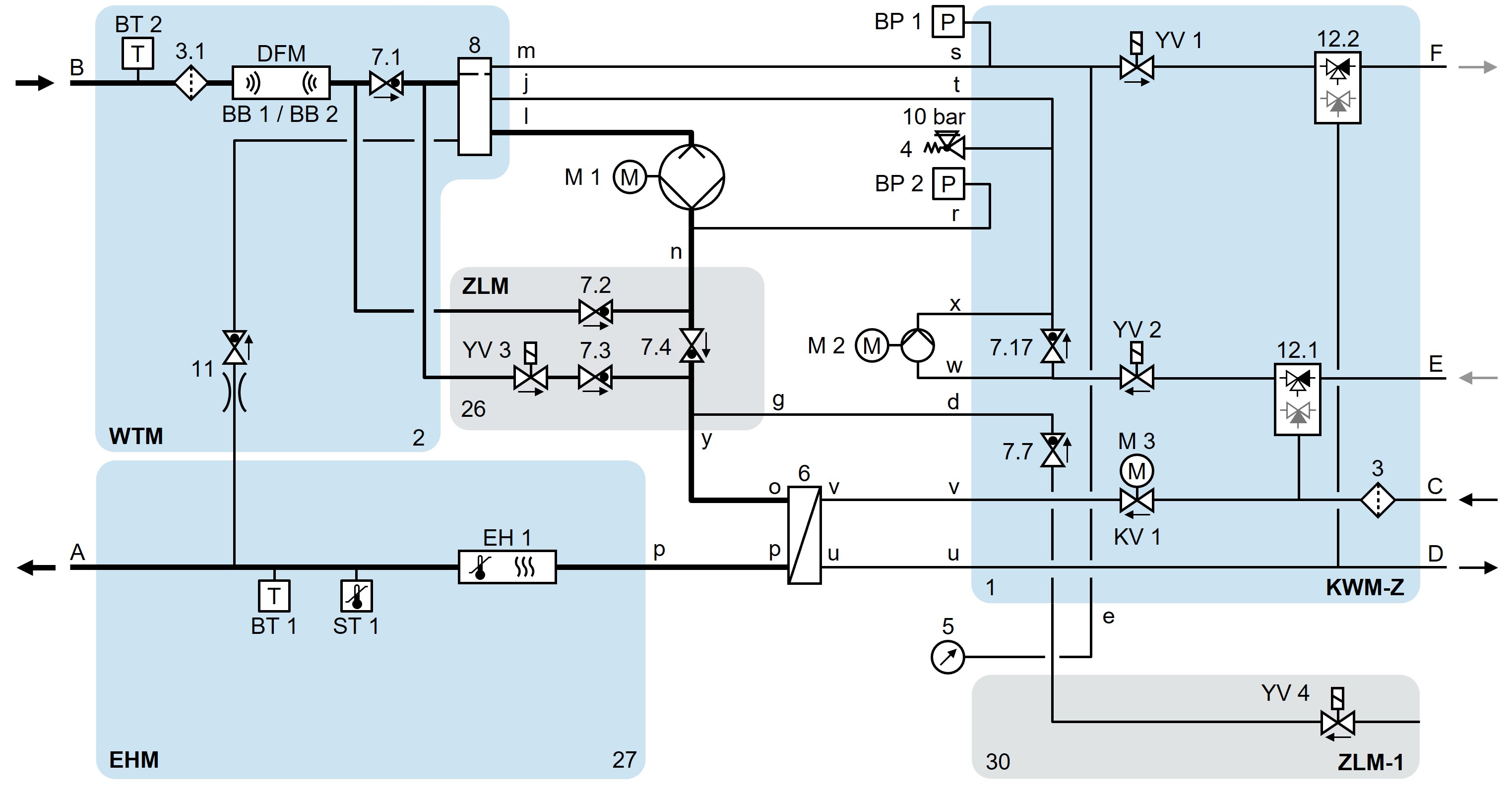
HB-100Z61/62-8/16-4T-A2-ZL-ZF

 

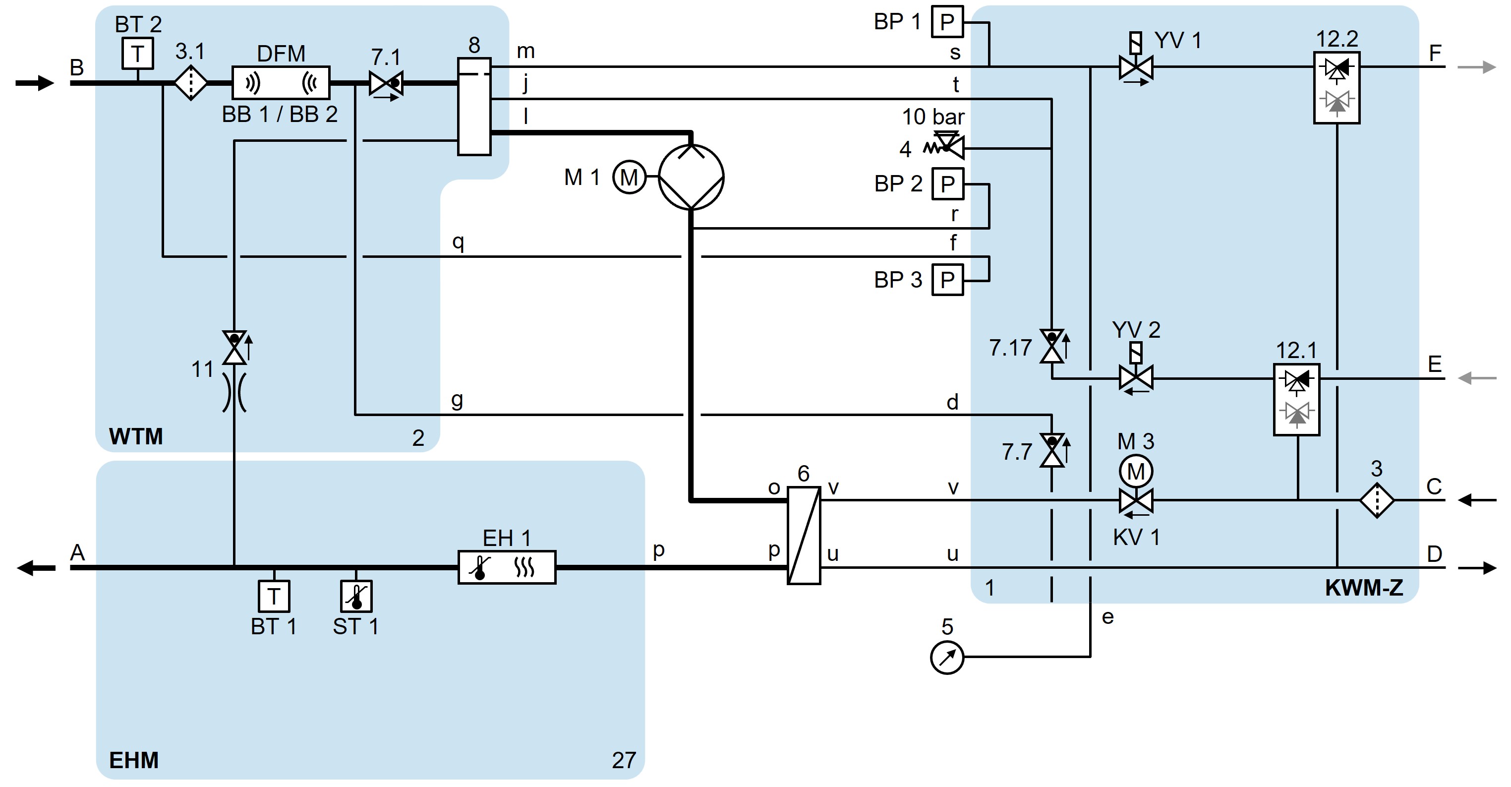
HB-100Z61/62-8/16-4T-A2-ZL-ZF-ZG (→ Clip...)

link _Legende