Eriversioon (lisa A): Ohutuse väljalülitus häire ja väline juhtsüsteem teel

Kirjeldus

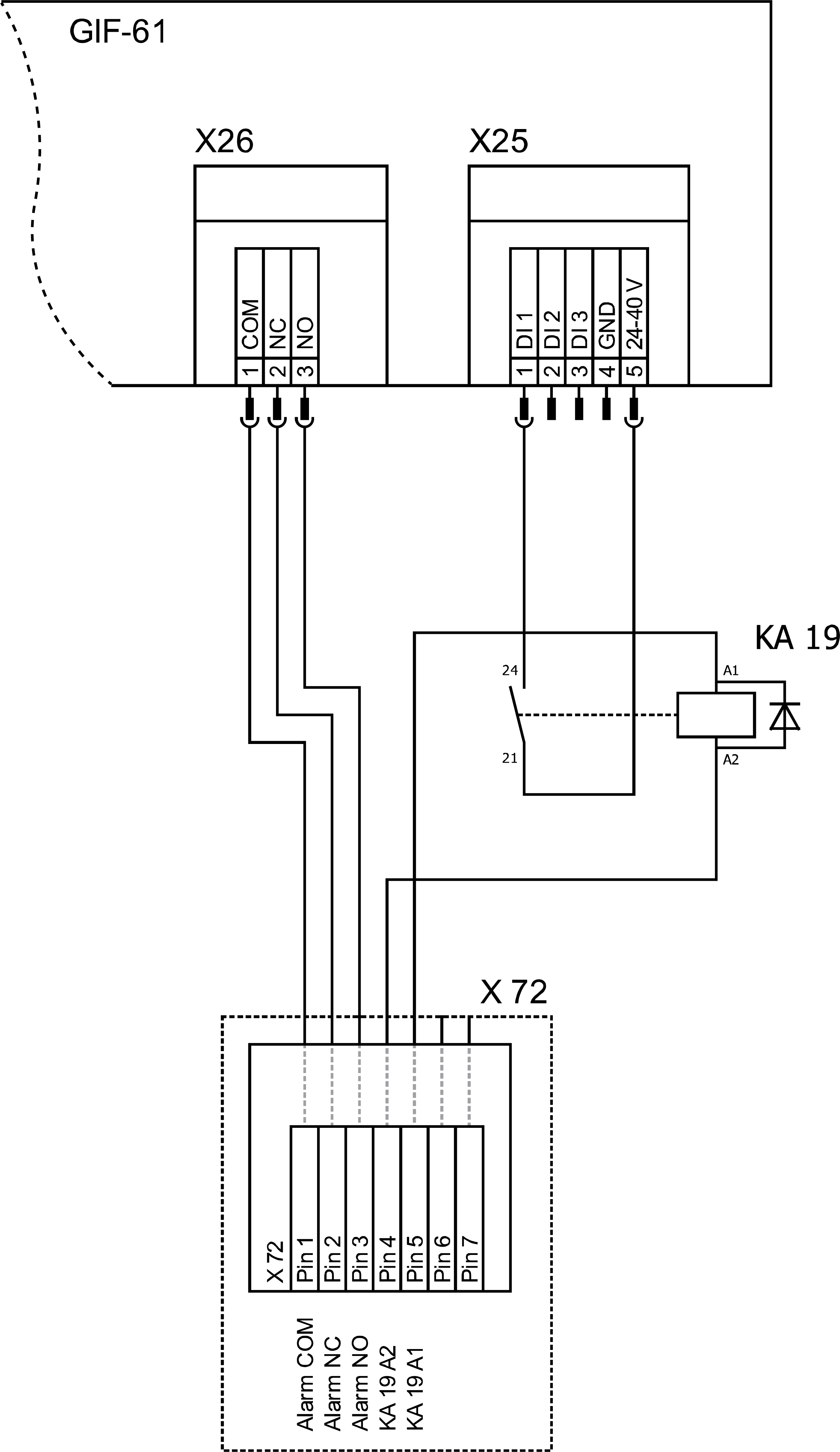
Selles versioonis on seade varustatud täiendava releega (KA 19), mida saab kasutada seade ohutuks väljalülitamiseks. Tööks peab relee (KA 19) olema varustatud välise 24 VDC pingega. Kui väline 24 VDC pinge katkeb, lülitub relee (KA 19) välja ja lülitab seade välja potentsiaalivaba kontakti kaudu.

Parameetri seadistus

Selle versiooni puhul on jaotises [Seaded] > [Muu] peamenüü vaja järgmist Sätet:

  • parameeter [Safe -OFF Kaudu Ext.
    Kontakt] → sisselülitamine funktsioon liuguriga sisse ().
  • Seadke [Vormi tühjendamine Temperatuur] parameetritele „90 °C”.

MÄRKUS!

Väärt parameeter [Ohutu. -OFF Kaudu Ext. Kontakt] on sisse lülitatud, ülejäänud Funktsioonid väline juhtsüsteem (lüliti nimiväärtus 1 Või 2) on deaktiveeritud kaudu potentsiaalivaba kontakt.

Elektriline skeem modification (väljavõte)

Muudatuse komponentide kokkulepe

Legendi modification

lühendTähistushukkamine
KA19Turvalisuse väljalülitamise relee