Download page C8842: Veiligheidsuitschakeling via alarm en externe besturing.
C8842: Veiligheidsuitschakeling via alarm en externe besturing
Speciale versie (bijlage A): Veiligheidsuitschakeling via alarm en externe besturing
Omschrijving
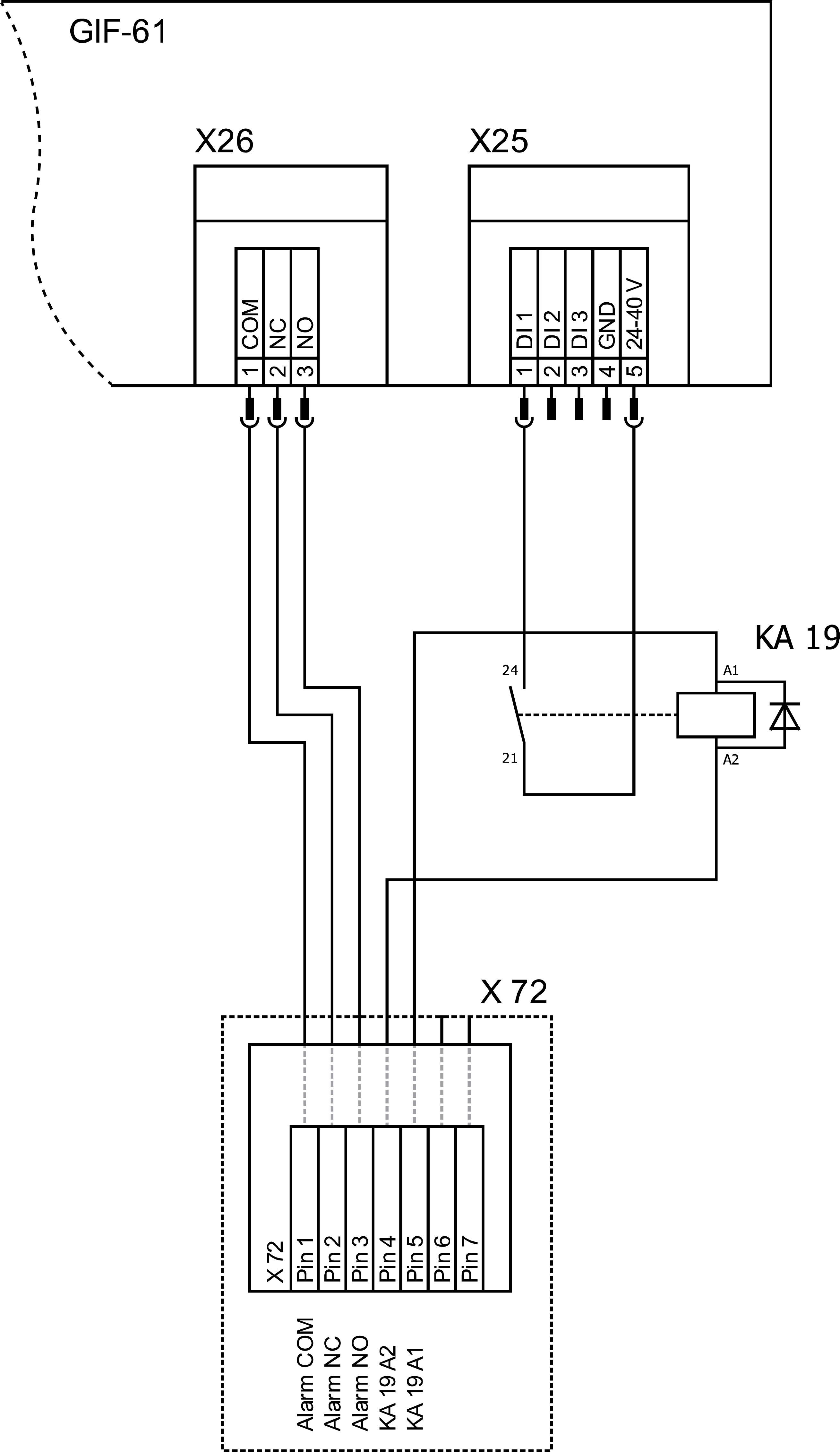
In deze versie is het apparaat uitgerust met een extra relais (KA 19), waarmee het apparaat veilig kan worden uitgeschakeld. Voor gebruik moet het relais (KA 19) worden voorzien van een externe spanning van 24 VDC. Als de externe 24 VDC-spanning wordt onderbroken, wordt het relais (KA 19) uitgeschakeld en wordt het apparaat via een potentiaalvrij contact uitgeschakeld.
Parameterinstelling wijzigen
Voor deze versie zijn de volgende Instellingen vereist in het hoofdmenu onder [Instellingen] > [Diversen]:
Parameters [Veilig uit via ext. Contact] → de functie inschakelen met de schuifregelaar ().
Stel de parameter [Temperatuur Van De Matrijslediging] in op „90°C”.
OPMERKING!
R. Wa de parameter [Veilig. -UIT via ext. [Contact] is ingeschakeld, de overige Functies van de externe besturing (schakeldoelwaarde 1 of 2) worden via het potentiaalvrije contact gedeactiveerd.
Elektrisch schema wijzigen (uittreksel)
Componentenregeling wijzigen
Legenda wijzigen
afkorting
Aanduiding
executie
KA19
Veiligheidsuitschakelrelais
Datenschutz - Data protection - Protection de données
Wir setzen Cookies ein, um Ihnen die Nutzung unserer Webseite zu erleichtern. Weitere Informationen zu Cookies finden Sie in unserer Datenschutzerklärung. We use cookies to help you use our website. More information about cookies can be found in our privacy policy. Notre site utilise des cookies afin de vous garantir un service optimal. En utilisant ce site web, vous acceptez les présentes conditions. Vous trouverez privacy policy de plus amples informations. Privacy Policy