Versiune specială (Anexa A): Oprire de siguranță prin alarmă și sistem de comandă externă

Denumire

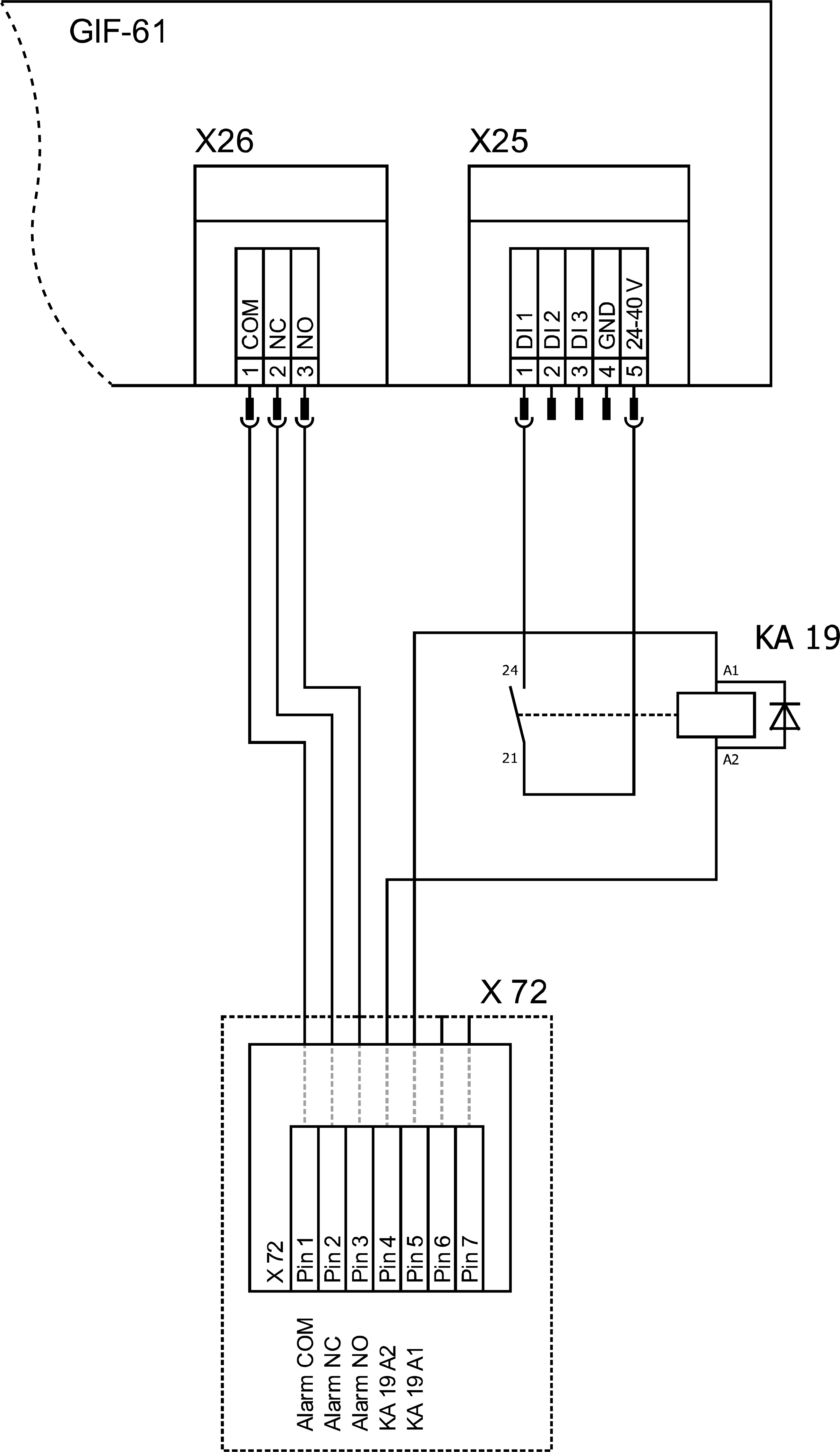
În această versiune, dispozitivul este echipat cu un releu suplimentar (KA 19), care poate fi utilizat pentru a opri dispozitivul în siguranță. Pentru funcționare, releul (KA 19) trebuie furnizat cu o tensiune externă de 24 VDC. Dacă tensiunea externă de 24 VDC este întreruptă, releul (KA 19) se oprește și oprește unitatea printr-un contact fără potențial.

setarea parametrilor de modificare

Pentru această versiune, este necesară următoarea Setare în meniul principal din [Setări] > [Diverse]:

  • Parametrii [Safe -OFF Prin Ext. Contact]
    → porniţi funcţia cu glisorul ().
  • Setați parametrii [Temperatura de golire a matriței] La „90° C.”

NOTĂŢĂ!

Parametrii sunt [Sigur. -OFF Prin Ext. Contact] este pornit, restul Funcțiilor de control extern (valoarea nominală de comutare 1 sau 2) sunt dezactivate prin contactul fără potențial.

Modificarea schemei electrice (extras)

Aranjamentul componentelor de modificare

Modificarea legendei

abreviereDenumireexecuție
KA19Releu de oprire de siguranță