Special version (Appendix A): Safety cut-out via alarm and external control

Description

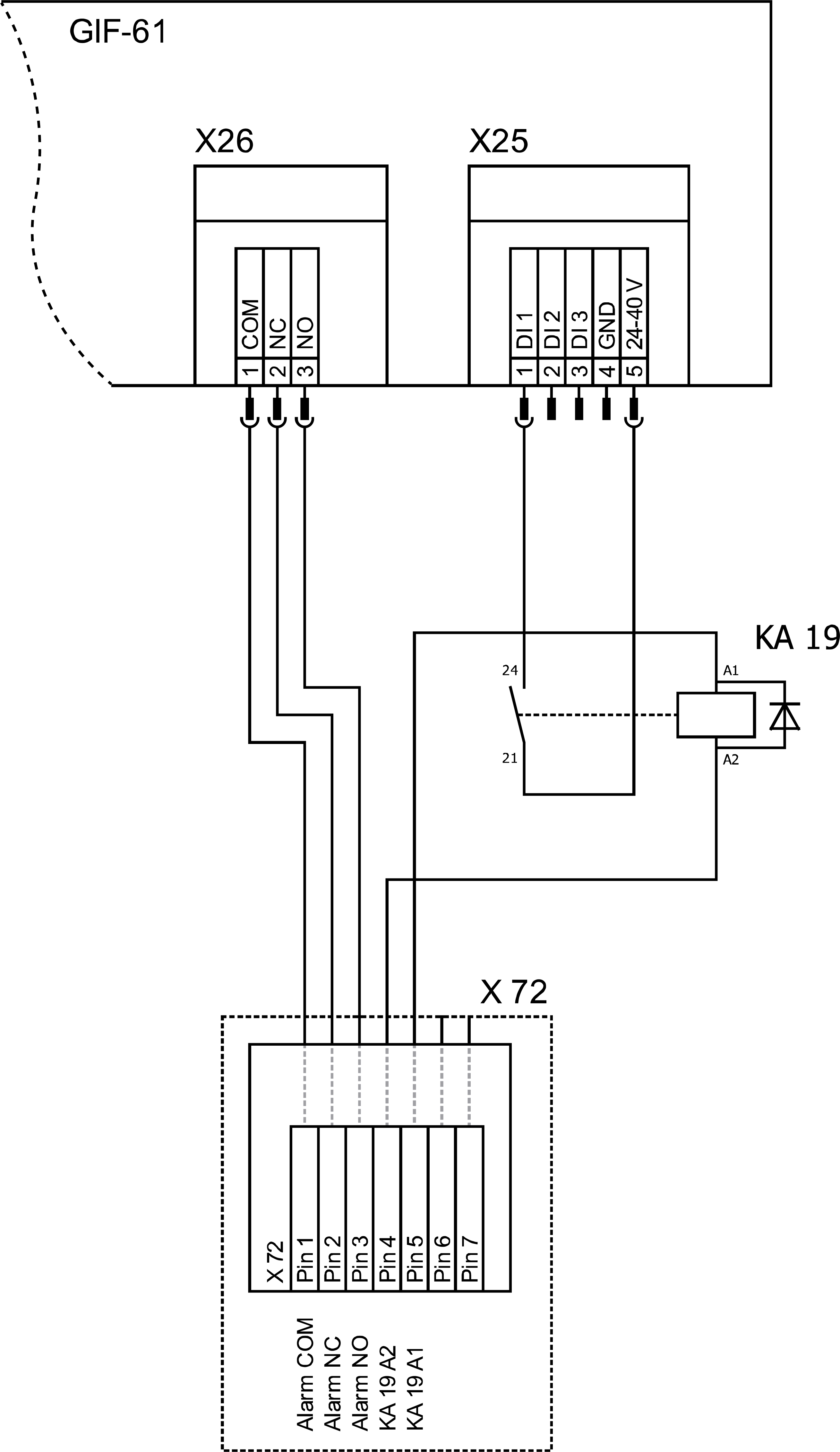
In this version, The unit is equipped with an additional relay (KA 19), which can be safety cut-out the unit safely. For operation, the relay (KA 19) must be supplied with an external 24 VDC voltage. If the external 24 VDC voltage is interrupted, the relay (KA 19) shuts off and switches off the unit via a potential-free contact.

Modification parameter setting

For this version, the following setting are required in the main menu under [Setting] > [Miscellaneous]:

  • Parameter [Safety off via ext. Contact]
    → Switch on the function with the slider ().
  • Set the [Mould Evacuation Temperature] parameter to “90°C.”

NOTE!

Act the parameter [Safety off via ext. Contact] is switched on, the remaining functions of external control (switching set temperature 1 or 2) are deactivated via the potential-free contact.

Electrical circuit diagram modification (excerpt)

Modification item location

Legend modification

AbbreviationDesignationExecution
KA 19Safety cut-out relay