Download page C8842: Apagado de seguridad mediante alarma y control externo.
C8842: Apagado de seguridad mediante alarma y control externo
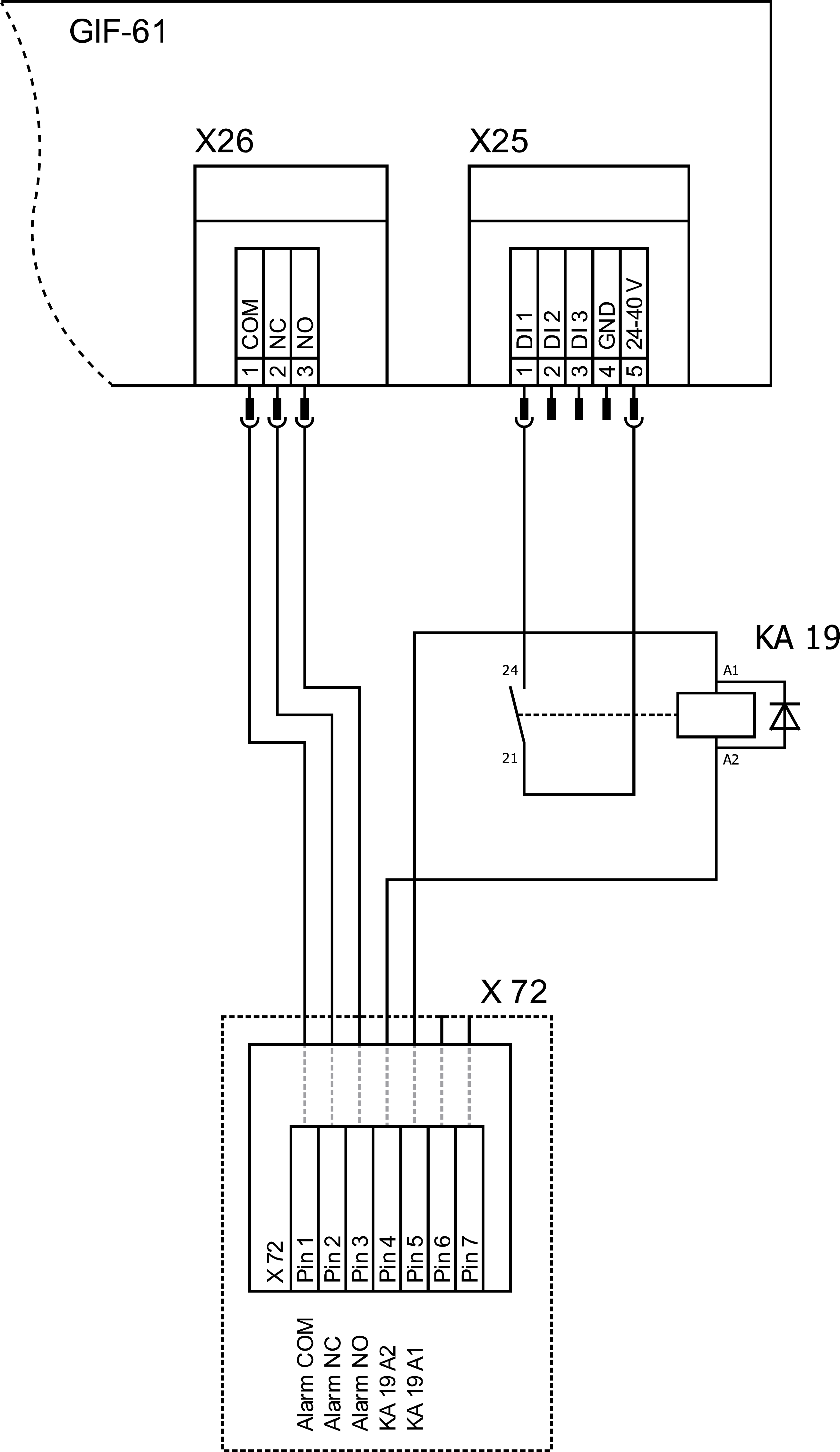
Versión especial (apéndice A): apagado de seguridad mediante alarma y control externo
Descripción
En esta versión, el equipo está equipado con un relé adicional (KA 19), que se puede utilizar para apagar el dispositivo de forma segura. Para su funcionamiento, el relé (KA 19) debe estar alimentado con una tensión externa de 24 VDC. Si se interrumpe la tensión externa de 24 VDC, el relé (KA 19) se apaga y apaga el equipo mediante un contacto libre de potencial.
ajuste de parámetros de cambio
Para esta versión, es necesario realizar los siguientes Ajustes en el menú principal, en [Ajustes] > [Varios]:
Parámetros [Safe OFF mediante ext. [Contacto] → encender la función con el control deslizante ().
Establezca los parámetros [Temperatura De Vaciado Del Molde] en «90 °C».
¡NOTA!
¿Son los parámetros [Seguros]. -OFF por ext. Contacto] está activado, las demás Funciones del control externo (valor objetivo de conmutación 1 o 2) se desactivan mediante el contacto libre de potencial.
Cambio del diagrama eléctrico (extracto)
Acuerdo de componentes de cambio
cambio de leyenda
abreviatura
Denominación
ejecución
KA19
Relé de apagado de seguridad
Datenschutz - Data protection - Protection de données
Wir setzen Cookies ein, um Ihnen die Nutzung unserer Webseite zu erleichtern. Weitere Informationen zu Cookies finden Sie in unserer Datenschutzerklärung. We use cookies to help you use our website. More information about cookies can be found in our privacy policy. Notre site utilise des cookies afin de vous garantir un service optimal. En utilisant ce site web, vous acceptez les présentes conditions. Vous trouverez privacy policy de plus amples informations. Privacy Policy