Download page C8842: Biztonsági kikapcsolás riasztással és külső vezérléssel.
C8842: Biztonsági kikapcsolás riasztással és külső vezérléssel
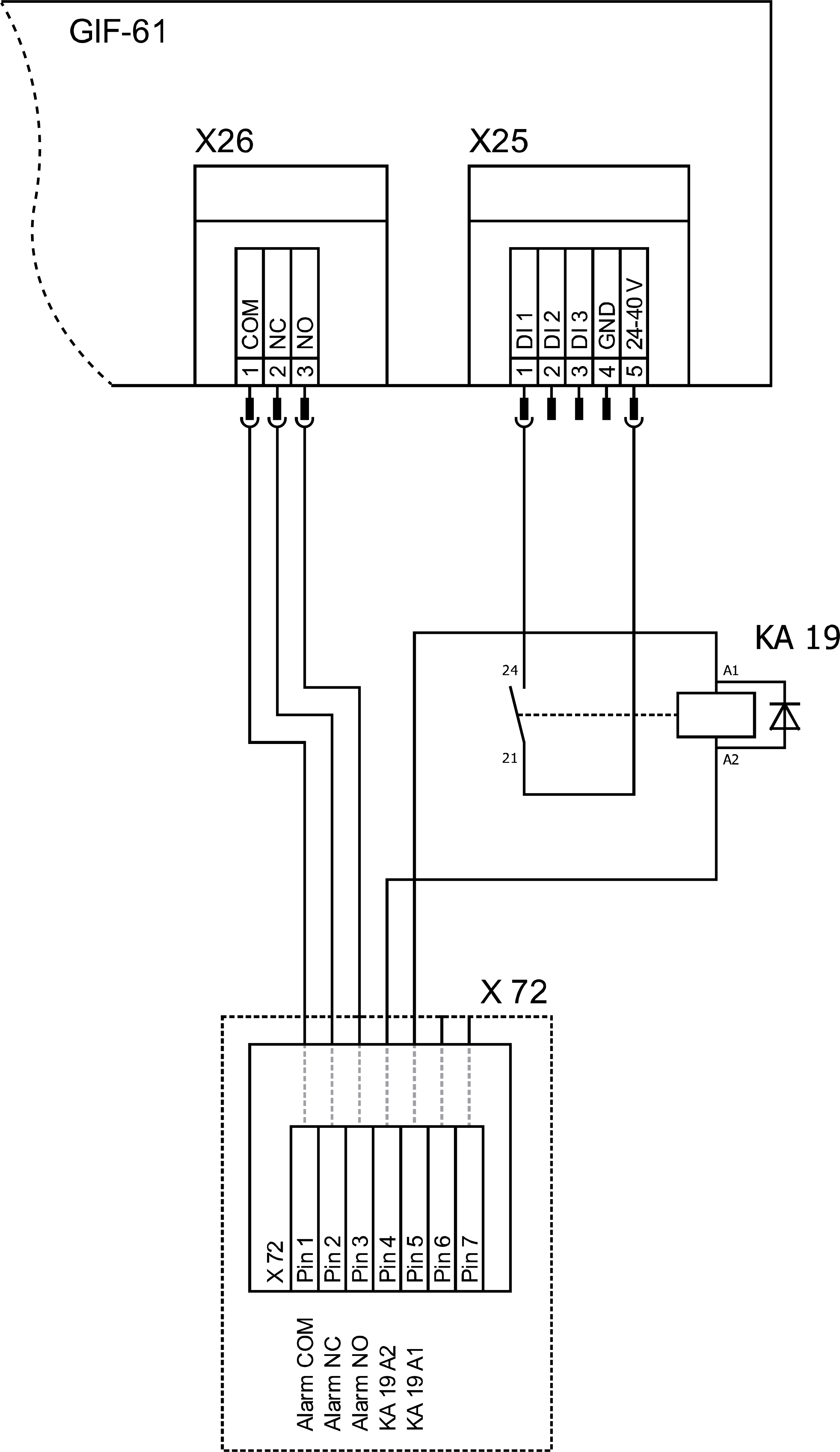
Különleges változat (A. Függelék): Biztonsági kikapcsolás riasztással és külső vezérléssel
Leírás
Ebben a verzióban a készülék egy kiegészítő relével (KA 19) van felszerelve, amely a készülék biztonságos kikapcsolására használható. Működéshez a relét (KA 19) külső 24 VDC feszültséggel kell ellátni. Ha a külső 24 VDC feszültség megszakad, a relé (KA 19) kikapcsol, és potenciálmentes érintkezőn keresztül kikapcsolja a készüléket.
Paraméter módosítása
Ehhez a verzióhoz a következő Beállítások szükségesek a főmenüben a [Beállítások] > [Különféle] menüpont Alatt:
paraméterek [Biztonságos -OFF ext-en keresztül. Kapcsolat] → a funkció bekapcsolása a csúszkával ().
Állítsa a [Formaürítési hőmérséklet] paramétereket „90° C-ra”.
MEGJEGYZÉS!
A paraméter [Biztonságos. -KI az ext-en keresztül. Kapcsolat] be van kapcsolva, a külső vezérlés többi Funkciói (kapcsolási célérték 1 vagy 2) kikapcsolódnak a potenciálmentes érintkezőn keresztül.
Elektromos diagram módosítása (részlet)
Alkatrész-elrendezés módosítása
Jelmagyarázat módosítása
rövidítés
megnevezés
végrehajtás
KA19
Biztonsági leállító relé
Datenschutz - Data protection - Protection de données
Wir setzen Cookies ein, um Ihnen die Nutzung unserer Webseite zu erleichtern. Weitere Informationen zu Cookies finden Sie in unserer Datenschutzerklärung. We use cookies to help you use our website. More information about cookies can be found in our privacy policy. Notre site utilise des cookies afin de vous garantir un service optimal. En utilisant ce site web, vous acceptez les présentes conditions. Vous trouverez privacy policy de plus amples informations. Privacy Policy