Download page C8842: Desligamento de segurança via alarme e comando externo.
C8842: Desligamento de segurança via alarme e comando externo
Versão especial (Apêndice A): desligamento de segurança via alarme e comando externo
Descrição
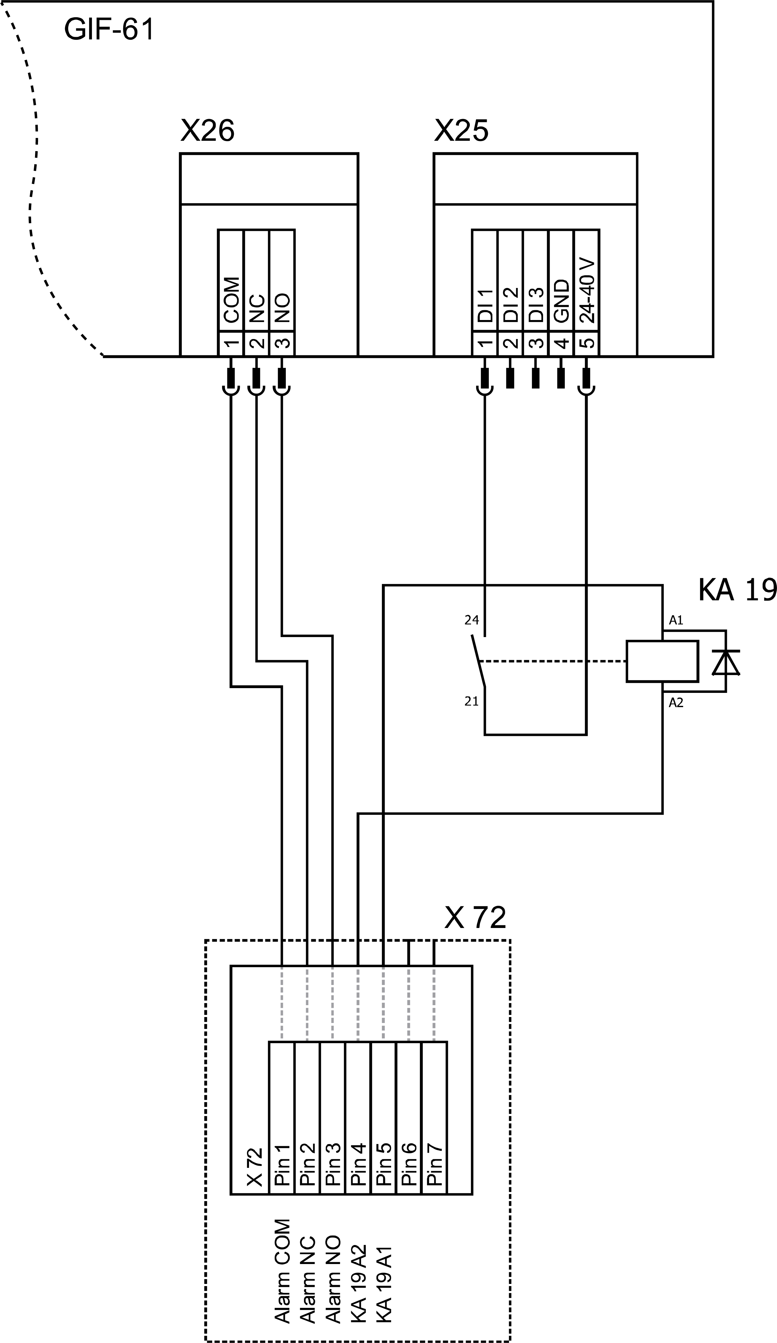
Nesta versão, o aparelho é equipado com um relé adicional (KA 19), que pode ser usado para desligar o aparelho com segurança. Para operação, o relé (KA 19) deve ser alimentado com uma tensão externa de 24 VDC. Se a tensão externa de 24 VDC for interrompida, o relé (KA 19) desliga e desliga o aparelho por meio de um contato livre de potencial.
Ajuste do parâmetro de alteração
Para esta versão, os seguintes Ajustes são necessários no menu principal em [Configurações] > [Diversos]:
Parâmetros [Safe -OFF Via Ext. Contato] → ligar a função com o controle deslizante ().
Defina os parâmetros [Temperatura de esvaziar o molde] para “90°C”.
NOTA!
Os parâmetros são reais [Seguros. -OFF Via Ramal. O contato] é ligado, as demais Funções do comando externo (valor teórico de comutação 1 ou 2) são desativadas por meio do contato livre de potencial.
Alteração do diagrama elétrico (trecho)
Arranjo de componentes de alteração
Alteração da legenda
abreviatura
Designação
execução
KA19
Relé de desligamento de segurança
Datenschutz - Data protection - Protection de données
Wir setzen Cookies ein, um Ihnen die Nutzung unserer Webseite zu erleichtern. Weitere Informationen zu Cookies finden Sie in unserer Datenschutzerklärung. We use cookies to help you use our website. More information about cookies can be found in our privacy policy. Notre site utilise des cookies afin de vous garantir un service optimal. En utilisant ce site web, vous acceptez les présentes conditions. Vous trouverez privacy policy de plus amples informations. Privacy Policy