Download page C8842: Bezbednosno isključivanje putem alarma i spoljne kontrole.
C8842: Bezbednosno isključivanje putem alarma i spoljne kontrole
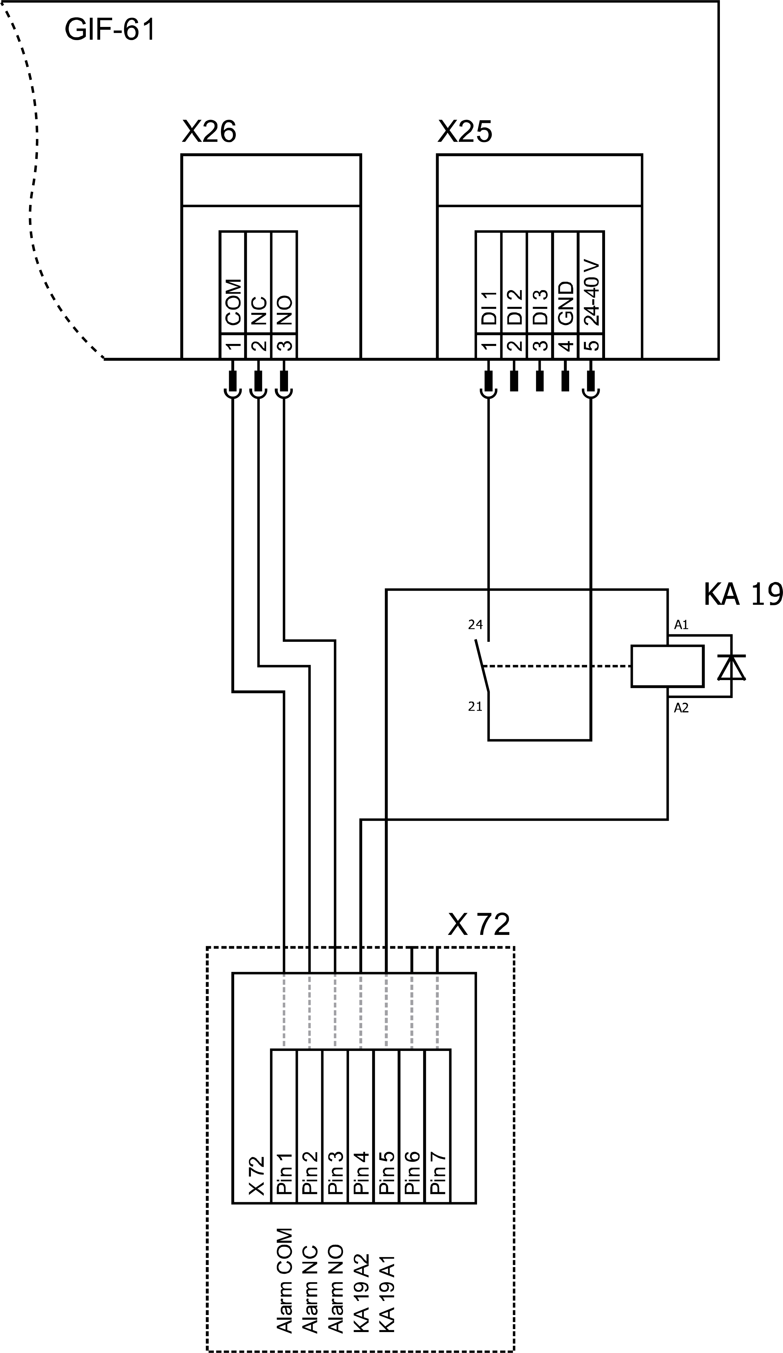
Posebna verzija (Dodatak A): Bezbednosno isključivanje putem alarma i spoljne kontrole
Opis
U ovoj verziji, jedinica je opremljen dodatnim relejem (KA 19), koji se može koristiti za bezbedno isključivanje jedinica. Za rad, relej (KA 19) mora biti isporučen sa spoljnim naponom od 24 VDC. Ako je spoljni 24 VDC napon prekinut, relej (KA 19) se isključuje i isključuje jedinica putem kontakta bez potencijala.
Promenite podešavanje parametara
Za ovu verziju, sledeće Podešavanje su potrebne u glavni meni pod [Podešavanja] > [Ostalo]:
parametar [Safe -OFF Preko Lok. Kontakt] → Uključite funkciju pomoću klizača ().
Podesite parametar [Temperatura pražnjenja Kalupa] na „90 °C“.
BELEŠKA!
Da li su parametar [Siguran. -OFF Preko Lok. Kontakt] je uključen, preostale Funkcije spoljnog kontrolera (prebacivanje zadane tačke 1 ili 2) se deaktiviraju putem kontakta bez potencijala.
Promena električni dijagram (odlomak)
Promena raspored komponenti
Promena legende
skraćenica
Oznaka
Izvršenje
KA19
Sigurnosni zaporni relej
Datenschutz - Data protection - Protection de données
Wir setzen Cookies ein, um Ihnen die Nutzung unserer Webseite zu erleichtern. Weitere Informationen zu Cookies finden Sie in unserer Datenschutzerklärung. We use cookies to help you use our website. More information about cookies can be found in our privacy policy. Notre site utilise des cookies afin de vous garantir un service optimal. En utilisant ce site web, vous acceptez les présentes conditions. Vous trouverez privacy policy de plus amples informations. Privacy Policy