HB-100Z62-16-4T-B2 (→ Clip...)

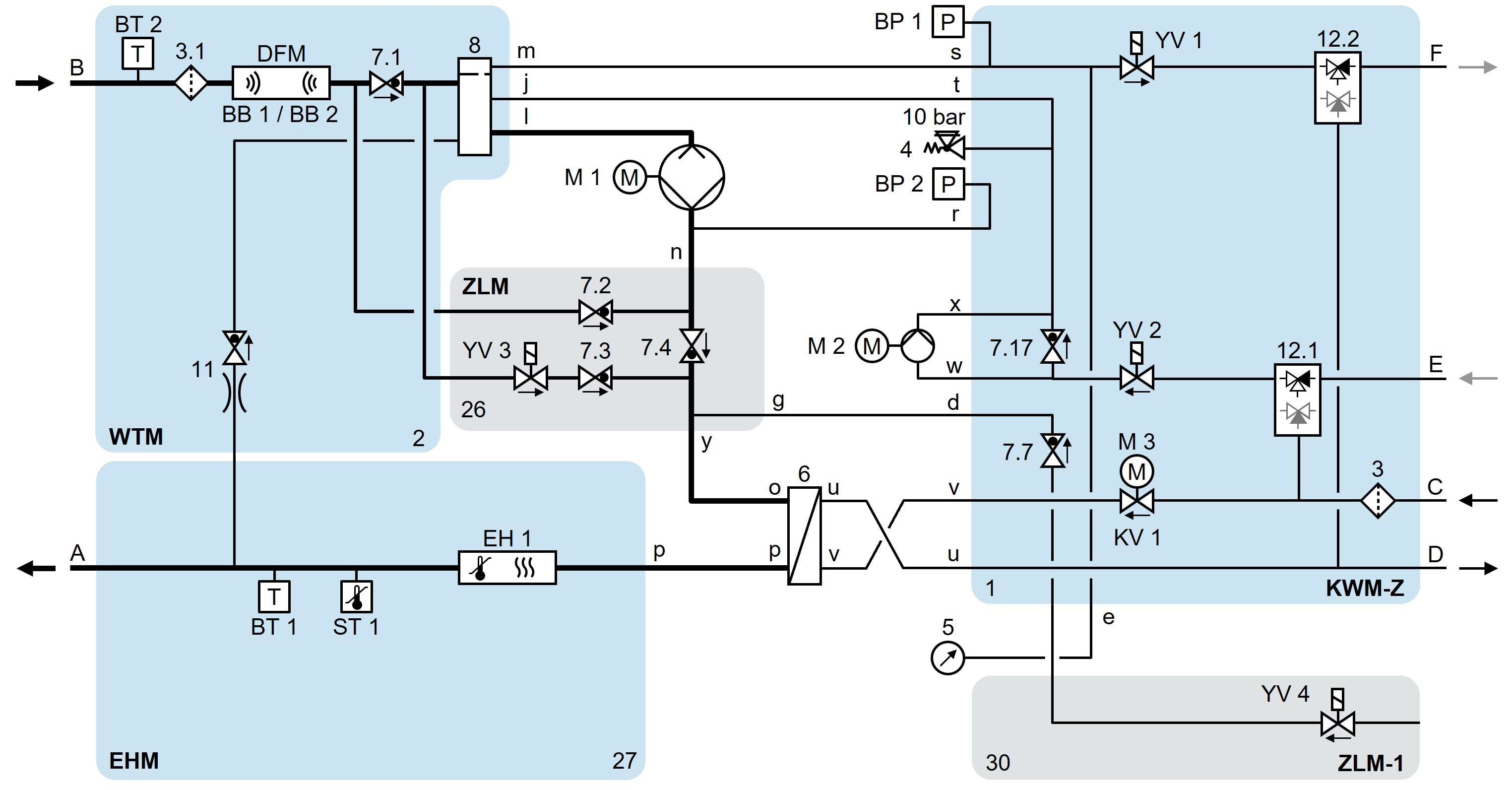
HB-100Z62-16-4T-B2-ZL (→ Clip...)

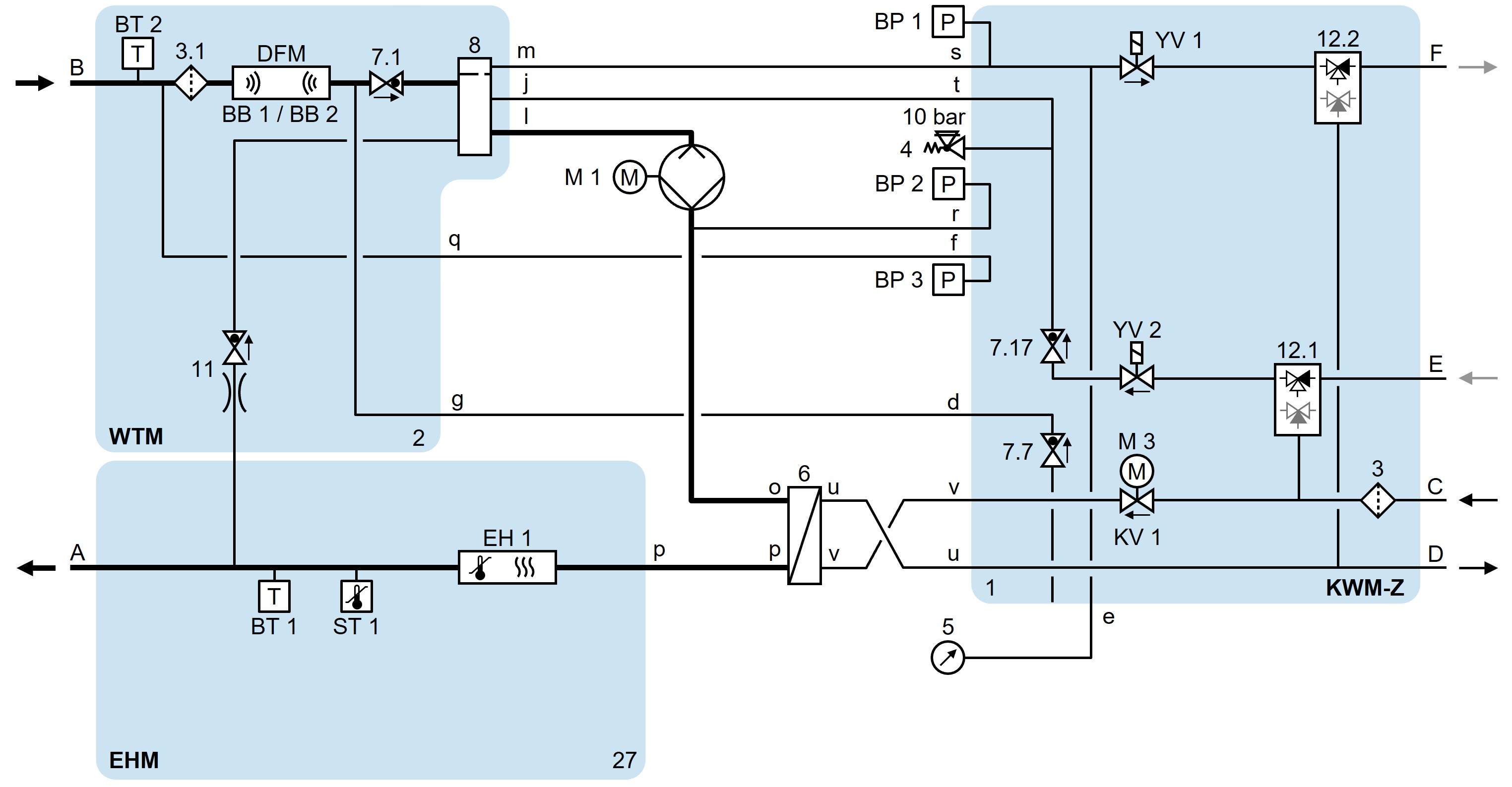
HB-100Z62-16-4T-B2-ZF

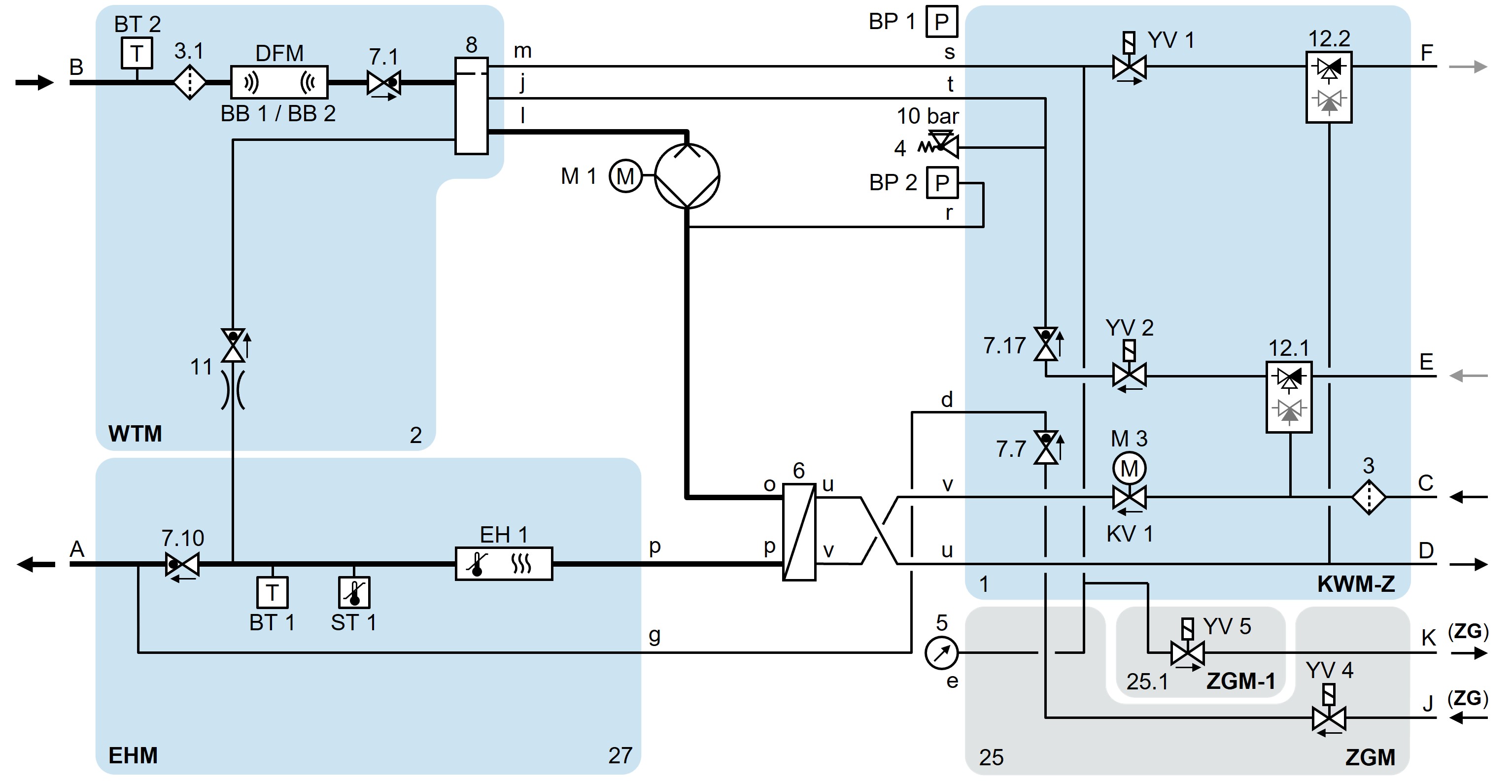
HB-100Z62-16-4T-B2-ZG (→ Clip...)


HB-100Z62-16-4T-B2-ZG

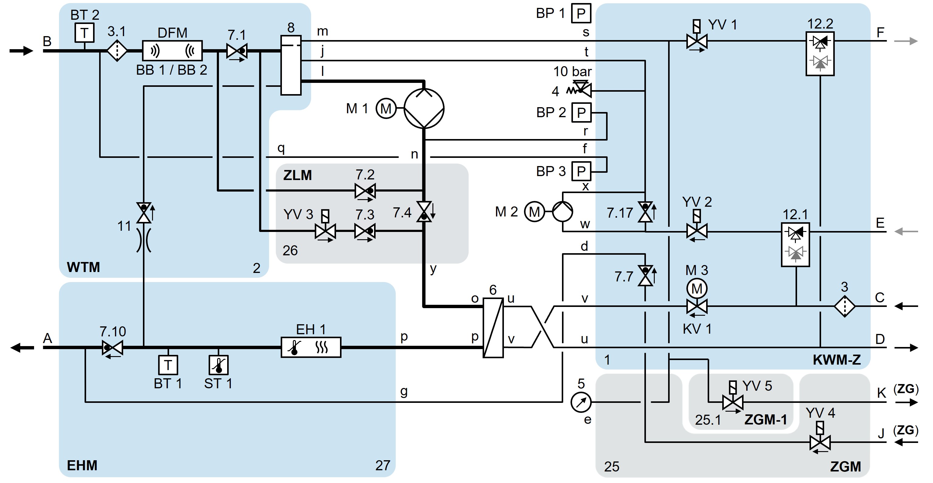
HB-100Z62-16-4T-B2-ZL-ZF-ZG

link_传奇