Download page C8842: Безопасно изключване чрез аларма и външно управление.
C8842: Безопасно изключване чрез аларма и външно управление
Специална версия (допълнение А): Безопасно изключване чрез аларма и външно управление
oписание
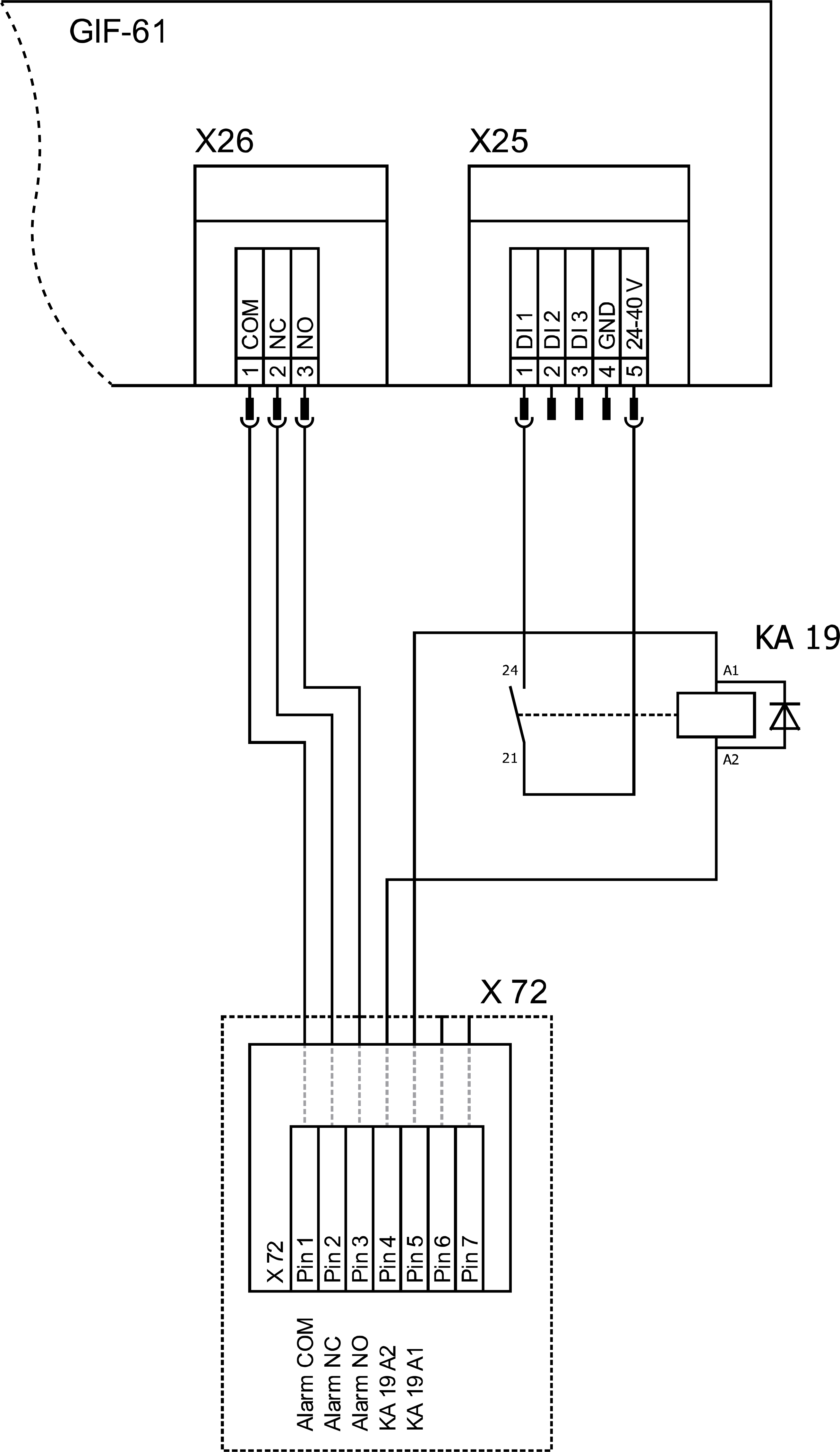
В тази версия устройство е оборудвано с допълнително реле (KA 19), което може да се използва за безопасно изключване на устройство. За работа релето (KA 19) трябва да бъде снабдено с външно напрежение 24 VDC. Ако външното напрежение 24 VDC бъде прекъснато, релето (KA 19) се изключва и изключва устройство чрез контакт без потенциал.
Настройка на настройка промяна
За тази версия се изисква следната настройка в главно меню под [Настройки] > [разни]:
параметър [Безопасно -OFF чрез вътр. Контакт] → включване функция с плъзгача ().
Задайте параметър на [Tемпература изпразване формите] на „90 °C“.
ЗАБЕЛЕЖКА!
параметър [Сейф. -OFF чрез вътр. Контакт] е включен, останалите функции на външно управление (превключване на зададена стойност 1 или 2) се деактивират чрез контакта без потенциал.
Електрическа схема промяна (откъс)
промяна на устройството за компонент
промяна на легендата
съкращение
Име
Изпълнение
KA19
Реле за изключване на безопасността
Datenschutz - Data protection - Protection de données
Wir setzen Cookies ein, um Ihnen die Nutzung unserer Webseite zu erleichtern. Weitere Informationen zu Cookies finden Sie in unserer Datenschutzerklärung. We use cookies to help you use our website. More information about cookies can be found in our privacy policy. Notre site utilise des cookies afin de vous garantir un service optimal. En utilisant ce site web, vous acceptez les présentes conditions. Vous trouverez privacy policy de plus amples informations. Privacy Policy