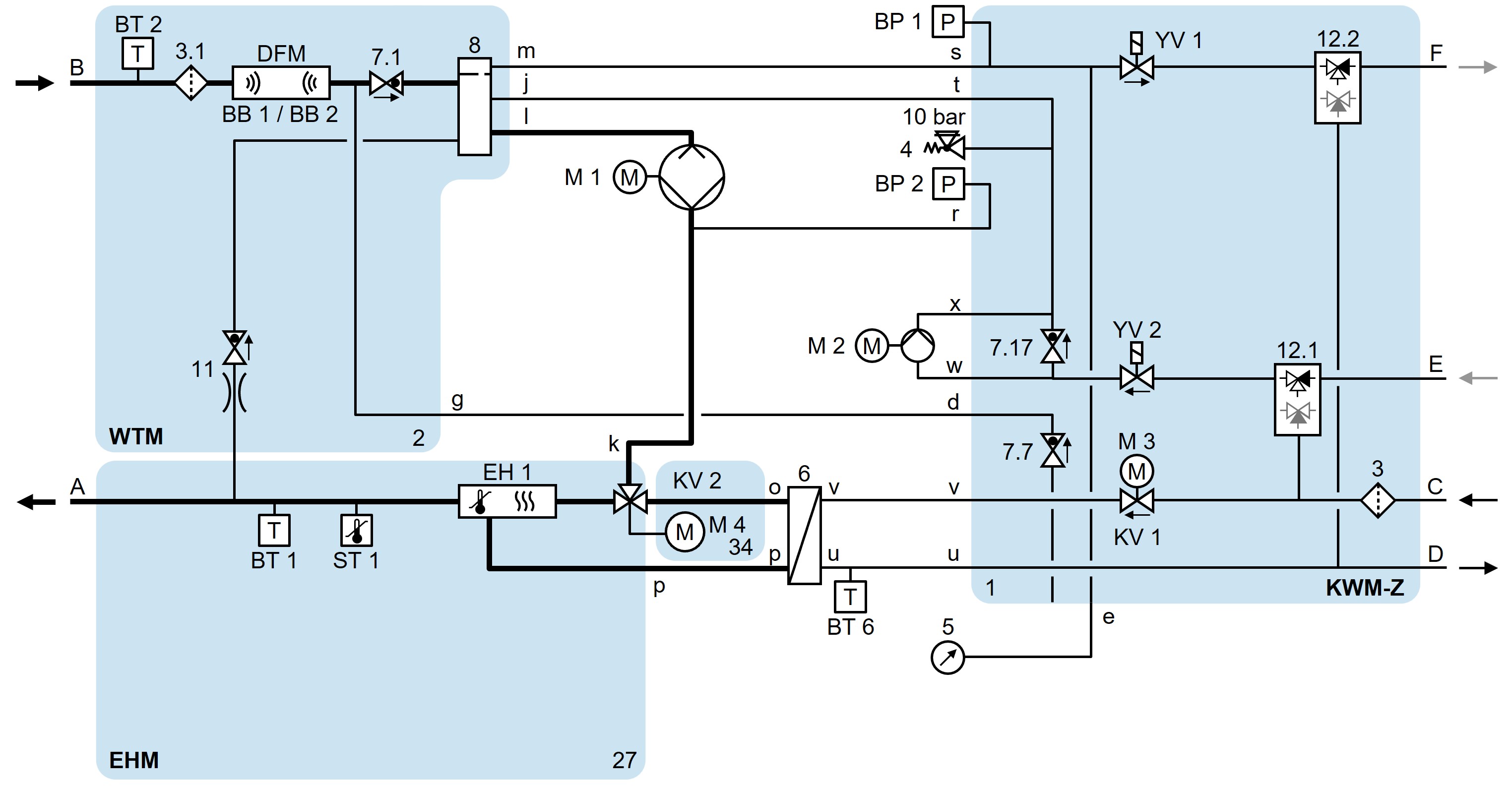
HB-140/160Z61/62-8/16-4S-A2 (→ Clip...)

HB-140/160Z61/62-8/16-4S-A2-ZL (→ Clip...)

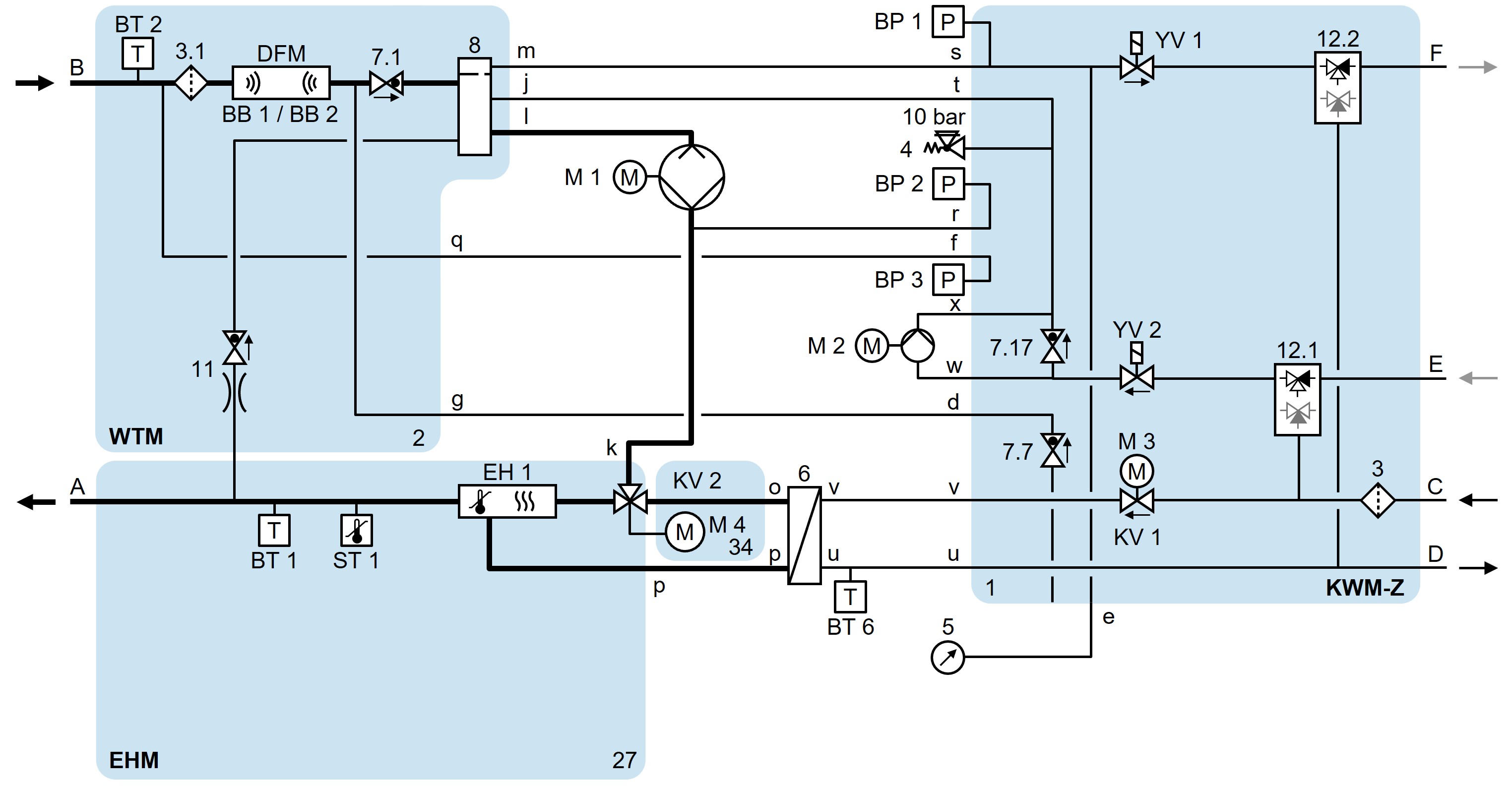
HB-140/160Z61/62-8/16-4S-A2-ZF

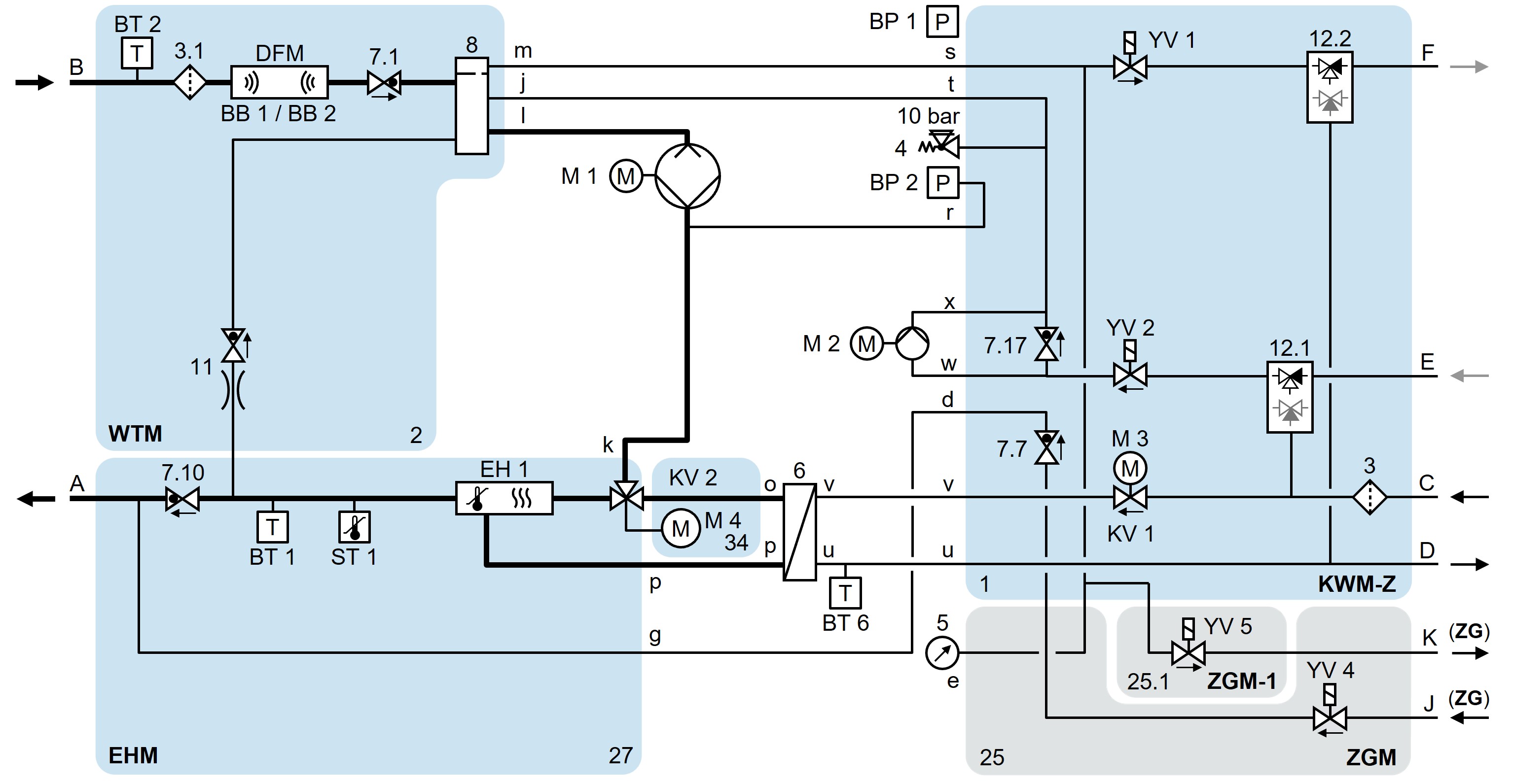
HB-140/160Z61/62-8/16-4S-A2-ZG (→ Clip...)

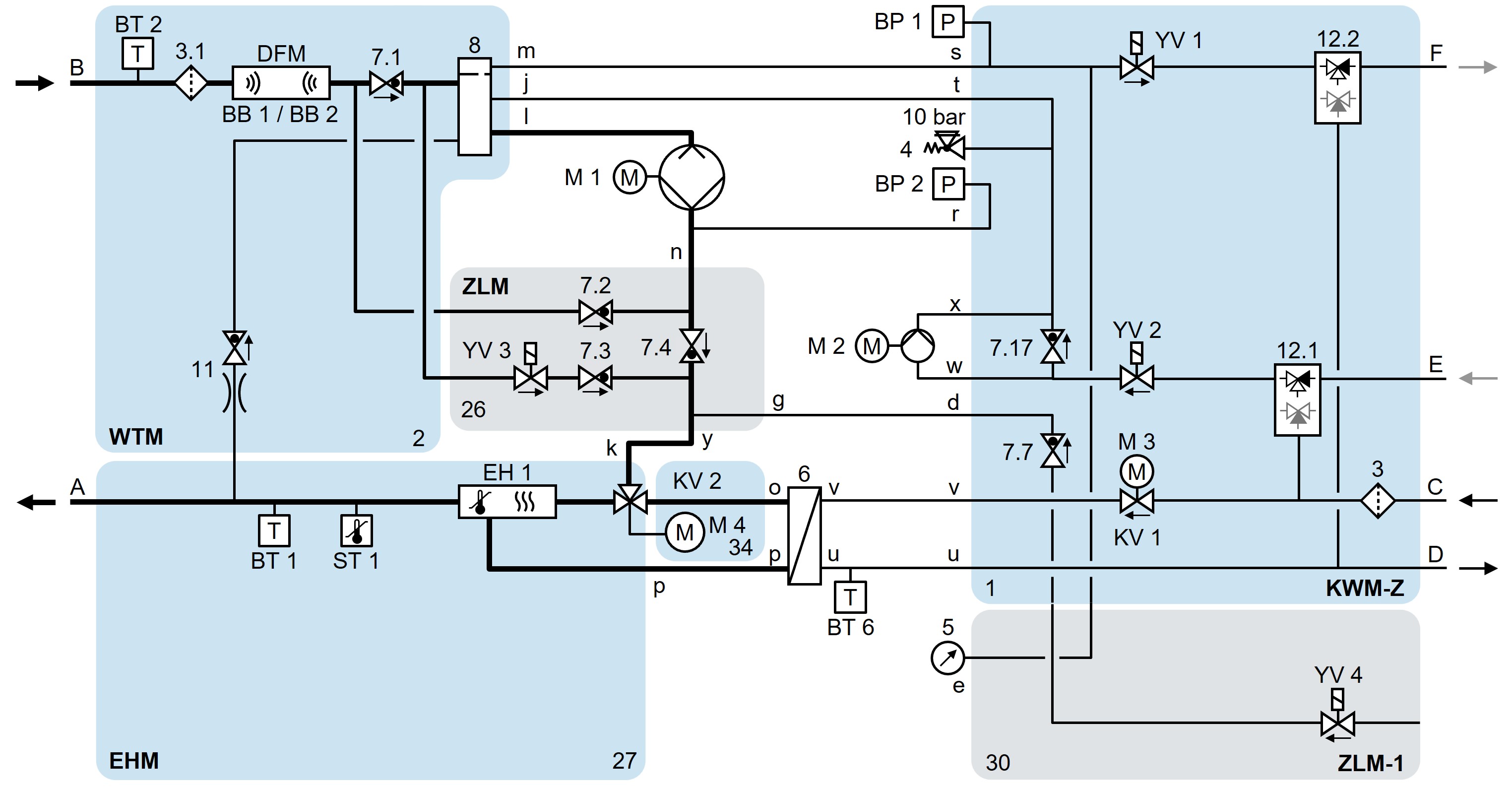
HB-140/160Z61/62-8/16-4S-A2-ZL-ZF-ZG

link_Legende