Download page C8842: Κλείσιμο ασφαλείας μέσω συναγερμού και εξωτερικής ρύθμισης.
C8842: Κλείσιμο ασφαλείας μέσω συναγερμού και εξωτερικής ρύθμισης
Ειδική έκδοση (Παράρτημα Α): Τερματισμός ασφαλείας μέσω συναγερμού και εξωτερικής ρύθμισης
Περιγραφή
Σε αυτή την έκδοση, η συσκευή είναι εξοπλισμένη με ένα πρόσθετο ρελέ (KA 19), το οποίο μπορεί να χρησιμοποιηθεί για την ασφαλή απενεργοποίηση της συσκευής. Για λειτουργία, το ρελέ (KA 19) πρέπει να τροφοδοτείται με εξωτερική τάση 24 VDC. Εάν διακοπεί η εξωτερική τάση 24 VDC, το ρελέ (KA 19) σβήνει και απενεργοποιεί τη συσκευή μέσω επαφής χωρίς δυναμικό.
ρύθμιση παραμέτρων τροποποίησης
Για αυτήν την έκδοση, απαιτείται η ακόλουθη ρύθμιση στο βασικό μενού στην ενότητα [Ρυθμίσεις] > [Διάφορα]:
Παράμετροι [Ασφαλής -OFF μέσω Ext. Επικοινωνία] → ενεργοποίηση της λειτουργίας με το ρυθμιστικό ().
Ρυθμίστε τις παραμέτρους [Θερμοκρασία εκκένωσης καλουπιού] σε «90° C».
ΣΗΜΕΊΩΣΗ!
Είναι οι παράμετροι [Ασφαλής. -OFF μέσω ext. Επαφή] είναι ενεργοποιημένη, οι υπόλοιπες λειτουργίες του εξωτερικού ελέγχου (αλλαγή τιμής στόχου 1 ή 2) απενεργοποιούνται μέσω της επαφής χωρίς δυναμικό.
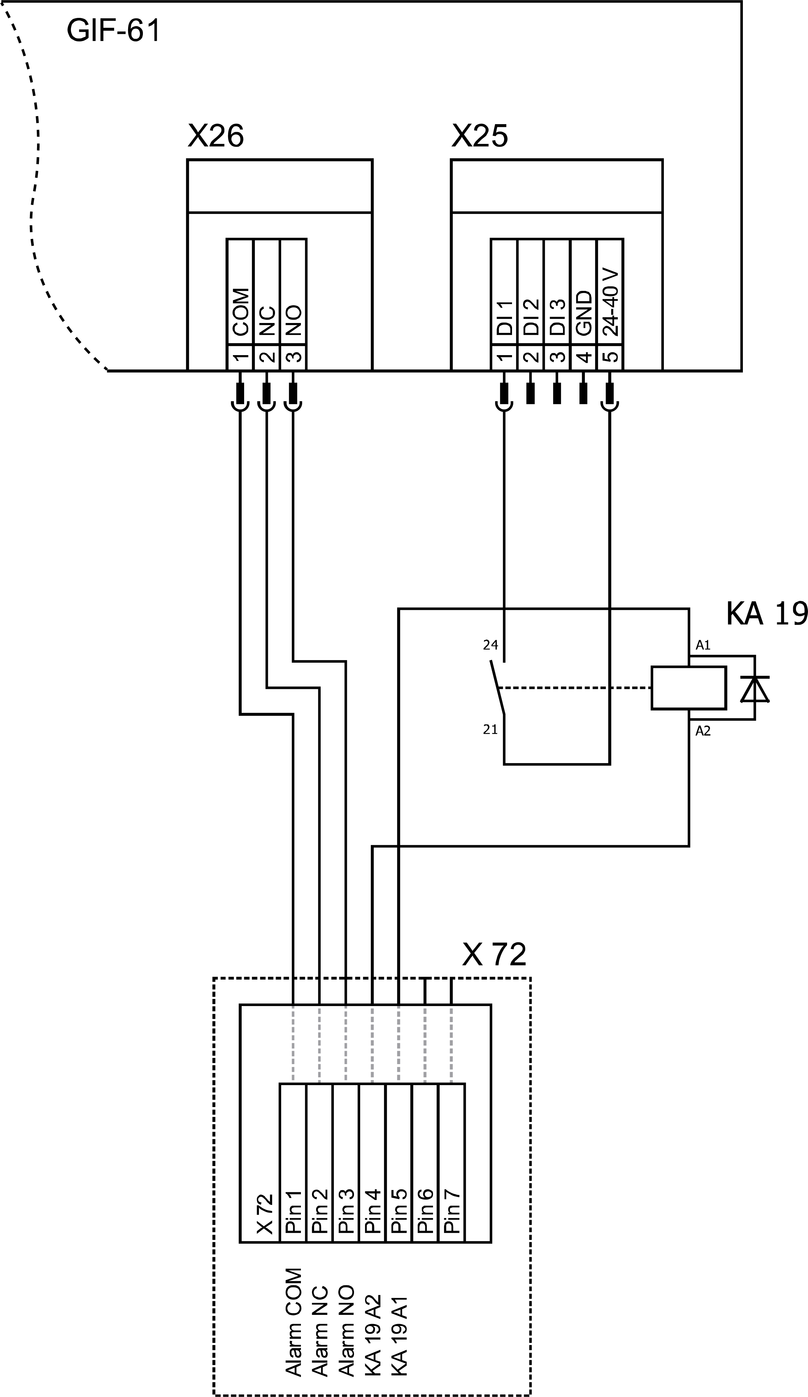
Ηλεκτρικό διάγραμμα Τροποποίηση (απόσπασμα)
Τροποποίηση της ρύθμισης των συνιστωσών
Τροποποίηση θρύλου
συντομογραφία
Ονομα
Εκτέλεση
ΚΑ19
Ρελέ απενεργοποίησης ασφαλείας
Datenschutz - Data protection - Protection de données
Wir setzen Cookies ein, um Ihnen die Nutzung unserer Webseite zu erleichtern. Weitere Informationen zu Cookies finden Sie in unserer Datenschutzerklärung. We use cookies to help you use our website. More information about cookies can be found in our privacy policy. Notre site utilise des cookies afin de vous garantir un service optimal. En utilisant ce site web, vous acceptez les présentes conditions. Vous trouverez privacy policy de plus amples informations. Privacy Policy