Download page C8842: Ohutuse sulgemine häire ja väline juhtsüsteem teel.
C8842: Ohutuse sulgemine häire ja väline juhtsüsteem teel
Eriversioon (lisa A): Ohutuse väljalülitus häire ja väline juhtsüsteem teel
Kirjeldus
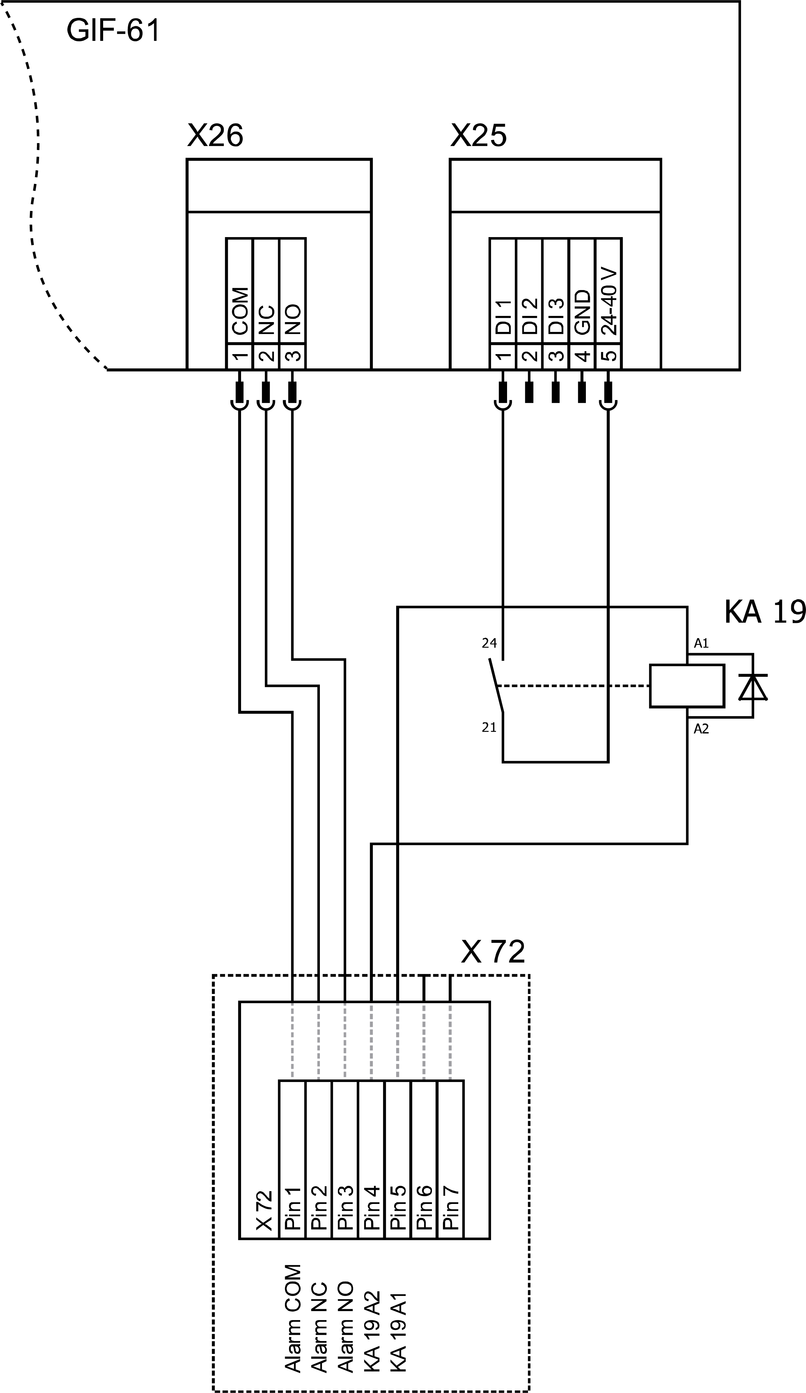
Selles versioonis on seade varustatud täiendava releega (KA 19), mida saab kasutada seade ohutuks väljalülitamiseks. Tööks peab relee (KA 19) olema varustatud välise 24 VDC pingega. Kui väline 24 VDC pinge katkeb, lülitub relee (KA 19) välja ja lülitab seade välja potentsiaalivaba kontakti kaudu.
Parameetri seadistus
Selle versiooni puhul on jaotises [Seaded] > [Muu] peamenüü vaja järgmist Sätet:
parameeter [Safe -OFF Kaudu Ext. Kontakt] → sisselülitamine funktsioon liuguriga sisse ().
Väärt parameeter [Ohutu. -OFF Kaudu Ext. Kontakt] on sisse lülitatud, ülejäänud Funktsioonid väline juhtsüsteem (lüliti nimiväärtus 1 Või 2) on deaktiveeritud kaudu potentsiaalivaba kontakt.
Elektriline skeem modification (väljavõte)
Muudatuse komponentide kokkulepe
Legendi modification
lühend
Tähistus
hukkamine
KA19
Turvalisuse väljalülitamise relee
Datenschutz - Data protection - Protection de données
Wir setzen Cookies ein, um Ihnen die Nutzung unserer Webseite zu erleichtern. Weitere Informationen zu Cookies finden Sie in unserer Datenschutzerklärung. We use cookies to help you use our website. More information about cookies can be found in our privacy policy. Notre site utilise des cookies afin de vous garantir un service optimal. En utilisant ce site web, vous acceptez les présentes conditions. Vous trouverez privacy policy de plus amples informations. Privacy Policy