이 버전에서는 장치에 추가 릴레이 (KA 19) 가 장착되어있어 장치를 안전하게 끄는 데 사용할 수 있습니다. 작동을 위해서는 릴레이 (KA 19) 에 외부 24VDC 전압을 공급해야 합니다. 외부 24VDC 전압이 차단되면 릴레이 (KA 19) 가 차단되고 무전위 접점을 통해 장치가 꺼집니다.
변화 매개 변수 설정
이 버전의 경우 메인 메뉴의 [설정] > [기타] 에서 다음 설정이 필요합니다.
매개변수 [안전 -OFF (내선 번호)] 연락처] → 슬라이더 () 로 기능을 켜십시오.
[금형 배출 온도] 매개변수를 “90°C”로 설정합니다.
주의사항!
[매개변수] 는 안전한가요? -내선 번호를 통해 끄십시오. [접점] 이 켜지면 무전위 접점을 통해 외장형 제어장치의 나머지 기능 (스위칭 목표 값 1 또는 2) 이 비활성화됩니다.
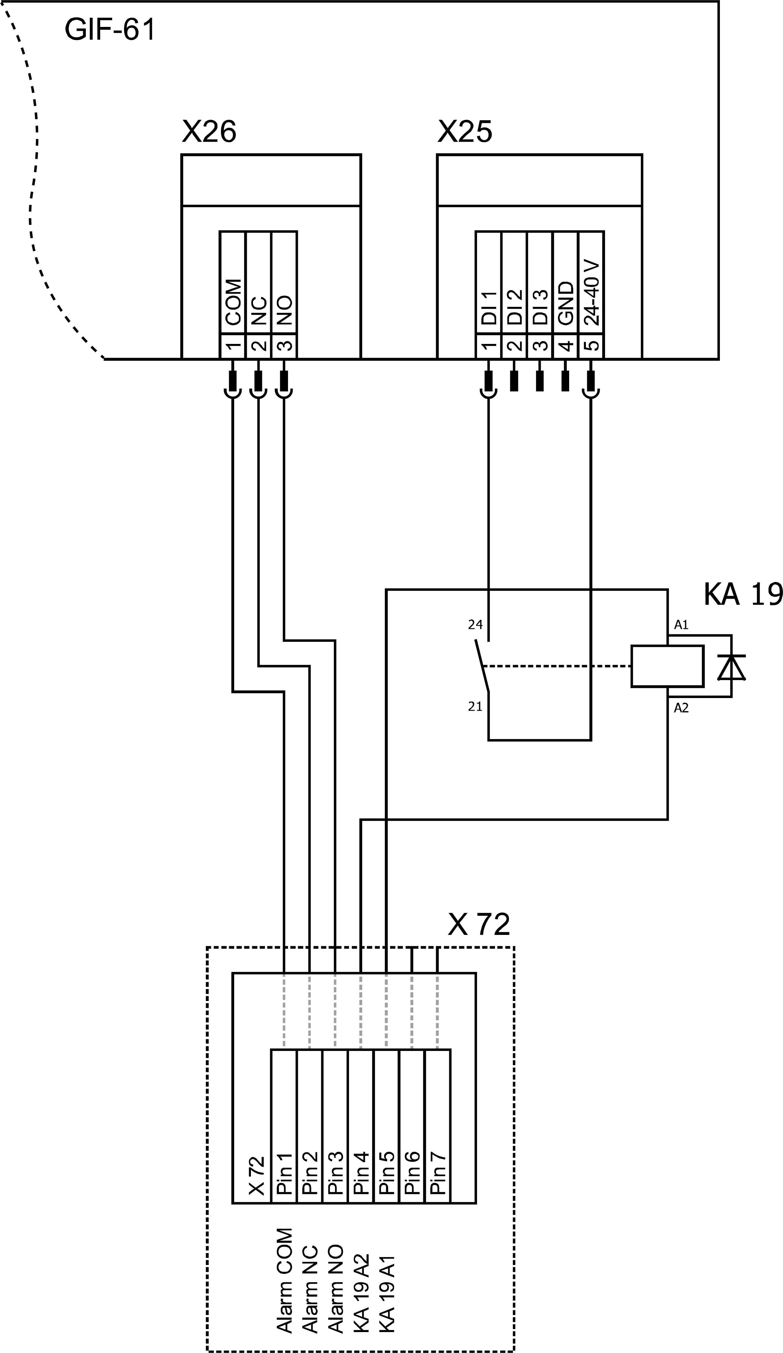
전기 다이어그램 변화 (발췌)
변화 구성 요소 배열
레전드 변화
약어
지정
실행
KA19
세이프티 셧다운 릴레이
Datenschutz - Data protection - Protection de données
Wir setzen Cookies ein, um Ihnen die Nutzung unserer Webseite zu erleichtern. Weitere Informationen zu Cookies finden Sie in unserer Datenschutzerklärung. We use cookies to help you use our website. More information about cookies can be found in our privacy policy. Notre site utilise des cookies afin de vous garantir un service optimal. En utilisant ce site web, vous acceptez les présentes conditions. Vous trouverez privacy policy de plus amples informations. Privacy Policy