Download page C8842: Saugos išjungimas per aliarmą ir išorinį valdymą.
C8842: Saugos išjungimas per aliarmą ir išorinį valdymą
Specialioji versija (A priedėlis): Saugos išjungimas per aliarmą ir išorinį valdymą
Apibūdinimas
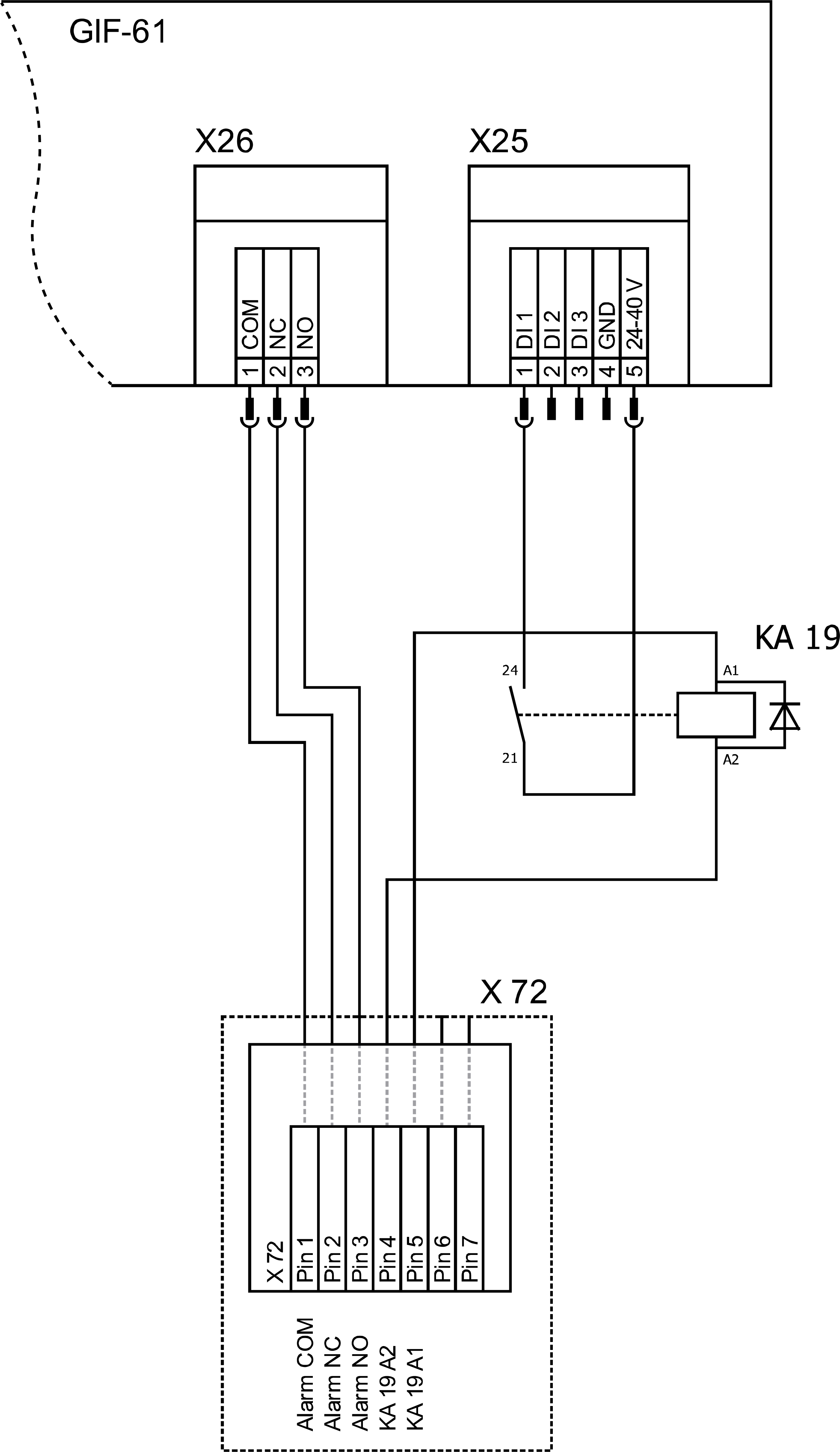
Šioje versijoje įrenginys yra papildomas “suslėgtojo oro išėjimas” (KA 19), kuris gali būti naudojamas saugiai išjungti įrenginys. Veikimui “suslėgtojo oro išėjimas” (KA 19) turi būti tiekiama su išorine 24 VDC įtampa. Jei išorinė 24 VDC įtampa nutrūksta, “suslėgtojo oro išėjimas” (KA 19) išsijungia ir išjungia įrenginys per kontaktą be potencialo.
Keisti pripildymo ciklai|viršyti
Šiai versijai pagrindiniame lygiagretusis jungimas dalyje [Nustatymai] > [įvairios] reikalingi šie Nustatymai:
Aptiktas naujas “variotherm” įrenginys. Parametras [Saugus. -OFF Per Ext. Kontaktas] įjungiamas, likusios išorinio valdiklio Funkcijos (perjungimo norminė reikšmė 1 arba 2) išjungiamos per kontaktą be potencialo.
Elektros schemos keitimas (ištrauka)
Keisti duomenų sąsajos
Legendos pasikeitimas
santrumpa
Paskyrimas
Vykdymas
KA19
Saugos išjungimas suslėgtojo oro išėjimas
Datenschutz - Data protection - Protection de données
Wir setzen Cookies ein, um Ihnen die Nutzung unserer Webseite zu erleichtern. Weitere Informationen zu Cookies finden Sie in unserer Datenschutzerklärung. We use cookies to help you use our website. More information about cookies can be found in our privacy policy. Notre site utilise des cookies afin de vous garantir un service optimal. En utilisant ce site web, vous acceptez les présentes conditions. Vous trouverez privacy policy de plus amples informations. Privacy Policy