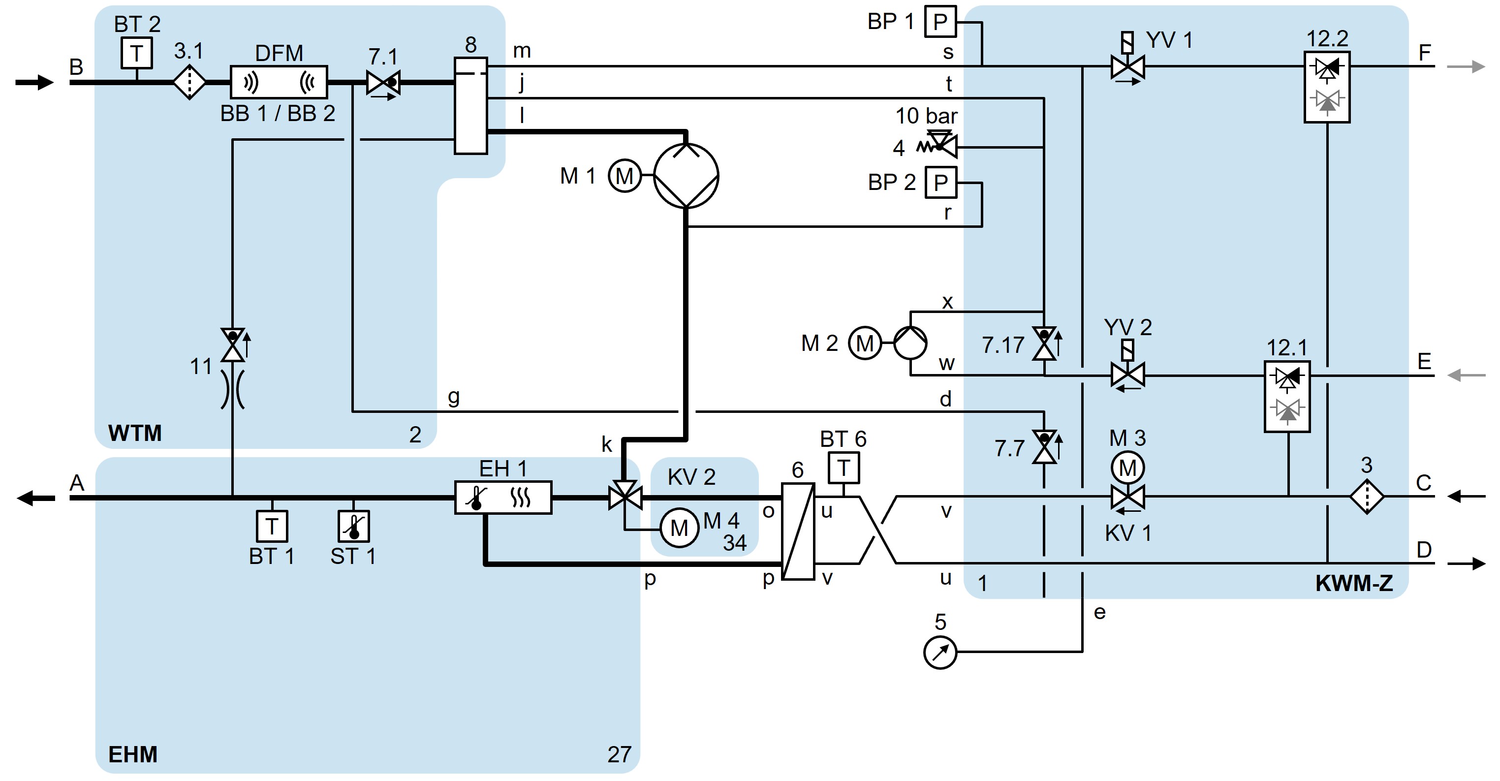
ВБ-140/160З62-16-4С-В2

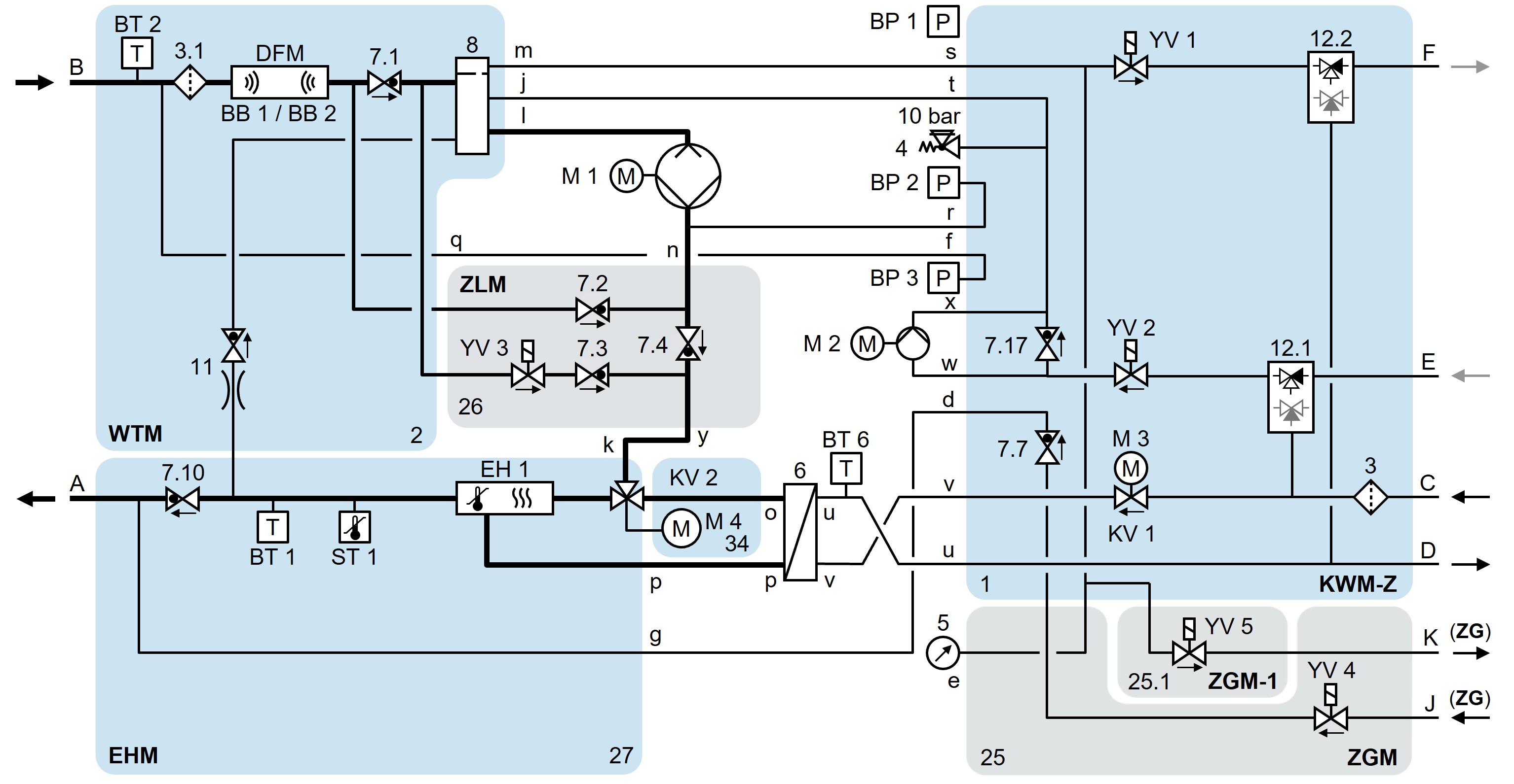
ВБ-140/160З62-16-4С-Б2-ЗЛ

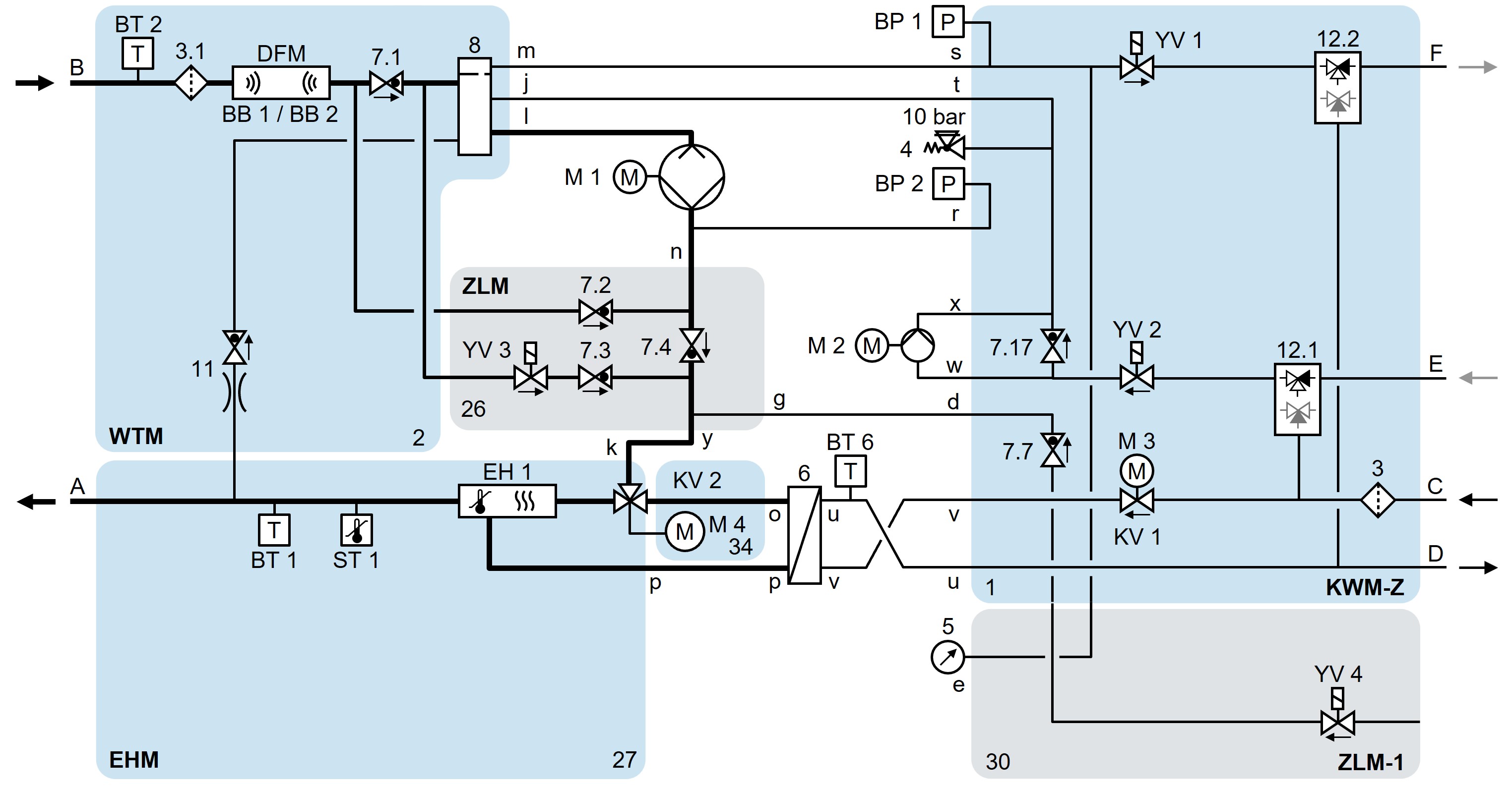
ВБ-140/160З62-16-4С-Б2-ЗФ

ХБ-140/160З62-16-4С-Б2-ЗГ

ВБ-140/160З62-16-4С-Б2-ЗЛ-ЗФ-ЗГ

linkлегенда