Specialudgave (tillæg A): Sikkerhedsafbrydelse via alarm og fjernstyring

Beskrivelse

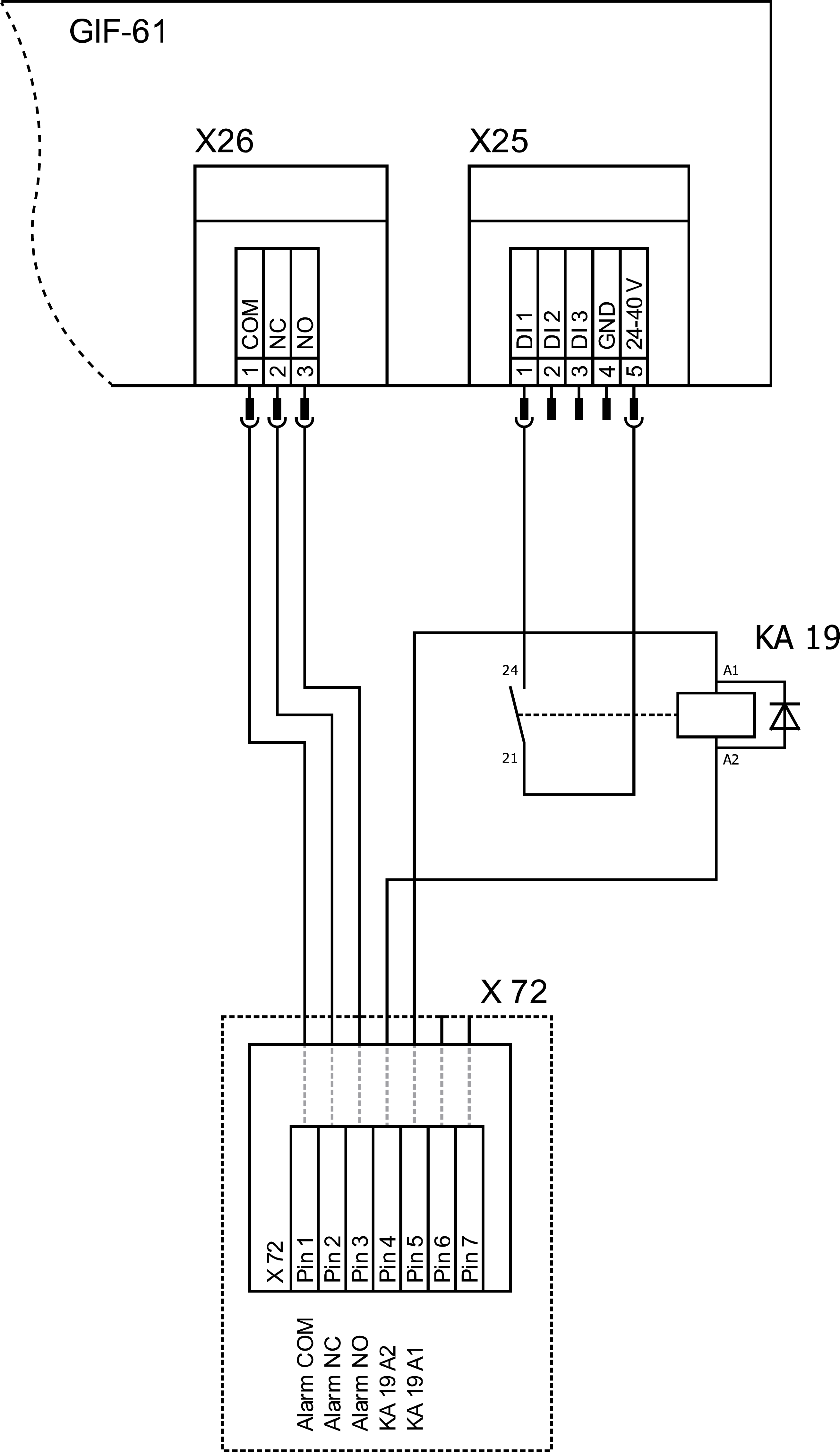
I denne version er udstyret med et ekstra relæ (KA 19), som kan bruges til at slukke for enheden sikkert. Til drift skal relæet (KA 19) forsynes med en ekstern 24 VDC spænding. Hvis den eksterne 24 VDC spænding afbrydes, slukker relæet (KA 19) og slukker for enheden via en potentialfri kontakt.

Indstilling af parameterændring

For denne version kræves følgende Indstilling i hovedmenuen under [Indstillinger] > [Diverse]:

  • Parametre [Safe -OFF Via Ext. Kontakt]
    → tænde funktionen med skyderen ().
  • Indstil parameteren [Formtømningstemperatur] til „90° C.“

BEMÆRK!

Er parametrene [Sikker. -OFF Via Ext. Kontakt] er tændt, de resterende Funktioner ved fjernstyring (skift af nominel værdi 1 eller 2) deaktiveres via den potentialfri kontakt.

Elektrisk diagram Ændring (uddrag)

Ordningen for ændringskomponenter

Ændring af legende

forkortelseBetegnelsehenrettelse
KA19Sikkerhedsafbrydelse relæ