Download page C8842: Sicherheitsabschaltung über Alarm und Externsteuerung.
C8842: Sicherheitsabschaltung über Alarm und Externsteuerung
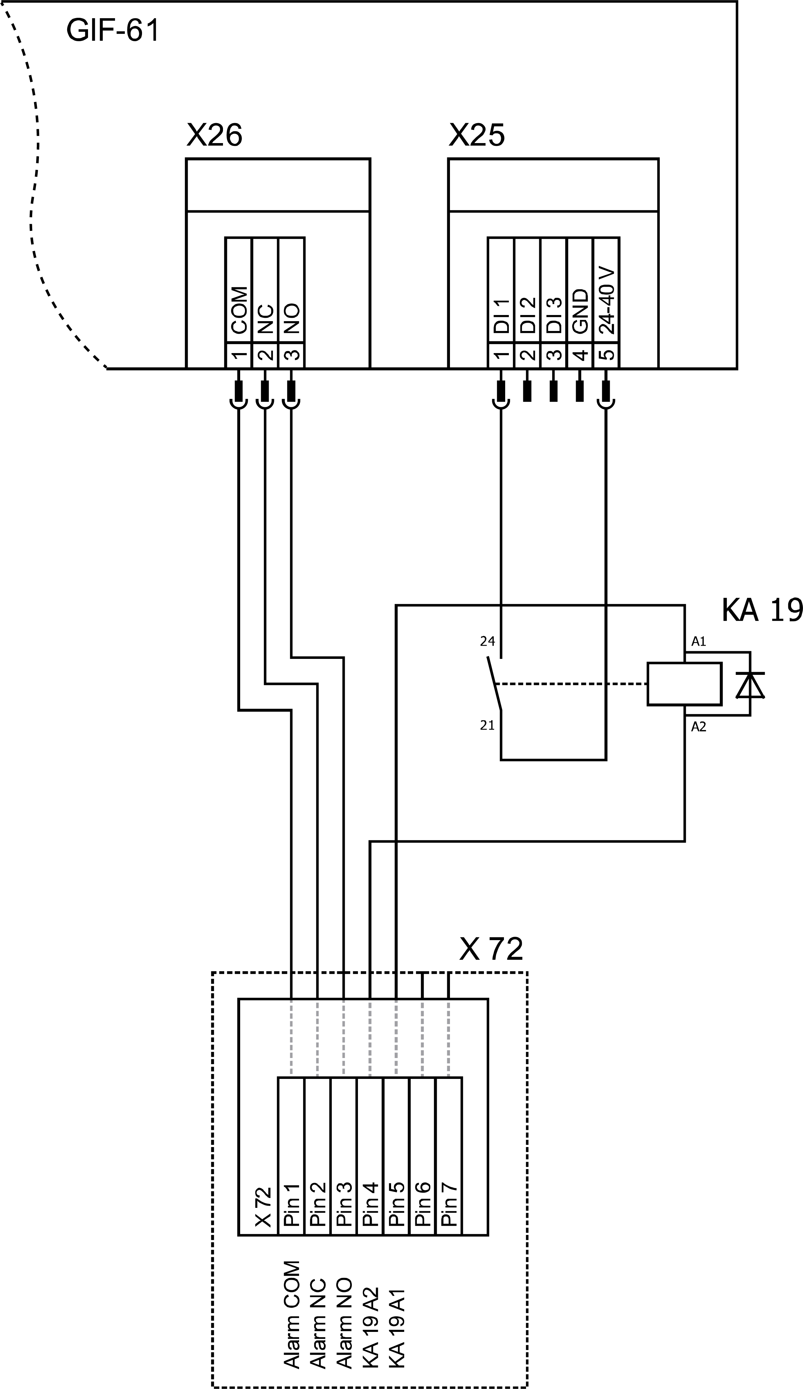
Sonderausführung (Anhang A): Sicherheitsabschaltung über Alarm und Externsteuerung
Beschreibung
Das Gerät ist bei dieser Ausführung mit einem zusätzlichen Relais (KA 19) ausgerüstet, über das eine Sicherheitsabschaltung des Geräts erfolgen kann. Für den Betrieb muss das Relais (KA 19) über eine externe 24 VDC Spannung versorgt werden. Bei Unterbrechung der externen 24 VDC Spannung fällt das Relais (KA 19) ab und schaltet das Gerät über einen potentialfreien Kontakt aus.
Änderung Parametereinstellung
Für diese Ausführung sind im Hauptmenü unter [Einstellung] > [Diverses] folgende Einstellungen erforderlich:
Parameter [Sicherh.-AUS über ext. Kontakt] → Funktion mit dem Schieberegler () einschalten.
Parameter [Formentleerungstemperatur] auf "90 °C" einstellen.
HINWEIS!
Ist der Parameter [Sicherh.-AUS über ext. Kontakt] eingeschaltet, sind die restlichen Funktionen der Externsteuerung (Umschaltung Sollwert 1 oder 2) über den potentialfreien Kontakt deaktiviert.
Änderung Elektroschema (Auszug)
Änderung Komponentenanordnung
Änderung Legende
Kurzzeichen
Bezeichnung
Ausführung
KA 19
Relais Sicherheitsabschaltung
Datenschutz - Data protection - Protection de données
Wir setzen Cookies ein, um Ihnen die Nutzung unserer Webseite zu erleichtern. Weitere Informationen zu Cookies finden Sie in unserer Datenschutzerklärung. We use cookies to help you use our website. More information about cookies can be found in our privacy policy. Notre site utilise des cookies afin de vous garantir un service optimal. En utilisant ce site web, vous acceptez les présentes conditions. Vous trouverez privacy policy de plus amples informations. Privacy Policy