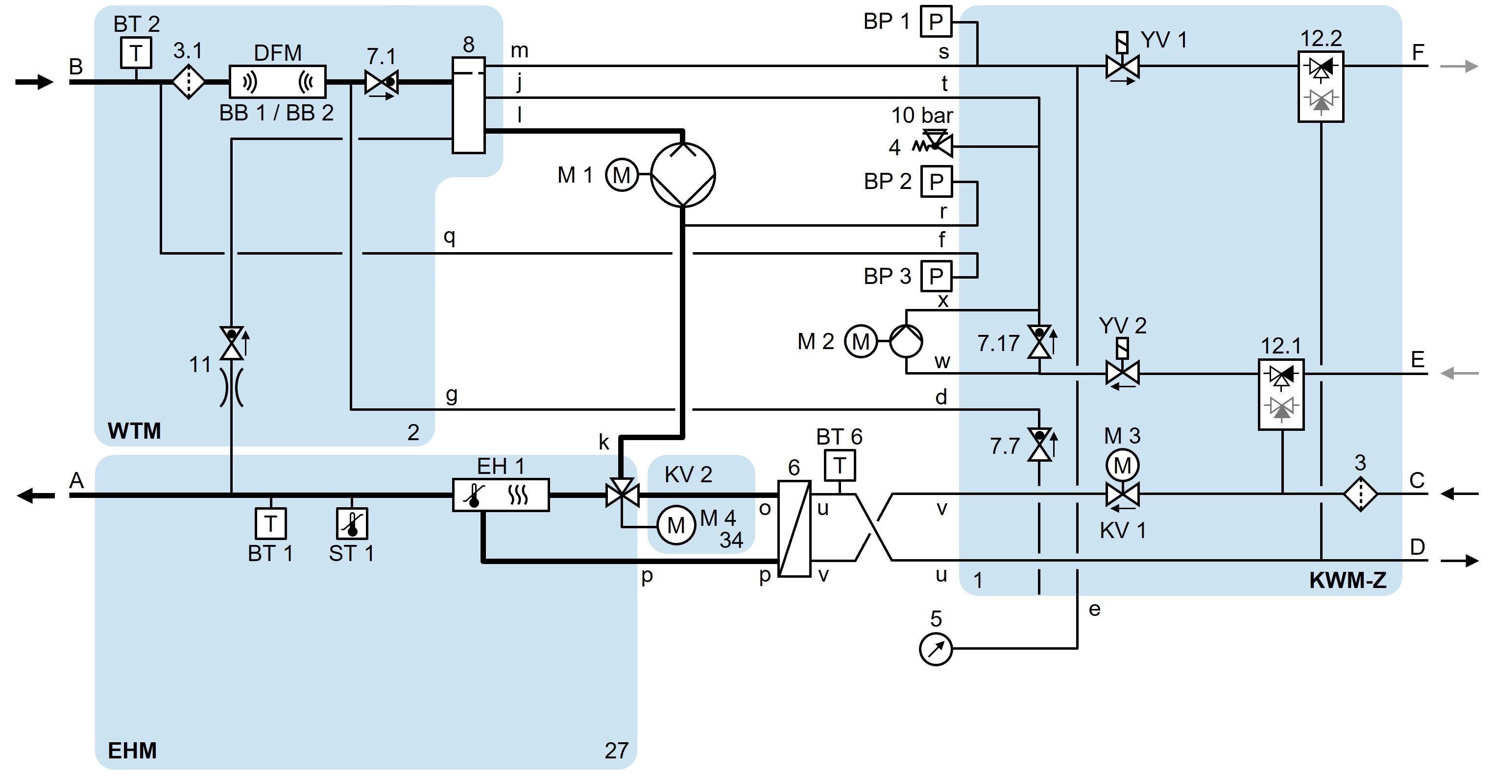
ΗΒ-140/160Ζ62-16-4S-Β2

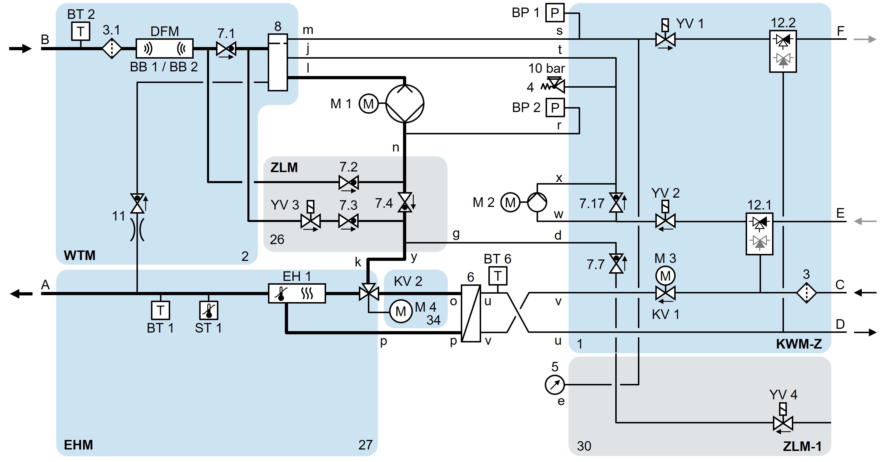
ΗΒ-140/160Ζ62-16-4S-Β2-ΖΛ

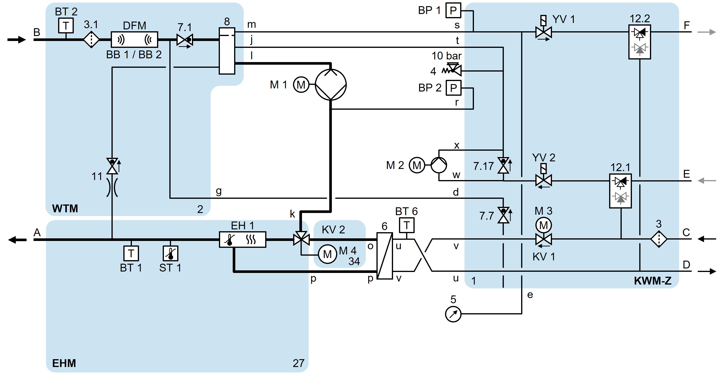
ΗΒ-140/160Ζ62-16-4S-Β2-ΖΦ

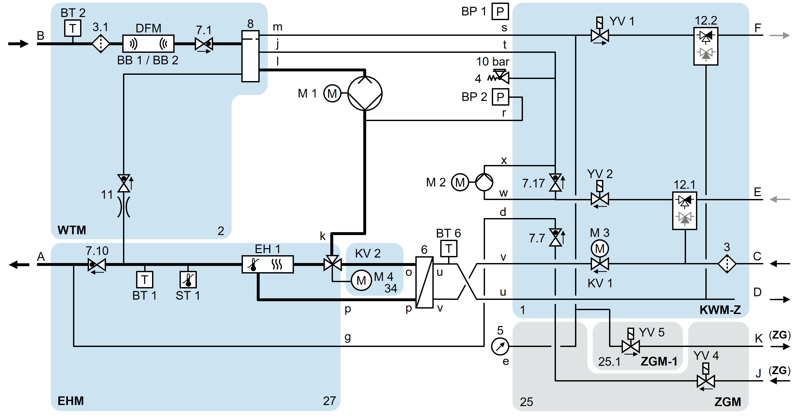
ΗΒ-140/160Ζ62-16-4S-Β2-ΖΓ

ΗΒ-140/160Ζ62-16-4S-Β2-ΖΛ-ΖΦ-ΖΓ

linkθρύλος