Download page C8842 : Coupure de sécurité par alarme et commande externe.
C8842 : Coupure de sécurité par alarme et commande externe
Version spéciale (annexe A) : Coupure de sécurité par alarme et commande externe
Description
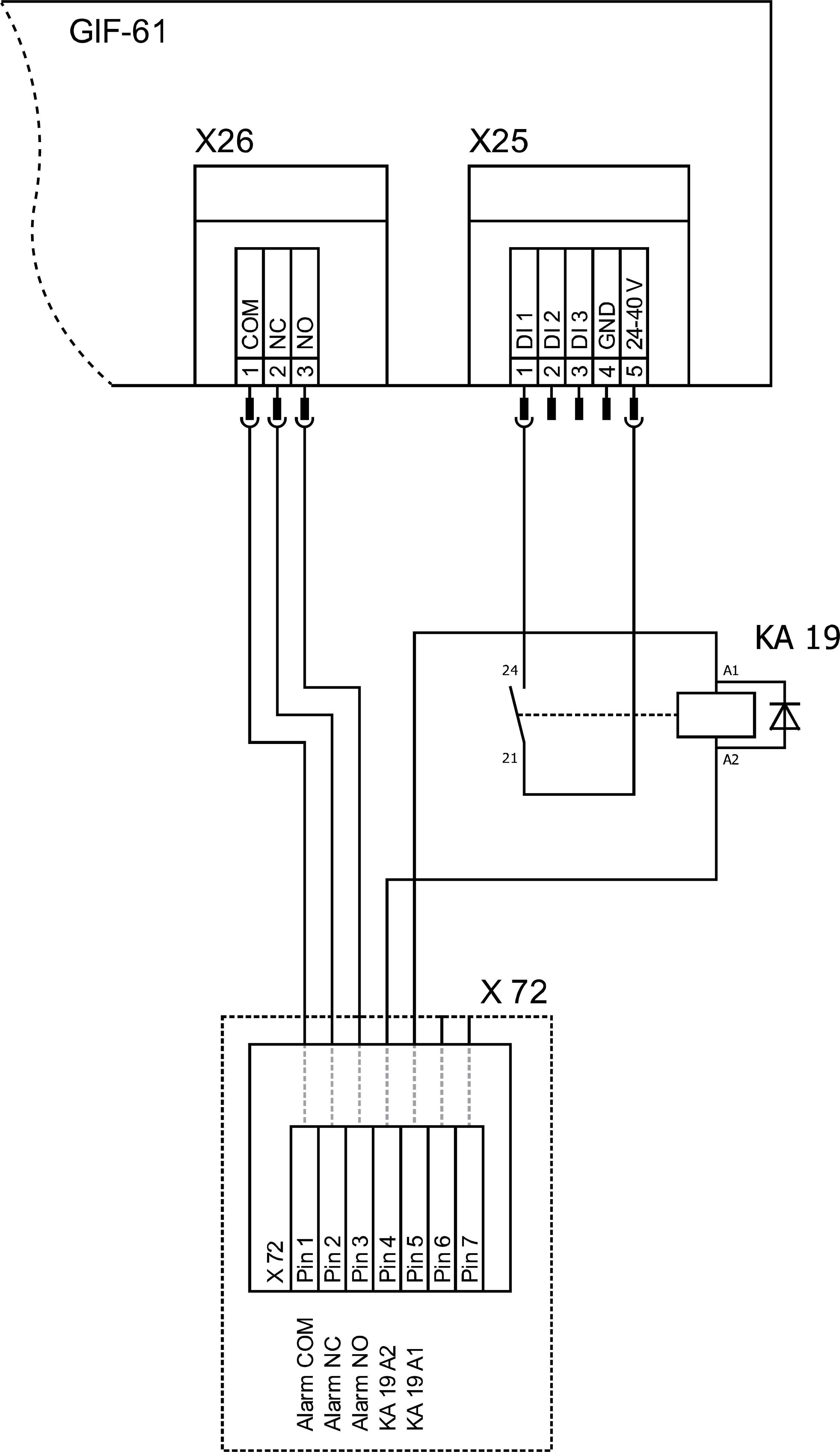
Dans cette version, l'appareil est équipé d'un relais supplémentaire (KA 19), qui peut être une coupure de sécurité de l'appareil en toute sécurité. Pour fonctionner, le relais (KA 19) doit être alimenté par une tension externe de 24 VDC. Si la tension externe de 24 VDC est interrompue, le relais (KA 19) s'arrête et éteint l'appareil via un contact libre de potentiel.
Modification et réglage des paramètres
Pour cette version, les réglages suivants sont requis dans le menu principal sous [Ajustage] > [Divers] :
Paramètres [Arrêt sécurité via contact ext.] → activer la fonction avec le curseur ().
Réglez les paramètres [Température vidange du moule] sur « 90 °C ».
REMARQUEZ !
Le paramètre est-il réel [Arrêt sécurité via contact ext.] est activé, les fonctionnalités restantes de la commande externe (valeur de consigne de commutation 1 ou 2) sont désactivées via le contact libre de potentiel.
Modification du schéma électrique (extrait)
Modification du plan des composants
Modification de la légende
Abréviation
Désignation
Exécution
KA 19
Relais de coupure de sécurité
Datenschutz - Data protection - Protection de données
Wir setzen Cookies ein, um Ihnen die Nutzung unserer Webseite zu erleichtern. Weitere Informationen zu Cookies finden Sie in unserer Datenschutzerklärung. We use cookies to help you use our website. More information about cookies can be found in our privacy policy. Notre site utilise des cookies afin de vous garantir un service optimal. En utilisant ce site web, vous acceptez les présentes conditions. Vous trouverez privacy policy de plus amples informations. Privacy Policy