特別バージョン(付録A):アラームと外部制御による安全シャットダウン

[説明]

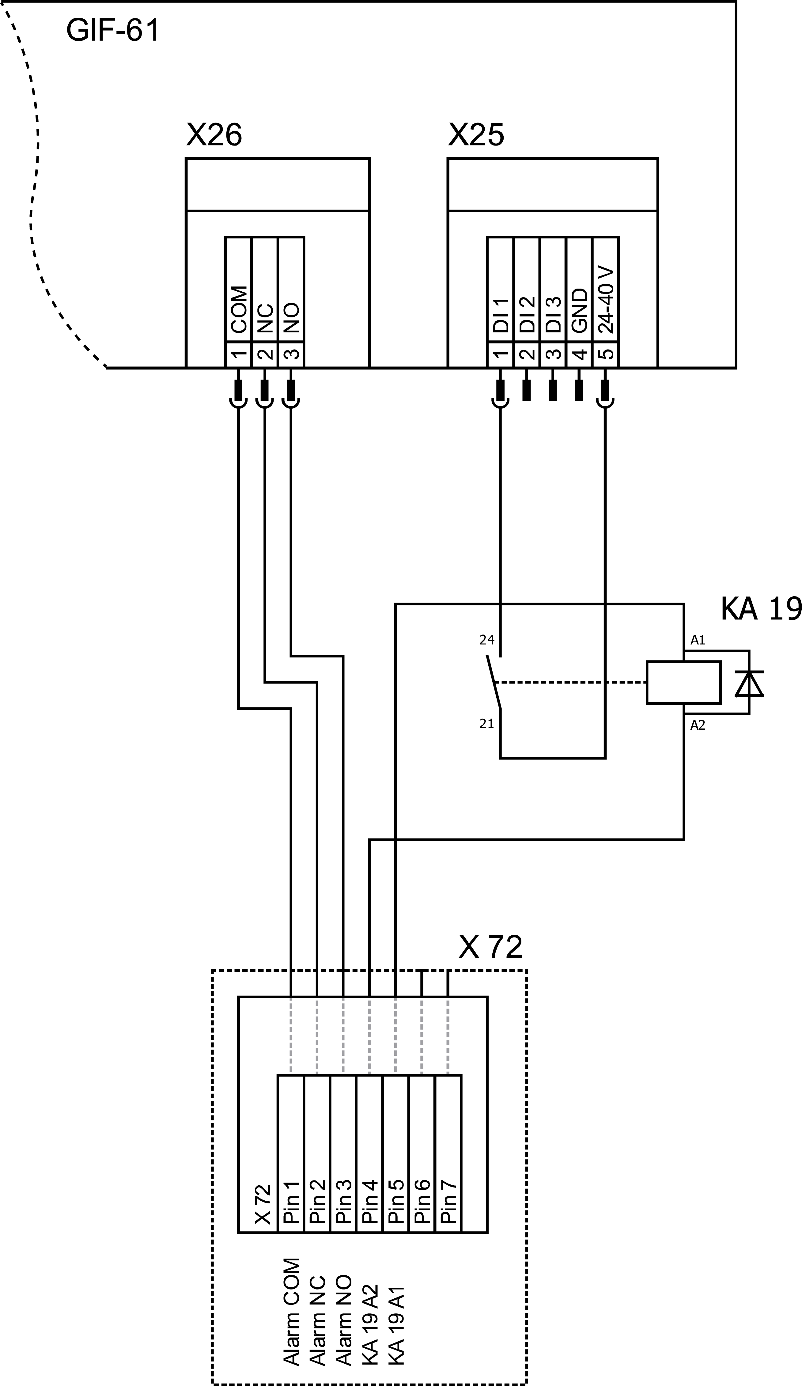
このバージョンでは、ディバイスに追加のリレー(KA 19)が装備されており、これを使用してディバイス安全にオフにすることができます。 リレー(KA 19)を動作させるには、24 VDCの外部電圧を供給する必要があります。 外部24VDC電圧が遮断されると、リレー(KA 19)は無電位接点を介して停止し、ディバイス電源を切ります

変更パラメータ設定

このバージョンでは、メインメニュー [設定] > [雑則] で以下の設定が必要です

  • パラメータ [Ext経由でセーフ-切。 Contact]
    → スライダー () で機能 ONにしてください。
  • [型液抜き限界温度.] パラメータを「90°C」に設定します。

注記!

パラメータ実効値 [安全] ですか。 -内線で切 接点] をオンにすると、外部制御の残りの機能(設定値 1または2の切り替え)が無電位接点を介して無効になります。

電気回路図変更 (抜粋)

変更コンポーネント配置

レジェンド変更

略語デザイン実行
KA19安全遮断リレー